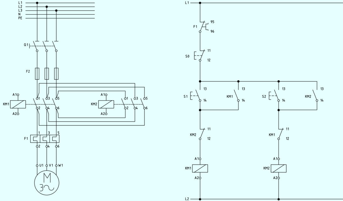
Τίτλος Άσκησης: Εκκίνηση και Αλλαγή φοράς περιστροφής τριφασικού κινητήρα Πρόβλημα: Θέλουμε να κατασκευάσουμε ένα κύκλωμα με το οποίο να ελέγχουμε την φορά περιστροφής ενός τριφασικού κινητήρα. Ρεαλιστική περίπτωση: Ένας ηλεκτροκίνητος γερανός δεν μπορεί να αλλάξει φορά. Ο κινητήρας του περιστρέφεται μόνο προς μία κατεύθυνση. Πώς θα το διορθώσεις; Σενάριο : Ένας πελάτης ζητά από εσάς να εγκαταστήσετε ένα σύστημα αυτοματισμού για ένα μηχανισμό ανύψωσης φορτίων. Το μοτέρ πρέπει να μπορεί να λειτουργεί σε δύο κατευθύνσεις: Για να ανεβάζει το φορτίο (ΔΕΞΙΟΣΤΡΟΦΑ). Για να το κατεβάζει (ΑΡΙΣΤΕΡΟΣΤΡΟΦΑ). Προσοχή : Δεν πρέπει να μπορούν να ενεργοποιηθούν ταυτόχρονα και οι δύο κατευθύνσεις (για αποφυγή βραχυκυκλώματος). Πρέπει να υπάρχει ηλεκτρική μαδάλωση και προεραιτικά μηχανική μανδάλωση. Σύνδεση με την προηγούμενη Άσκηση: Σε αυτή την άσκηση θα εφαρμόσουμε τη λειτουργία της μανδάλωσης, με την οποία ασχοληθήκαμε στην προηγούμενη άσκηση - “Μανδάλωση δύο Κινητήρων”. Μόνο που δεν θα επιχειρήσουμε να αποκλείσουμε την ταυτόχρονη λειτουργία δύο κινητήρων, όπως κάναμε στην προηγούμενη άσκηση, αλλά θα επιχειρήσουμε να αποκλείσουμε την ταυτόχρονη δεξιόστροφη και αριστερόστροφη περιστροφή του ίδιου κινητήρα. Ποια εφαρμογή στην καθημερινότητα μπορεί να έχει η συγκεκριμένη εργαστηριακή άσκηση; Προσπαθήστε να σκεφτείτε εφαρμογές όπου είναι απαραίτητος ο έλεγχος της φοράς περιστροφής ενός τριφασικού κινητήρα. Σκεφτείτε, για παράδειγμα τον ανελκυστήρα του σπιτιού σας ή τις κυλιόμενες σκάλες κάποιου εμπορικού καταστήματος που έχουν τη δυνατότητα της ανόδου και της καθόδου. Πιστεύετε ότι η άνοδος και η κάθοδος σε αυτές τις εφαρμογές πραγματοποιείται από δυο ξεχωριστούς κινητήρες; Ή μήπως από έναν κινητήρα του οποίου μπορούμε να ελέγξουμε την φορά περιστροφής; Σε αυτή την περίπτωση, θα πρέπει να διερευνήσουμε τον τρόπο με τον οποίο μπορούμε να περιστρέφουμε τον κινητήρα προς την φορά που επιθυμούμε κάθε φορά. Παραδείγματα εφαρμογών αλλαγής φοράς περιστροφής Γερανός ανύψωσης (παλάντζο) Περιγραφή: Ο γερανός ανεβάζει και κατεβάζει φορτία. Η αλλαγή φοράς καθορίζει αν το φορτίο ανεβαίνει ή κατεβαίνει. Λύση: Δύο μαγνητικοί διακόπτες εναλλάσσουν τις δύο φάσεις του κινητήρα. Απαραίτητη η αλληλομανδάλωση για αποφυγή βραχυκυκλώματος. Ανελκυστήρας / Αναβατόριο Περιγραφή: Ο κινητήρας περιστρέφεται αντίθετα για άνοδο ή κάθοδο της καμπίνας. Λύση: Ο προγραμματιστής του συστήματος (ή ρελέ) επιλέγει φορά περιστροφής. Μηχανές κοπής/λείανσης με αντίθετη φορά Περιγραφή: Κάποιες μηχανές χρειάζονται περιστροφή είτε δεξιόστροφα είτε αριστερόστροφα, π.χ. για να αλλάξει η φορά λεπίδας. Λύση: Επιλογέας (selector switch) ελέγχει ποιος μαγνητικός ενεργοποιείται. Κίνηση μεταφορικής ταινίας (μπρος-πίσω) Περιγραφή: Σε εργοστάσια χρειάζεται ταινία που κινείται και προς τις δύο κατευθύνσεις (π.χ. για ταξινόμηση). Λύση: Με κουμπιά «FORWARD» και «REVERSE» ενεργοποιείται η αντίστοιχη φορά. Αντλίες με αλλαγή ροής (σε ειδικές εφαρμογές) Περιγραφή: Αντλίες που λειτουργούν σε δύο κατευθύνσεις για είσοδο/έξοδο υγρού. Λύση: Αντιστροφή φάσεων → αντιστροφή περιστροφής → αλλαγή ροής. Προκαταρκτικές Ερωτήσεις (Διερεύνηση) Αν έχεις έναν γερανό που σηκώνει φορτία, πώς θα τον κάνεις να ανεβάζει και να κατεβάζει; Πώς θα μπορούσε ένας κινητήρας να περιστρέφεται προς δύο κατευθύνσεις; Τι θα γινόταν αν και οι δύο εντολές (πάνω & κάτω) δίνονταν ταυτόχρονα; Ερώτημα 1 : Πως αλλάζουμε τη φορά περιστροφής ενός τριφασικού κινητήρα άραγε; Για να απαντήσουμε στο ερώτημα, θα πρέπει να γνωρίζουμε λίγα πράγματα σχετικά με τους τριφασικούς κινητήρες. Η λειτουργία αυτών των κινητήρων στηρίζεται στη δημιουργία ενός στρεφόμενου μαγνητικού πεδίου - ενός μαγνητικού πεδίου, δηλαδή, το οποίο περιστρέφεται. Αυτό το μαγνητικό πεδίο, καθώς περιστρέφεται, παρασύρει και τον δρομέα του κινητήρα - δηλαδή το στρεφόμενο μέρος του κινητήρα - σε περιστροφή. Προφανώς ο δρομέας κινείται προς την ίδια φορά με αυτή του μαγνητικού πεδίου. Άρα για να αλλάξω τη φορά περιστροφής του κινητήρα αρκεί να αλλάξουμε τη φορά περιστροφής του μαγνητικού πεδίου του κινητήρα. Ερώτημα 2: Πως μπορούμε να αλλάξουμε τη φορά περιστροφής του μαγνητικού πεδίου ενός κινητήρα; Θα μάθετε στη Γ Λυκείου, στο μάθημα των Ηλεκτρικών Μηχανών, ότι η φορά του μαγνητικού πεδίου ενός τριφασικού κινητήρα αλλάζει όταν αντιμεταθέσουμε τις δύο από τις τρεις φάσεις τροφοδοσίας του κινητήρα - όταν δηλαδή αλλάξουμε μεταξύ τους οποιεσδήποτε δύο από τις τρεις φάσεις του κινητήρα. Συμπέρασμα : Για να αλλάξω τη φορά περιστροφής ενός τριφασικού κινητήρα, αρκεί να αντιμεταθέσω δύο από τις τρεις φάσεις του κινητήρα. Στο παρακάτω σχήμα φαίνεται ότι αντιμεταθέτουμε τις φάσεις L1 και L3 για να αλλάξουμε την φορά περιστροφής του κινητήρα. Φυσικά θα μπορούσαμε να αντιμεταθέσουμε τις L1 και L2 ή τις L2 και L3. Το αποτέλεσμα θα ήταν το ίδιο. Αν όμως αλλάξουε και τις τρεις φάσεις, το μαγνητικό πεδίο δεν αλλάζει φορά περιστροφής και προφανώς ούτε ο κινητήρας. Ερώτημα 3 : Τι θα συμβεί αν ο κινητήρας επιχειρήσει να περιστραφεί ταυτόχρονα και προς τις δύο φορές - αριστερόστροφα και δεξιόστροφα; Προφανώς θα πρέπει να αποκλείσουμε αυτή την πιθανότητα. Τελικά το πρόβλημα δεν περιορίζεται απλά στην αλλαγή της φοράς περιστροφής του τριφασικού κινητήρα αλλά, επιπρόσθετα, θα πρέπει να αποκλειστεί η πιθανότητα ταυτόχρονης αριστερόστροφης και δεξιόστροφης περιστροφής τυ κινητήρα. Το πρώτο μέρος του προβλήματος - η αλλαγή της φοράς περιστροφής του κινητήρα - λύνεται με το κατάλληλο κύκλωμα ισχύος ενώ το δεύτερο μέρος του προβλήματος - αποκλεισμός ταυτόχρονης αριστερόστροφης και δεξιόστροφης περιστροφής του κινητήρα - λύνεται με το κατάλληλο κύκλωμα ελέγχου. Ανάλυση Κυκλώματος ισχύος Υπενθυμίζουμε ότι προσπαθούμε να κατασκευάσουμε ένα κύκλωμα ισχύος που θα μας επιτρέξει τη δεξιόστροφη και την αριστερόστροφη περιστροφή ενός τριφασικού κινητήρα. Καταρχάς θα πρέπει να επικεντρωθούμε στο μέρος του κυκλώματος που τροφοδοτεί τον κινητήρα μας - δηλαδή στο κύκλωμα ισχύος. Τι συμβαίνει όταν ενεργοποιείται ο ηλεκτρονόμος ΚΜ1; Με ποιον τρόπο δηλαδή συνδέονται οι τρεις φάσεις L1, L2, L3 στον κινητήρα; Και με ποιον τρόπο αλλάζει ή σύνδεση των τριών φάσεων L1, L2, L3 στον κινητήρα όταν ενεργοποιείται ο ηλεκτρονόμος KM2; Να έχετε υπόψη σας ότι μόνο ένας από τους δύο ηλεκτρονόμους μπορεί να λειτουργεί κάθε φορά - αυτό πραγματοποιείται χάρη στο κύκλωμα ελέγχου που θα δούμε στη συνέχεια και συγκεκριμένα χάρη στις επαφές μανδάλωσης. Όπως παρατηρείται στο κύκλωμα ισχύος, όταν μεταβαίνουμε από τον έναν ηλεκτρονόμο στον άλλο, αντιμεταθέτονται δύο από τις τρεις φάσεις της τροφοδοσίας του κινητήρα, που αποτελεί και τον σκοπό του κυκλώματος. Γιατί με αυτόν τον τρόπο μπορούμε να αλλάξουμε τη φορά περιστροφής του κινητήρα. Ανάλυση Κυκλώματος Ελέγχου Ας δούμε τώρα τον τρόπο με τον οποίο μπορούμε να ελέγξουμε το κύκλωμα ισχύος - τον τρόπο, δηλαδή, με τον οποίο μπορούμε να επιλέξουμε αν θα λειτουργεί ο ΚM1 ή ο ΚΜ2 Ηλεκτρονόμος. Υπενθύμιση: η διέγερση και λειτουργία του ΚΜ1 ή του ΚΜ2 Ηλεκτρονόμου καθορίζει τη φορά περιστροφής του κινητήρα. Παρατηρήστε τη λειουργία του κυκλώματος ελέγχου. Συγκεκριμένα προσπαθήστε να εξηγήσετε τι θα συμβεί αν πιέσουμε το μπουτόν S1 η το μπουτόν S2. Ποιος ηλεκτρονόμος θα διεγερθεί κάθε φορά, και πως αυτό θα επηρεάσει τη λειτουργία του κινητήρα - δηλαδή τη λειτουργία του κυκλώματος ισχύος; Ερώτηση: Τι θα συνέβαινε αν στο παραπάνω κύκλωμα ελέγχου δεν υπήρχαν οι βοηθητικές ανοικτές επαφές 13 - 14 των ηλεκτρονόμων ΚΜ1 και ΚΜ2; Ποια λειτουργία δεν θα μπορούσε να πραγματοποιηθεί; Ερώτηση: Τι θα συνέβαινε αν στο παραπάνω κύκλωμα ελέγχου δεν υπήρχαν οι βοηθητικές κλειστές επαφές 11- 12 των ηλεκτρονόμων ΚΜ1 και ΚΜ2; Ποια λειτουργία δεν θα μπορούσε να πραγματοποιηθεί; Δείτε το συνολικό κύκλωμα αυτοματισμού - δηλαδή το κύκλωμα ισχύος που τροφοδοτεί τον κινητήρα και το κύκλωμα ελέγχου που ελέγχει τον κινητήρα Ερώτηση: Τι πρόβλημα θα συμβεί εάν πατηθούν ταυτόχρονα τα μπουτόν start S1 και S2; Δηλαδή παρατηρήστε τον τρόπο που θα συνδεθούν οι φάσεις τροφοδοσίας όταν κλείσουν ταυτόχρονα οι κύριες επαφές και των δύο ηλεκτρονόμων ΚΜ1 και ΚΜ2. Να έχετε υπόψη σας ότι ακόμα και αν έχουμε ηλεκτρική μανδάλωση στο κύκλωμα μας, αν πατηθούν ταυτόχρονα τα δυο μπουτόν start S1 και S2, για απειροελάχιστο χρόνο θα διεγερθούν οι ηλεκτρονόμοι οπότε, για απειροελάχιστο χρόνο, θα κλείσουν οι κύριες επαφές τους. Θα προρούσαμε να τροποποιήσουμε το κύκλωμα ώστε να εξαλείψουμε το συγκεκριμένο πρόβλημα; Υλικά ΕΡΩΤΗΣΕΙΣ 1 . Γιατί θα πρέπει να πατήσουμε το μπουτόν stop πριν αλλάξουμε την φορά περιστροφής του κινητήρα ; Προσπαθήστε να σχεδιάσετε ένα κύκλωμα ελέγχου που να αλλάζει την φορά περιστροφής ενός τριφασικού κινητήρα χωρίς να χρειάζεται πρώτα να σταματήσουμε τον κινητήρα με το μπουτόν stop . 2 . Πως θα επηρεαστεί η λειτουργία του κυκλώματος εάν στη θέση της κλειστής επαφής 11-12 του ηλεκτρονόμου ΚΙΜ χρησιμοποιήσουμε την κλειστή επαφή 11-12 του ηλεκτρονόμου Κ2Μ και αντίστροφα; Αναστοχασμός – Τελικές Ερωτήσεις Πού μπορεί να εφαρμοστεί αυτή η τεχνική σε πραγματικά έργα; Πώς μπορεί να εξελιχθεί το κύκλωμα σε πιο αυτοματοποιημένο σύστημα; Οι ομάδες αξιολογούνται ως προς: Περαιτέρω Μελέτη Tech Tip: Learn How To Properly Reverse the Direction of a Three Phase Motor Using Contactors How to Assemble a Mechanically Interlocked and Reversing Contactor from ABB's A-line Series
Ασκήσεις που πραγματοποιήθηκαν Εκίνηση τριφασικού κινητήρα Εκκίνηση τριφασικού κινητήρα από δύο θέσεις Εκκίνηση δύο κινητήρων Μανδάλωση δύο κινητήρων Εκκίνηση και Αλλαγή φοράς περιστροφής τριφασικού κινητήτα Βαθμός Δυσκολίας Άσκησης: 4
Υλικά Κυκλώματος Ισχύος
Υλικά Κυκλώματος Ελέγχου
ΤΟΜΕΑΣ ΗΛΕΚΤΡΟΛΟΓΙΑΣ, ΗΛΕΚΤΡΟΝΙΚΗΣ ΚΑΙ ΑΥΤΟΜΑΤΙΣΜΟΥ                                                                                                                       1o ΕΠΑΛ ΑΜΑΡΟΥΣΙΟΥ ΤΕΧΝΙΚΟΣ ΗΛΕΚΤΡΟΛΟΓΙΚΩΝ ΣΥΣΤΗΜΑΤΩΝ, ΕΓΚΑΤΑΣΤΑΣΕΩΝ ΚΑΙ ΔΙΚΤΥΩΝ                                                                                                 3ο ΕΚ Β ΑΘΗΝΑΣ (ΑΜΑΡΟΥΣΙΟΥ)
ΕΡΓΑΣΤΗΡΙΟ ΗΛΕΚΤΡΙΚΩΝ ΑΥΤΟΜΑΤΙΣΜΩΝ
Αλλαγή Φοράς Περιστροφής τριφασικού κινητήρα συνδεσμολογημένου σε Τρίγωνο και σε Αστέρα
Γενικός Σκοπός: Οι μαθητές θα κατανοήσουν τη βασική αρχή λειτουργίας ενός τριφασικού κινητήρα και θα ανακαλύψουν, μέσα από πειραματισμό και μεθοδολογία διερεύνησης, πώς επιτυγχάνεται η αντιστροφή της φοράς περιστροφής του. Μαθησιακοί Στόχοι Με το πέρας της δραστηριότητας, οι μαθητές θα: Σχεδιάζουν κύκλωμα για αλλαγή φοράς με δύο ηλεκτρονόμους. Συνειδητοποιούν την ανάγκη αλληλομανδάλωσης για αποφυγή βραχυκυκλώματος. Εργάζονται ομαδικά για τη λύση τεχνικού προβλήματος.
Καθοδηγητικά Ερωτήματα Διερεύνησης Από τι εξαρτάται η φορά περιστροφής ενός τριφασικού κινητήρα; Ποια είναι η διαφορά ανάμεσα σε χειροκίνητη και ηλεκτρική αλλαγή φοράς; Ποια είναι η σωστή σειρά φάσεων για να αλλάξει η φορά; Πώς εξασφαλίζεται ασφάλεια κατά την αλλαγή φοράς; Σε ποιες εφαρμογές απαιτείται αλλαγή φοράς (π.χ. γερανοί, ανελκυστήρες);