ΑΣΥΓΧΡΟΝΟΙ ΤΡΙΦΑΣΙΚΟΙ ΚΙΝΗΤΗΡΕΣ
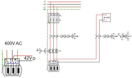
1 . Γενικά Οι ηλεκτρικοί κινητήρες εναλλασσόμενου ρεύματος διακρίνονται σε μονοφασικούς (διαθέτουν μονοφασικό τύλιγμα στο στάτη τους) και τριφασικούς (διαθέτουν τριφασικό τύλιγμα στο στάτη τους). Οι τριφασικοί κινητήρες μπορεί να είναι είτε σύγχρονοι είτε ασύγχρονοι. Γενικά στους σύγχρονους κινητήρες η ταχύτητα περιστροφής του δρομέα είναι ανάλογη της συχνότητας της τάσης τροφοδοτήσεως, κάτι που δεν συμβαίνει με τους ασύγχρονους κινητήρες. Βασικά Χαρακτηριστικά Οι ασύγχρονοι κινητήρες ονομάζονται και επαγωγικοί κινητήρες και διακρίνονται σε δυο κατηγορίες: τους κινητήρες με βραχυκυκλωμένο δρομέα και τους κινητήρες με δακτυλίδια . Οι κινητήρες με βραχυκυκλωμένο δρομέα διακρίνονται στα ακόλουθα τρία είδη: α) Οι κινητήρες με (απλό) τύλιγμα κλωβού. β) Οι κινητήρες διπλού κλωβού. γ) Οι κινητήρες με βαθειά αυλάκια. Οι ασύγχρονοι κινητήρες είναι κινητήρες γενικής χρήσεως. Δηλαδή χρησιμοποιούνται σε κάθε περίπτωση, όπου ειδικές απαιτήσεις δεν επιβάλλουν τη χρησιμοποίηση άλλου τύπου κινητήρα. Ονομάζονται ασύγχρονοι διότι δεν περιστρέφονται με την σύγχρονη ταχύτητα του περιστρεφόμενου μαγνητικού πεδίου . Ονομάζονται επαγωγικοί διότι η τάση στο δρομέα ουσιαστικά επάγεται αντί να προσφέρεται σε αυτό με κάποια ηλεκτρική σύνδεση . Αν και η επαγωγική μηχανή μπορεί να λειτουργεί τόσο ως γεννήτρια όσο και ως κινητήρας, τα μειονεκτήματα στην περίπτωση που λειτουργεί ως γεννήτρια είναι πάρα πολλά κι έτσι σπάνια χρησιμοποιείται μ' αυτόν τον τρόπο. Αυτό έχει σαν αποτέλεσμα όλες οι επαγωγικές μηχανές να χρησιμοποιούνται ως επαγωγικοί κινητήρες . Πλεονεκτήματα Απλή και στιβαρή κατασκευή Χαμηλό κόστος συντήρησης Υψηλή αξιοπιστία Καλή απόδοση Ευκολία εκκίνησης (με ρελέ ή αστέρα-τρίγωνο) Μειονεκτήματα Δύσκολος έλεγχος ταχύτητας (σε σύγκριση με τους σύγχρονους κινητήρες) Ρεύμα εκκίνησης αρκετά υψηλό Πιθανή ανάγκη για προστατευτικά (θερμικά, διακόπτες κ.λπ.) Τυπικές Εφαρμογές Αντλίες Ανεμιστήρες και φυσητήρες Συμπιεστές Μεταφορικές ταινίες Μηχανές κατεργασίας μετάλλου Βιομηχανικοί ανελκυστήρες 2 Κατασκευαστικά μέρη Στάτης Ο προορισμός του στάτη στους ασύγχρονους τριφασικούς κινητήρες είναι : να στηρίζει την ηλεκτρική μηχανή να συντελεί στην τροφοδοσία της μηχανής με την ηλεκτρική ενέργεια του Τριφασικού δικτύου. Τα μέρη που περιλαμβάνει ο στάτης των ΑΤΚ βραχυκυκλωμένου δρομέα είναι: το επαγωγικό τύμπανο που περιλαμβάνει: τον πυρήνα που κατασκευάζεται από πολλά μαγνητικά ελάσματα που αποτελούν το ζύγωμα του κινητήρα το τριφασικό τύλιγμα τοποθετημένο μέσα στα αυλάκια (οδοντώσεις) του πυρήνα τα καπάκια το κιβώτιο ακροδεκτών που έχει τυποποιημένο συμβολισμό ακροδεκτών Το τριφασικό τύλιγμα μπορεί να συνδεθεί με δύο διαφορετικούς τρόπους : α . σε αστέρα β . σε τρίγωνο Η τάση μεταξύ μιας φάσης και ενός ουδετέρου ονομάζεται φασική τάση . Η τάση μεταξύ δύο φάσεων ονομάζεται πολική τάση . Δρομέας Ο προορισμός του δρομέα στους ασύγχρονους τριφασικούς κινητήρες είναι: να βρίσκεται μέσα στο στρεφόμενο μαγνητικό πεδίο του στάτη να δημιουργεί στους αγωγούς του το φαινόμενο της επαγωγής και να περιστρέφεται Τα μέρη που περιλαμβάνει ο δρομέας των ΑΤΚ βραχυκυκλωμένου δρομέα είναι: - ο άξονας - το επαγωγικό τύμπανο που περιλαμβάνει: τον πυρήνα που είναι κατασκευασμένος από ελάσματα σιδηρομαγνητικού υλικού που είναι μονωμένα μεταξύ τους για να αποφεύγονται τα ρεύματα Foucalt. Κατά μήκος της εσωτερικής επιφάνειας του πυρήνα του επαγωγικού τυμπάνου σχηματίζονται αυλάκια μέσα στα οποία τοποθετείται το τύλιγμα του κλωβού. Οι μορφές των οδοντώσεων του επαγωγικού τυμπάνου του δρομέα έχουν άμεση σχέση με τη λειτουργία του κινητήρα Μεταβάλλοντας το βάθος των αυλακιών (όπως επίσης το μέγεθος και τη μορφή τους) επιτυγχάνουμε διαφορετικές τιμές ροπής εκκίνησης και ρεύματος εκκίνησης Το τύλιγμα κλωβού που αποτελείται από: - τις ράβδους που πάνω τους δημιουργείται το φαινόμενο της επαγωγής - τα στεφάνια βραχυκύκλωσης που δια μέσου αυτών κλείνει το ηλεκτρικό κύκλωμα του δρομέα . Ερωτήσεις για διερεύνηση: Γιατί ο δρομέας έχει αυλακώσεις; …………………………………………… Τι υλικό είναι ο πυρήνας του στάτη και γιατί; …………………………………………… Γιατί λέμε «κινητήρας κλωβού»; …………………………………………… 3. Κλάσεις Με τη μεταβολή των χαρακτηριστικών του δρομέα ενός επαγωγικού κινητήρα είναι δυνατή η υλοποίηση μεγάλης ποικιλίας χαρακτηριστικών ροπής-ταχύτητας .Με σκοπό να βοηθήσουν τη βιομηχανία στην επιλογή των κατάλληλων κινητήρων σε διαφορετικές εφαρμογές και για όλο το εύρος ισχύος έχουν θεσπιστεί μια σειρά από τυποποιημένες σχεδιάσεις κινητήρων με διαφορετικές χαρακτηριστικές ροπής -ταχύτητας . Αυτές οι τυποποιημένες σχεδιάσεις ονομάζονται κλάσεις σχεδίασης (design classes) και ένας συγκεκριμένος κινητήρας συνήθως αναφέρεται ως κινητήρας κλάσης Χ. Οι χαρακτηριστικές ιδιότητες καθεμιάς απ' αυτές τις σχεδιάσεις παρουσιάζονται παρακάτω : ΚΛΑΣΗ ΣΧΕΔΙΑΣΗΣ Α .Οι κινητήρες κλάσης Α είναι κινητήρες με τυποποιημένη σχεδίαση που παρουσιάζουν κανονική ροπή εκκίνησης , κανονικό ρεύμα εκκίνησης και χαμηλή ολίσθηση. Η ολίσθηση του κινητήρα κλάσης Α στη λειτουργία υπό πλήρες φορτίο θα πρέπει να είναι μικρότερη από 5% και μικρότερη απ'αυτή του κινητήρα κλάσης Β που παρουσιάζει τις αντίστοιχες προδιαγραφές . Η ροπή ανατροπής είναι 200% έως 300% της ροπής κατά την πλήρη φόρτιση και αντιστοιχεί σε κάποια μικρή τιμή της ολίσθησης (μικρότερηαπό20%). Η ροπή εκκίνησης είναι τουλάχιστον ίση με την ονομαστική ροπή στους μεγάλους κινητήρες και ίση ή μεγαλύτερη από το200% της ονομαστικής ροπής στους μικρούς κινητήρες .Το σημαντικότερο πρόβλημα αυτής της κλάσης σχεδίασης είναι το ιδιαίτερα υψηλό κρουστικό ρεύμα κατά την εκκίνηση. Τα τυπικά ρεύματα εκκίνησης για τέτοιους κινητήρες είναι 500% ως800% του ονομαστικού ρεύματος. Στους κινητήρες τέτοιου είδους με μέγεθος πάνω από 7,5hp θα πρέπει να χρησιμοποιείται κάποια μέθοδος μείωσης της τάσης κατά την εκκίνηση , με σκοπό το σύστημα ισχύος στο οποίο συνδέονται να προστατεύεται από μεγάλες πτώσεις τάσης . Στο παρελθόν οι κινητήρες με σχεδίαση κλάσης Α αποτελούσαν την καθιερωμένη σχεδίαση για εφαρμογές κάτω από τους 7,5hp και πάνω από τους200hp . Όμως στις μέρες μας έχουν αντικατασταθεί από τους κινητήρες κλάσης Β. Τυπικές εφαρμογές αυτών των κινητήρων είναι η οδήγηση ανεμιστήρων, φυσερών, αντλιών, τόρνων και άλλων εργαλειομηχανών . ΚΛΑΣΗ ΣΧΕΔΙΑΣΗΣ Β. Οι κινητήρες κλάσης Β έχουν κανονική ροπή εκκίνησης , μικρότερο ρεύμα εκκίνησης και χαμηλή ολίσθηση. Ένας τέτοιος κινητήρας παράγει σχεδόν την ίδια ροπή με τον κινητήρα κλάσης Α, ενώ το ρεύμα εκκίνησής του είναι περίπου 25% μικρότερο. Η ροπή ανατροπής είναι μεγαλύτερη ή ίση με το 200%της ονομαστικής ροπής φορτίου αλλά μικρότερη απ' αυτή των κινητήρων κλάσης Α λόγω της αυξημένης αντίδρασης δρομέα .Κι εδώ η ολίσθηση στη λειτουργία υπό πλήρες φορτίο παραμένει χαμηλή(μικρότερηαπό5%). Οι εφαρμογές αυτών των κινητήρων είναι παρόμοιες μ' αυτές των κινητήρων κλάσης Α, μόνο που οι κινητήρες κλάσης Β προτιμούνται εξαιτίας του μικρότερου ρεύματος εκκίνησης .Στις σύγχρονες εφαρμογές οι κινητήρες κλάσης Β έχουν πια αντικαταστήσει σε μεγάλο βαθμό τους κινητήρες κλάσης Α. ΚΛΑΣΗ ΣΧΕΔΙΑΣΗΣ Γ. Οι κινητήρες κλάσης Γ παρουσιάζουν μεγάλη ροπή εκκίνησης , μικρό ρεύμα εκκίνησης και χαμηλή ολίσθηση στη λειτουργία υπό πλήρες φορτίο(μικρότερη από 5%). Η ροπή ανατροπής εδώ είναι ελαφρά μικρότερη απ' αυτή των κινητήρων κλάσης Α ,ενώ η ροπή εκκίνησης φτάνει το 250% της ροπής υπό πλήρες φορτίο . Οι κινητήρες αυτού του είδους κατασκευάζονται με διπλό δρομέα κι έτσι είναι ακριβότεροι από τους κινητήρες των προηγούμενων κλάσεων .Τέλος αυτοί οι κινητήρες συνήθως χρησιμοποιούνται σε φορτία που απαιτούν υψηλή ροπή εκκίνησης , όπως οι φορτισμένες αντλίες ,οι συμπιεστές και οι μεταφορείς. ΚΛΑΣΗ ΣΧΕΔΙΑΣΗΣ Δ. Οι κινητήρες κλάσης Δ έχουν πάρα πολύ μεγάλη ροπή εκκίνησης (πάνω από το 275% της ονομαστικής ροπής) και μικρό ρεύμα εκκίνησης , αλλά παρουσιάζουν υψηλή ολίσθηση στη λειτουργία υπό πλήρες φορτίο . Ουσιαστικά πρόκειται για απλούς επαγωγικούς κινητήρες κλάσης Α, που διαθέτουν όμως ράβδους μικρότερης διατομής κατασκευασμένες από υλικό μεγαλύτερης αντίστασης. Η μεγάλη αντίσταση στο δρομέα μετακινεί τη μέγιστη ροπή σε μια πολύ μεγάλη ταχύτητα .Είναι επίσης δυνατή η μετακίνηση της μέγιστης ροπής στη μηδενική ταχύτητα (ολίσθηση100%) Η. ολίσθηση αυτών των κινητήρων στην πλήρη φόρτιση είναι αρκετά υψηλή λόγω της μεγάλης αντίστασης δρομέα που διαθέτουν . Η τυπική τιμή αυτής της oλίσθησης είναι7% ως11%, αλλά μπορεί να φτάσει στο 17% ή και πιo πάνω. Αυτού του είδους οι κινητήρες έχουν εφαρμογή στην επιτάχυνση φορτίων με εξαιρετικά μεγάλη αδράνεια, όπως οι ιδιαίτερα μεγάλοι σφόνδηλοι που χρησιμοποιούνται σε διατρητικές πρέσες ή ψαλίδια. Σε τέτοιες εφαρμογές ο κινητήρας αρχικά επταχύνει βαθμιαία το σφόνδηλο ως τη μέγιστη ταχύτητά του, όπου ο σφόνδηλος αναλαμβάνει την οδήγηση της διατρητικής μηχανής. Μετά τη λειτουργία της διάτρησης ,ο κινητήρας επιταχύνει ξανά το σφόνδηλο για σχετικά μεγάλο διάστημα μέχρι την επόμενη ενεργειά του. Ερώτηση – Αναστοχασμός “Είμαι υπεύθυνος τεχνικός σε ένα εργοστάσιο. Πρέπει να διαλέξω έναν κινητήρα για αντλία με μέτρια ροπή εκκίνησης και χαμηλό θόρυβο. Ποια κλάση (Α–Β–Γ–Δ) και ποια μέθοδος εκκίνησης θα επέλεγα και γιατί;” 4. Αρχή λειτουργίας • Αν δυο ή περισσότερα πηνία τοποθετηθούν σε κατάλληλες θέσεις στο χώρο και τροφοδοτηθούν με εναλλασσόμενη ένταση καθορισμένης διαφοράς φάσης, τότε θα δημιουργηθεί ένα στρεφόμενο μαγνητικό πεδίο. • Στο στάτη εφαρμόζουμε τριφασική συμμετρική εναλλασσόμενη τάση που δημιουργεί συμμετρικές εντάσεις στο στάτη. • Αυτές οι εντάσεις δημιουργούν ένα στρεφόμενο μαγνητικό πεδίο στο στάτη που τέμνει τις σπείρες του δρομέα. • Το στρεφόμενο μαγνητικό πεδίο επάγει τάσεις στις περιελίξεις του δρομέα. Οι περιελίξεις του δρομέα είναι βραχυκυκλωμένες μεταξύ τους και επομένως διαρρέονται από συμμετρικές εντάσεις (αρκετά μεγάλες λόγω της μικρής αντίστασης των περιελίξεων στο δρομέα). • Το στρεφόμενο μαγνητικό πεδίο ασκεί δυνάμεις Laplace στους αγωγούς του δρομέα . • Οι δυνάμεις Laplace αναπτύσσουν ροπή στον δρομέα με αποτέλεσμα αυτός να περιστρέφεται . Ο δρομέας προσπαθεί να φτάσει την ταχύτητα περιστροφής του μαγνητικού πεδίου στο στάτη (αφού η τάση που επάγεται στο δρομέα είναι λόγω της έντασης στο στάτη). Σημείωση: Αν η ταχύτητα περιστροφής του δρομέα είναι η ίδια με την ταχύτητα περιστροφής του μαγνητικού πεδίου στο στάτη, τότε δε θα έχουμε διαφορά ταχύτητας μεταξύ μαγνητικού πεδίου και αγωγών άρα δεν θα έχουμε επαγωγή τάσης στο δρομέα 5. Ολίσθηση Στη λειτουργία του κινητήρα η διαφορά της σύγχρονης ταχύτητας του μαγνητικού πεδίου - ns με την ταχύτητα του δρομέα n - εξαρτάται από το φορτίο που έχει στον άξονά του και αυξάνεται με την αύξηση του φορτίου. Πάντως για το κανονικό φορτίο η διαφορά αυτή είναι μικρή. Ονομάζομε ολίσθηση s το λόγο της διαφοράς της σύγχρονης ταχύτητας του μαγνητικού πεδίου ns με την ταχύτητα του δρομέα n προς τη σύγχρονη ταχύτητα του μαγνητικού πεδίου ns : Η σύγχρονη ταχύτητα με την οποία περιστρέφεται το μαγνητικό πεδίο που δημιουργείται από τον στάτη δίνεται από την σχέση : Δραστηριότητα : πατήστε στον ακόλουθο σύνδεσμο ώστε να υπολογίσετε την Ολίσθηση ενός Κινητήρα: Υπολογισμός Ολίσθησης Ερώτηση για διερεύνηση: Τι σημαίνει ότι ο κινητήρας είναι «ασύγχρονος»; …………………………………………… 6. Ροπή Η ροπή που αναπτύσσετε στον άξονα ενός κινητήρα δίνεται από την σχέση : Όπου : Τ : Η ροπή που αναπτύσσετε στον άξονα ενός κινητήρα (Νm) Ρ : Η αποδιδόμενη ισχύς (W) n : Η ταχύτητα του κινητήρα (στροφές / λεπτό) Δραστηριότητα : πατήστε στον ακόλουθο σύνδεσμο ώστε να υπολογίσετε την Ροπή ενός Κινητήρα: Υπολογισμός Ροπής Κατά την εκκίνηση του κινητήρα η ροπή έχει τιμή Τεκ (ροπή εκκίνησης) . Αυτή αποτελεί τη ροπή εκκίνησης του κινητήρα και μετριέται με σταθεροποιημένο το δρομέα. Όσο αυξάνονται οι στροφές του κινητήρα αυξάνεται και η ροπή του μέχρι μια μέγιστη ροπή Τμεγ που ονομάζεται μέγιστη ροπή ή ροπή ανατροπής .Το διάστημα από την στιγμή της εκκίνησης μέχρι τη στιγμή που ο κινητήρας λαμβάνει την μέγιστη ροπή ονομάζεται διάστημα ασταθούς λειτουργίας . Αν στο διάστημα αυτό συνδεθεί μεγάλο φορτίο στον άξονα του κινητήρα υπάρχει κίνδυνος καταστροφής των τυλιγμάτων του από υπερθέρμανση. Αυτό γίνεται γιατί ουσιαστικά ο κινητήρας βρίσκεται στο στάδιο της εκκίνησής του και απορροφά μεγάλη ένταση ρεύματος από το δίκτυο τροφοδοσίας του. Στην ασταθή περιοχή παρατηρούμε ότι εάν εφαρμοστεί στον κινητήρα μεγάλο φορτίο με αποτέλεσμα να μειωθεί η ταχύτητα του , τότε θα μειωθεί και η ροπή του με αποτέλεσμα ο κινητήρας να μην μπορέσει να ανταποκριθεί στην αύξηση του φορτίου . Στη συνέχεια όσο αυξάνεται η ταχύτητα του κινητήρα , η ροπή του μειώνεται απότομα μέχρι την στιγμή που η ταχύτητα του δρομέα γίνεται ίση με την σύγχρονη ταχύτητα οπότε η ροπή μηδενίζεται , δηλαδή δεν ασκούνται πλέον δυνάμεις Laplace στον δρομέα . Το παραπάνω διάστημα ονομάζεται διάστημα ευσταθούς λειτουργίας . Στην ευσταθή περιοχή παρατηρούμε ότι εάν εφαρμοστεί στον κινητήρα μεγάλο φορτίο με αποτέλεσμα να μειωθεί η ταχύτητα του , τότε θα αυξηθεί η ροπή του με αποτέλεσμα ο κινητήρας να μπορέσει να ανταποκριθεί στην αύξηση του φορτίου . Για αυτό τον λόγο ο κινητήρας πρέπει να εργάζεται στην ευσταθή περιοχή . Επίσης εκτός από την ροπή του κινητήρα εμφανίζεται και η ροπή του φορτίου η οποία ουσιαστικά αντιστέκεται στην ροπή του κινητήρα . Η διαφορά μεταξύ των δύο ροπών ονομάζεται ροπή επιτάχυνσης . Αν η ροπή του κινητήρα είναι μεγαλύτερη από την ροπή του φορτίου τότε η ροπή επιτάχυνσης έχει θετική τιμή και ο κινητήρας επιταχύνει . Αν η ροπή του κινητήρα είναι ίση με την ροπή του φορτίου τότε η ροπή επιτάχυνσης έχει μηδενική τιμή και η ταχύτητα του κινητήρα παραμένει σταθερή . Αν η ροπή του κινητήρα είναι μικρότερη από την ροπή του φορτίου τότε η ροπή επιτάχυνσης έχει αρνητική τιμή και ο κινητήρας επιβραδύνει . Κατά την εκκίνηση , για να μπορέσει να επιταχύνει ο κινητήρας , θα πρέπει η ροπή του να είναι μεγαλύτερη από την ροπή του φορτίου. Ο κινητήρας θα συνεχίσει να επιταχύνεται όσο η ροπή του είναι μεγαλύτερη από την ροπή του φορτίου . Το σημείο στο οποίο η ροπή του κινητήρα είναι ίση με την ροπή του φορτίου ονομάζεται σημείο λειτουργίας Λ . Σε αυτό το σημείο ο κινητήρας ούτε επιταχύνει ούτε επιβραδύνει αλλά περιστρέφεται με σταθερή ταχύτητα. 7 Τάση Λειτουργίας Μπορεί ένας κινητήρας να συνδεθεί τόσο σε αστέρα όσο και σε τρίγωνο όταν τροφοδοτείται από κάποιο συγκεκριμένο δίκτυο; Ή μήπως ο τρόπος συνδεσμολογίας των τυλιγμάτων του κινητήρα θέτει περιορισμούς στην τάση τροφοδότησης του; Για παράδειγμα, αν το δίκτυο των 230 / 400 V τροφοδοτήσει τριφασικό κινητήρα συνδεσμολογημένο σε αστέρα, τότε κάθε τύλιγμα θα βρίσκεται υπό τάση 230 V, ενώ όταν το ίδιο δίκτυο τροφοδοτήσει τον ίδιο κινητήρα του οποίου όμως τα τυλίγματα είναι συνδεσμολογημένα σε τρίγωνο, τότε κάθε τύλιγμα θα βρίσκεται υπό τάση 400 V. Αν λοιπόν το κάθε τύλιγμα του συγκεκριμένου κινητήρα λειτουργεί στα 230 V, τότε ο κινητήρας θα πρέπει να συνδεσμολογηθεί σε αστέρα ενώ αν το κάθε τύλιγμα του συγκεκριμένου κινητήρα λειτουργεί στα 400 V, τότε ο κινητήρας θα πρέπει να συνδεσμολογηθεί σε τρίγωνο. Άρα ο τρόπος συνδεσμολογίας των τυλιγμάτων του κινητήρα θέτει περιορισμούς στην τάση τροφοδότησης του. Αυτή η πληροφορία φαίνεται στο ταμπελάκι κάθε τριφασικού κινητήρα. Συγκεκριμένα υπάρχει μια ένδειξη Δ/Υ που ακολουθείται από δυο τιμές τάσεις, π.χ. 220 /380 V. Η πρώτη τάση είναι η ενδεδειγμένη του κινητήρα αν αυτός συνδεθεί σε συνδεσμολογία τριγώνου ενώ η δεύτερη τάση είναι η ενδεδειγμένη του κινητήρα αν αυτός συνδεθεί σε συνδεσμολογία αστέρα Στο παρακάτω πινακάκι φαίνονται διάφορα παραδείγματα σωστής συνδεσμολογίας των τυλιγμάτων κινητήρα. Παρατηρούμε ότι σε κάποιες περιπτώσεις ο κινητήρας θα πρέπει να συνδεθεί σε αστέρα, σε κάποιες περιπτώσεις σε τρίγωνο ενώ σε κάποιες περιπτώσεις δεν μπορεί να συνδεθεί ούτε σε αστέρα ούτε σε τρίγωνο. Δραστηριότητα : Αν έχεις δίκτυο 400 V και κινητήρα 400/690 V, πώς θα τον συνδέσεις; …………………………………………………………………… ………………………………………………………………………………………………………………………………………… 8. Εκκίνηση Οι επαγωγικοί κινητήρες δεν παρουσιάζουν κατά την εκκίνηση τους τα προβλήματα των σύγχρονων κινητήρων. Σε πολλές περιπτώσεις η εκκίνηση των επαγωγικών κινητήρων επιτυγχάνεται απλά με τη σύνδεση τους στο δίκτυο ισχύος. Όμως, πολλές φορές υπάρχουν σοβαροί λόγοι για να μη γίνεται κάτι τέτοιο. Μπορεί, για παράδειγμα, το ρεύμα εκκίνησης, που απαιτείται, να προκαλεί τέτοια πτώση τάσης στο δίκτυο ισχύος, που να κάνει ανεπίτρεπτη την απλή εκκίνηση με απευθείας σύνδεση στη γραμμή . Στους κινητήρες βραχυκυκλωμένου κλωβού το ρεύμα εκκίνησης παίρνει μεγάλο εύρος τιμών και εξαρτάται κυρίως από την ονομαστική ισχύ του κινητήρα και από την ενεργό αντίσταση του δρομέα στις συνθήκες εκκίνησης. Το πραγματικό μέγεθος του ρεύματος εκκίνησης , εξαρτάται από τον τύπο των ράβδων του κλωβού ,την ονομαστική ιπποδύναμη και την εφαρμοζόμενη τάση. Ο τύπος των ράβδων του κλωβού ,αναφέρεται με κάποια κωδική ονομασία (δεν πρέπει να συγχέεται με το γράμμα που προσδιορίζει την κλάση) πάνω στην ετικέτα χαρακτηριστικών του κινητήρα. Αν είναι απαραίτητο, το ρεύμα εκκίνησης ενός επαγωγικού κινητήρα μπορεί να μειωθεί με τη χρήση κάποιου κυκλώματος εκκίνησης. Όμως, αν εισαχθεί ένα τέτοιο κύκλωμα, μειώνεται επίσης η ροπή εκκίνησης του κινητήρα. Σημείωση : Εδώ πρέπει να γίνει κατανοητό το ότι, ενώ το ρεύμα εκκίνησης μειώνεται ανάλογα με τη μείωση της τάσης εισόδου, η ροπή εκκίνησης μειώνεται με το τετράγωνο της τάσης στα άκρα του κινητήρα. Έτσι, η ελάττωση του ρεύματος εκκίνησης μπορεί να πραγματοποιηθεί μόνο για ένα συγκεκριμένο ποσοστό, αν ο κινητήρας πρέπει να ξεκινά με κάποιο φορτίο στον άξονα του. Οι τρόποι εκκίνησης ενός ασύγχρονου κινητήρα βραχυκυκλωμένου δρομέα είναι: Απευθείας εκκίνηση σε πλήρη τάση δικτύου. Εκκίνηση με αστέρα- τρίγωνο. Εκκίνηση με αντιστάσεις στο τύλιγμα του στάτη. Εκκίνηση με αυτομετασχηματιστή Εκκίνηση με ηλεκτρονικό εκκινητή Απευθείας εκκίνηση: Κατά τη μέθοδο ο, στάτης του κινητήρα συνδέεται απευθείας στο δίκτυο. Όταν Θέσουμε σε λειτουργία τον κινητήρα απορροφάει στιγμιαία ένα μεγάλο ρεύμα εκκίνησης (Ιεκ) το οποίο είναι τέσσερις έως οχτώ φορές μεγαλύτερο από το ονομαστικό ρεύμα (Ιον) δηλ. Ιεκ=(4-8)* Ιον. Η μέθοδος είναι ιδανική απ' τη στιγμή που το ρεύμα αυτό δεν μας δημιουργεί προβλήματα και η αρχική ροπή εκκίνησης είναι επαρκής για να κινήσει τον κινητήρα. Συνήθως η, ροπή κατά τη διάρκεια της εκκίνησης είναι μεγαλύτερη από την ονομαστική ροπή και γίνεται ακόμα μεγαλύτερη όταν ο κινητήρας φθάσει περίπου στο 80% της ταχύτητας του ενώ ταυτόχρονα το ρεύμα εκκίνησης έχει μειωθεί αισθητά. Αυτή η μέθοδος προϋποθέτει η εκκίνηση των μηχανών να γίνεται σε πλήρες φορτίο και χρησιμοποιείται για μηχανές μικρής και μεσαίας ισχύος. Εκκίνηση με αστέρα- τρίγωνο Αντιστάσεις στο στάτη: Με αυτή τη μέθοδο εκκίνησης προσθέτουμε σε σειρά με τα τυλίγματα του στάτη συμμετρικές αντιστάσεις , ώστε δημιουργώντας πτώση τάσης σε αυτές τις αντιστάσεις να εφαρμόζεται μικρότερη τάση στον κινητήρα και να περιορίζεται το ρεύμα εκκίνησης . Προοδευτικά , καθώς αυξάνεται η ταχύτητα του κινητήρα (και μειώνεται το ρεύμα του ) ελαττώνουμε τις αντιστάσεις εκκίνησης μέχρι ο κινητήρας να αποκτήσει την ονομαστική του ταχύτητα και το ονομαστικό του ρεύμα . Η μέθοδος αυτή χρησιμοποιείται για μηχανές φορτίου με αυξανόμενη ροπή ή ροπή γύρω στο μισό της ονομαστικής ροπής που περιέχουν μεγάλη αδράνειας μηχανές Με αυτομετασχηματιστή: Ο κινητήρας τροφοδοτείται με μεταβαλλόμενη τάση μέσω ενός αυτομετασχηματιστή ο οποίος βγαίνει εκτός κυκλώματος και συνδέεται ο κινητήρας με το δίκτυο όταν η ταχύτητα του φθάσει περίπου το 80% της ονομαστικής . Εκκίνηση με ηλεκτρονικό εκκινητή Ο Ηλεκτρονικός Εκκινητής επιτρέπει τον έλεγχο της εκκίνησης του κινητήρα Ανάλογα με τη ροπή του φορτίου, προσαρμόζει την τάση του κινητήρα πετυχαίνοντας βέλτιστη εκκίνηση, τόσο από άποψη ροπής όσο και ρεύματος Δραστηριότητα : Σύγκρινε και αποφάσισε ποια μέθοδος έχουμε το υψηλότερο ρεύμα εκκίνησης; ………………………………………………………… Ποια μέθοδος είναι πιο “ομαλή”; Ποια μειώνει τη ροπή εκκίνησης; ………………………………………………………………………………………………………… 9. Αλλαγή φοράς περιστροφής Για να αλλάξουμε φορά περιστροφής σένα κινητήρα πρέπει να αλλάξουμε την φορά περιστροφής του στρεφόμενου μαγνητικού πεδίου. Για να αλλάξουμε την φορά περιστροφής του στρεφόμενου μαγνητικού πεδίου αρκεί να αντιμεταθέσουμε δύο από τις τρεις φάσεις L1 , L2 , L3 . 10. Πέδηση Πέδηση ονοµάζεται η διαδικασία επιβράδυνσης, µείωσης της ταχύτητας, ενός ηλεκτρικού κινητήρα Μηχανική Μια μηχανική πέδη γενικά αποτελείται από δύο επιφάνειες τριβής (σιαγόνες) οι οποίες είναι κατασκευασμένες έτσι ώστε να αγκαλιάζουν ένα τύμπανο συνδεμένο στον άξονα του κινητήρα. Η ένταση του ελατηρίου κρατάει τις σιαγόνες πάνω στο τύμπανο και επέρχεται η πέδηση σαν αποτέλεσμα της τριβής μεταξύ των σιαγόνων και του τυμπάνου .Ένας σωληνοειδής μηχανισμός απαιτείται για να απελευθερώνει τις σιαγόνες. Παρουσιάζουν συχνές φθορές και απαιτείται μεγάλος χρόνος πέδησης. Ελεύθερη Διακόπτουμε την τάση τροφοδοσίας και ο κινητήρας σταματά μετά από αρκετό χρόνο , λόγω τριβών , χωρίς όμως καταπονήσεις . Ομαλή: Διακόπτεται βαθμιαία η τάση τροφοδοσίας προς αποφυγή απότομης παύσης λειτουργίας (π.χ σε αντλίες, μεταφορικές ταινίες, γερανούς). Δυναμική Αφαιρούμε την τριφασική τροφοδοσία από τον στάτη και τον τροφοδοτούμε με συνεχή τάση. Πλέον ο ΑΤΚ μετατρέπεται σε εναλλακτήρα (επειδή ο δρομέας περιστρέφεται μέσα σε σταθερό μαγνητικό πεδίο), οπότε παράγει ηλεκτρική ενέργεια. Άρα η μηχανική του ενέργεια μετατρέπεται σε ηλεκτρική με αποτέλεσμα η μηχανική του ενέργεια συνεχώς να μειώνεται (άρα μειώνεται και η ταχύτητα του) μέχρι που μηδενίζεται (άρα μηδενίζεται και η ταχύτητα) Η μέθοδος αυτή επιλέγεται όταν έχουμε μηχανές με μεγάλη αδράνεια. Αναστροφή της φοράς του στρεφόμενου μαγνητικού πεδίου Αντιμεταθέτοντας τις δύο από τις τρεις φάσεις ενός ασύγχρονου κινητήρα τριφασικού ουσιαστικά αλλάζουμε την φορά του στρεφόμενου μαγνητικού πεδίου το οποίο παρασύρει σε περιστροφή τον δρομέα . Μειονέκτημα της μεθόδου αποτελεί η καταπόνηση της μηχανής λόγω των μεγάλων ρευμάτων στάτη και δρομέα , τα οποία μπορούμε να τα μειώσουμε με την παρεμβολή αντιστάσεων. Για το καλύτερο σταμάτημα του κινητήρα χρειάζεται ένας αισθητήρας ταχύτητας, για να αποσυνδεθεί ο κινητήρας από το δίκτυο, μόλις οι στροφές φτάσουν κοντά στο μηδέν. Διαφορετικά ο κινητήρας θα αλλάξει φορά περιστροφής. Παρατηρήσεις – Κίνδυνοι Η υπερθέρμανση από την πέδηση είναι σοβαρό ζήτημα. Χρειάζονται θερμικά προστασίας, ειδικά στις απότομες ή συχνές πεδήσεις. Τα inverters νέας τεχνολογίας μπορούν να ενσωματώνουν λειτουργίες πέδησης με ασφάλεια και ελέγχο. Πριν διαλέξουμε μέθοδο εκκίνησης, εξετάζουμε: Το μέγεθος και τύπο του φορτίου Την ισχύ και συνδεσμολογία του κινητήρα Τη δυνατότητα του δικτύου να αντέξει ρεύματα εκκίνησης Τις ανάγκες ρύθμισης ταχύτητας ή προστασίας 11. Απώλειες Τροφοδοτούμε με ηλεκτρική ισχύ το τύλιγμα του στάτη , που αποτελεί την ισχύ εισόδου της μηχανής (Ρ1) . Ένα μέρος της ηλεκτρικής ισχύος καταναλώνεται στα τυλίγματα του στάτη υπό την μορφή θερμότητας λόγω του ρεύματος που το διαρρέει (απώλειες χαλκού του στάτη Ρχσ) . Κατόπιν καταναλώνεται ένα μέρος της υπόλοιπης ισχύος κατά την αναδιάταξη των μαγνητικών διπόλων του πυρήνα σε κάθε ημιπερίοδο της τάσης (απώλειες υστέρησης) καθώς και σε θερμικές απώλειες που δημιουργούνται στο μέταλλο του πυρήνα λόγω των επαγωγικών ρευμάτων που δημιουργούνται σε αυτό (απώλειες δινορευμάτων) . Οι απώλειες υστέρησης και οι απώλειες δινορευμάτων ονομάζονται μαγνητικές απώλειες επειδή προέρχονται από το μαγνητικό πεδίο . Επίσης ονομάζονται και απώλειες σιδήρου επειδή αναπτύσσονται στο σιδερένιο πυρήνα της μηχανής (Ρσ ) . Η ισχύς που απομένει , μεταφέρεται στο δρομέα της μηχανής περνώντας από το διάκενο που υπάρχει μεταξύ του στάτη και του δρομέα . Ένα μέρος της ηλεκτρικής ισχύος καταναλώνεται στα τυλίγματα του δρομέα υπό την μορφή θερμότητας λόγω του ρεύματος που το διαρρέει (απώλειες χαλκού δρομέα Ρχδ). Η ισχύς που απομένει μετατρέπεται από ηλεκτρική ισχύ σε μηχανική ισχύ περιστρέφοντας τον δρομέα . Από αυτή την ισχύ αφαιρούνται οι απώλειες τριβής του άξονα και του αερισμού της φτερωτής της μηχανής (μηχανικές απώλειες Ρμ). Το υπόλοιπο ποσό της μηχανικής ισχύος αποτελεί την μηχανική ισχύ της μηχανής που αναπτύσσεται στον άξονα της (Ρ) . Πρόκειται για την ισχύ που καταναλώνεται κατά την αναδιάταξη των μαγνητικών διπόλων του πυρήνα σε κάθε ημιπερίοδο της τάσης Πρόκειται για θερμικές απώλειες που δημιουργούνται στο μέταλλο του πυρήνα λόγω των επαγωγικών ρευμάτων που δημιουργούνται σε αυτό . Δραστηριότητα : πατήστε στον ακόλουθο σύνδεσμο ώστε να υπολογίσετε τις απώλειες ενός Κινητήρα: Απώλειες Κινητήρα Υπολογισμός Απωλειών χαλκού δρομέα (ηλεκτρικές απώλειες δρομέα) Πείραμα με κινητήρα χωρίς φορτίο Σχέδιο Πείραματος – Περιγραφή Σύνδεση Συνδέεται ο κινητήρας σε τριφασική παροχή υπό ονομαστική τάση (π.χ. 400 V), χωρίς μηχανικό φορτίο στον άξονα. Οργάνωση: αμπερόμετρο σε κάθε φάση ή γενικά, βολτόμετρο για κάθε φάση, βαττόμετρο Λειτουργία Βάλε τον κινητήρα σε λειτουργία. Αφού σταθεροποιηθεί, καταγράφε τρεις μετρήσεις: V (φάση), I (ρεύμα), Pin0 (ισχύς εισόδου), και στροφές (n). Ανάλυση Η καταγεγραμμένη Pin0 ισούται περίπου με τις απώλειες σιδήρου και μηχανικές απώλειες (PFe+Pm). Σημείωση: Σε κατάσταση χωρίς φορτίο ο δρομέας λαμβάνει ελάχιστο ρεύμα --> οι απώλειες χαλκού δρομέα θεωρούνται αμελητέες σε αυτή τη φάση. Πείραμα με ακινητοποιημένο δρομέα Σημείωση: Το πείραμα πρέπει να γίνεται πολύ προσεκτικά γιατί οι τάσεις και τα ρεύματα είναι υψηλά. Χρησιμοποιείται μικρή τάση για αποφυγή υπερθέρμανσης. Τελική δραστηριότητα – Αναστοχασμός & σύνδεση Επίλεξε ένα πραγματικό παράδειγμα εφαρμογής (π.χ. αντλία, ανεμιστήρας, μεταφορική ταινία). Τι κλάση κινητήρα θα απαιτούσε; ποια μέθοδο εκκίνησης; ποια συνδεσμολογία τάσης;
ΤΟΜΕΑΣ ΗΛΕΚΤΡΟΛΟΓΙΑΣ, ΗΛΕΚΤΡΟΝΙΚΗΣ ΚΑΙ ΑΥΤΟΜΑΤΙΣΜΟΥ                                                                                                                       1o ΕΠΑΛ ΑΜΑΡΟΥΣΙΟΥ ΤΕΧΝΙΚΟΣ ΗΛΕΚΤΡΟΛΟΓΙΚΩΝ ΣΥΣΤΗΜΑΤΩΝ, ΕΓΚΑΤΑΣΤΑΣΕΩΝ ΚΑΙ ΔΙΚΤΥΩΝ                                                                                                 3ο ΕΚ Β ΑΘΗΝΑΣ (ΑΜΑΡΟΥΣΙΟΥ)
Σκοπός του Κεφαλαίου Όταν θα έχετε ολοκληρώσει τη μελέτη του κεφαλαίου, θα είστε σε θέση: Γνωστικοί Στόχοι 1. Να περιγράφετε και να διατυπώνετε τα χαρακτηριστικά του τριφασικού ρεύματος 2.Να περιγράφετε και να διατυπώνετε τις σχέσεις μεταξύ πολικών και φασικών μεγεθών 3.Να απαριθμείτε τις απαραίτητες συνθήκες για τη δημιουργία του στρεφόμενου μαγνητικού πεδίου 4.Να περιγράφετε και να διατυπώνετε την αρχή λειτουργίας των Α.Τ.Κ. 5.Να απαριθμείτε τα είδη των Α.Τ.Κ. 6.Να περιγράφετε τις χαρακτηριστικές ροπής στρέψης 7.Να απαριθμείτε τα βασικά μέρη από τα οποία αποτελούνται οι Α.Τ.Κ.Β.Δ. 8.Να αιτιολογείτε την τάση λειτουργίας των Α.Τ.Κ.Β.Δ. 9.Να περιγράφετε τους τρόπους εκκίνησης των Α.Τ.Κ.Β.Δ. 10.Να περιγράφετε τους τρόπους πέδησης των Α.Τ.Κ.Β.Δ. 11.Διαχωρίσει τις διαφορές μονοφασικών / τριφασικών & σύγχρονων / ασύγχρονων κινητήρων 12.Να αντιληφθείτε τον ρόλο της τάσης λειτουργίας και των συνδεσμολογιών Δ/Υ Συναισθηματικοί Στόχοι (Στάσεις) 13. Ο μαθητής θα αναπτύσσει ενδιαφέρον για τις εφαρμογές των ασύγχρονων τριφασικών κινητήρων στη βιομηχανία, 14. Ο μαθητής θα επιδεικνύει υπευθυνότητα απέναντι στην κατανόηση και ασφάλεια, Ψυχοκινητικοί Στόχοι (Δεξιότητες) 15. Ο μαθητής θα μπορεί να σχεδιάζει σκαρίφημα στάτη και δρομέα ενός βραχυκυκλωμένου ασύγχρονου τριφασικού κινητήρα, 16. Ο μαθητής θα μπορεί να υπολογίζει την ταχύτητα περιστροφής (synchronous speed) και ολίσθηση,
Ροπή αναπτύσσεται σε έναν άξονα όταν περιστρέφεται υπό την επίδραση μιας δύναμης Τ = F * r Μονάδα μέτρησης: Ν m
Λειτουργία Ηλεκτρονικού Εκκινητή Το εξάρτημα θυρίστορ είναι ημιαγωγός και επομένως κάποτε συμπεριφέρεται σαν καλώς αγωγός και κάποτε σαν κακός αγωγός Για να ενεργοποιηθεί το θυρίστορ πρέπει να έχουμε ρεύμα στην πύλη Η τροφοδοσία του κινητήρα γίνεται με την προοδευτική αύξηση της τάσης του κινητήρα . Η τάση μεταβάλλεται με τη μεταβολή της γωνίας έναυσης των θυρίστορ σε κάθε περίοδο του ρεύματος Προγραμματισμός Ηλεκτρονικού Εκκινητή Με το χειριστήριο επιλέγονται τα ακόλουθα: Ο τρόπος εκκίνησης του κινητήρα Ο χρόνος εκκίνησης και παύσης λειτουργίας Η ενεργοποίηση της αυτόματης επανεκκίνησης μετά από σφάλμα Η εφαρμοσμένη αρχική τάση κατά την έναρξη της εκκίνησης Η προστασία έναντι σφάλματος στη διαδοχή των φάσεων (φορά περιστροφής)
Μαγνητική Πέδη με σιαγόνες Σε μια μαγνητική λειτουργούσα πέδη οι σιαγόνες κρατιούνται σε ελεύθερη θέση με ένα μαγνήτη, τόσο χρόνο όσο το μαγνητικό πεδίο είναι ενεργοποιημένο. Εάν σε κάποια στιγμή ένα σφάλμα διακόψει την ισχύ ή υπάρχει απώλεια ισχύος τότε οι σιαγόνες εφαρμόζονται ακαριαία και δίνουν ένα γρήγορο σταμάτημα. Τα άκρα του πηνίου μιας μαγνητικής πέδης εναλλασσομένου ρεύματος συνδέονται κανονικά στα άκρα του κινητήρα. Μόλις τα άκρα του κινητήρα πάρουν τάση, αμέσως ενεργοποιείται το πηνίο της πέδης και απελευθερώνει το τύμπανο από τις σιαγόνες. Οι μαγνητικές πέδες δίνουν ένα ομαλό σταμάτημα το οποίο κάνει αυτές ιδιαίτερα εναρμονισμένες σε υψηλής αδράνειας φορτία.
Κλάση Α’ : Έχουν τυλίγματα απλού κλωβού με μεγάλο ρεύμα εκκίνήσεως. Κλάση Β’: Διαθέτουν τυλίγματα διπλού κλωβού με βαθιά αυλάκια ώστε, διαθέτοντας τυλίγματα μεγαλύτερης αντίδρασης να μειώνεται το ρευμα εκκινήσεως. Κλάση Γ’: Ο δρομέας αποτελείται από τυλίγματα διπλού κλωβού έχοντας μεγαλύτερη αντίσταση από τις κλάσεις «Α»& «Β». Κλάση Δ΄: Αποτελούνται από τυλιγμα απλού κλωβού με ορειχάλκινες ράβδους μικρότερης διατομής παρουσιάζοντας μεγαλύτερη αντίσταση. Αναπτύσσουν μεγάλη ροπή και μικρό ρεύμα εκκίνησης
Ας πάρουμε ένα παράδειγμα που ο κινητήρας γράφει 230/400 Δ/Υ Η πρώτη τάση 230 που αναγράφεται αντιστοιχεί στη συνδεσμολογία Δ. Αν δηλαδή έχουμε πολική τάση (μεταξύ δύο φάσεων) πρέπει να συνδέσουμε τον κινητήρα τρίγωνο. Αυτήν την τάση μπορούμε να την έχουμε από έναν μικρής ισχύος inverter. Η δεύτερη τάση 400 που αναγράφεται αντιστοιχεί στη συνδεσμολογία Υ. Αν δηλαδή έχουμε πολική τάση (μεταξύ δύο φάσεων) 400V, όπως στο δίκτυο της ΔΕΗ, πρέπει να συνδέσουμε τον κινητήρα σε Αστέρα. Ας πάρουμε ένα άλλο παράδειγμα που ο κινητήρας γράφει 400/700 Δ/Υ Η πρώτη τάση 400 που αναγράφεται αντιστοιχεί στη συνδεσμολογία Δ Αν δηλαδή έχουμε πολική τάση (μεταξύ δύο φάσεων) όπως στο δίκτυο της ΔΕΗ πρέπει να συνδέσουμε τον κινητήρα τρίγωνο. Η δεύτερη τάση 700 που αναγράφεται αντιστοιχεί στη συνδεσμολογία Υ. Αν δηλαδή έχουμε πολική τάση (μεταξύ δύο φάσεων) 700V, όπως στην περίπτωση μιας γεννήτριας, πρέπει να συνδέσουμε τον κινητήρα σε Αστέρα. Ας δουμε τις ακόλουθες 2 ταμπέλες Έχουμε συνδεσμολογία τυλιγμάτων: 415 Δ Δηλαδή στα 50 Hz έχουμε συνδεσμολογία τυλιγμάτων:220- 240/380-420 Δ/Υ και στα 60 Hz έχουμε συνδεσμολογία τυλιγμάτων:250-280/440-480 Δ/Υ
Σύστημα μηχανικής Πέδης με ελατήρια και δίσκους τριβής Τα πιο σύγχρονα συστήματα μηχανικής πέδης περιέχουν αντί για σιαγόνες και τύμπανο, συστήματα με ελατήρια και δίσκους τριβής (fermouit) και ο ηλεκτρομαγνήτης μπορεί να είναι AC ή DC. Επίσης έχουν και μοχλό απελευθέρωσης του φρένου. Ο δίσκος φρένου συναρμολογείται στο άκρο του άξονα του ηλεκτροκινητήρα. Όταν η ισχύς παρέχεται στον κινητήρα, η μαγνητική δύναμη απορροφά τον οπλισμό και πιέζει τα ελατήριο. Έτσι ο δίσκος αποσυνδέεται του οπλισμού και τότε ο κινητήρας αρχίζει να περιστρέφεται ομαλά . Όταν η παροχή ρεύματος διακοπεί, δεν ασκείται μαγνητική δύναμη και ο οπλισμός ωθείται από το ελατήριο, συμπιέζει το δίσκο του φρένου, δημιουργώντας έτσι μια δράση πέδησης.
Αυτοματισμός Δυναμικής Πέδης
Στάτης : Παράγει το περιστρεφόμενο μαγνητικό πεδίο Ο Στάτης είναι το μόνο στοιχείο του Α.Τ.Κ.Β.Δ. που συνδέεται ηλεκτρικά με το δίκτυο Κατασκευάζεται από πολλά μαγνητικά ελάσματα στα οποία σχηματίζονται αυλάκια ώστε να τοποθετηθεί το τριφασικό τύλιγμα που δημιουργεί το στρεφόμενο μαγνητικό πεδίο.
Δρομέας (κλωβός): Επαγωγικά διεγείρεται και περιστρέφεται. Το τύλιγμα του δρομέα αποτελείται από μεταλλικές ράβδους (χάλκινες ή ορειχάλκινες) που τοποθετούνται με χύτευση μέσα σε κατάλληλα αυλάκια και βραχυκυκλώνονται από δύο δακτυλίδια
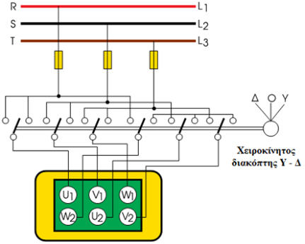
Ποιοι κινητήρες μπορούν να συνδεθούν με διακόπτη αστέρα τριγώνου Υ/Δ Για να συνδεθεί ένας τριφασικός κινητήρας στο δίκτυο, πρέπει η πολική τάση του δικτύου να συμπίπτει με μια από τις τάσεις λειτουργίας του κινητήρα, οι οποίες αναγράφονται στο ταμπελάκι του.
Πέδηση με Επανασύνδεση σε Συνεχές Ρεύμα (DC Braking) Αφού διακοπεί η παροχή AC, εφαρμόζεται DC ρεύμα στο στάτη. Δημιουργείται σταθερό μαγνητικό πεδίο --> αναπτύσσεται ροπή πέδησης μέσω του δρομέα. Δεν απαιτεί αλλαγή φοράς περιστροφής. Πολύ συχνά χρησιμοποιούμενη μέθοδος, ειδικά με inverters (VFDs). Πλεονέκτημα : πιο ήπια επιβράδυνση χωρίς ισχυρά ρεύματα.
Ηλεκτρική Πέδηση με Αντιστροφή Φάσεων (Plugging) Αλλάζει η σειρά των φάσεων στην παροχή, δημιουργώντας αντίστροφη ροπή. Ο κινητήρας προσπαθεί να περιστραφεί προς την αντίθετη κατεύθυνση --> απότομη επιβράδυνση. Πολύ αποτελεσματική, αλλά παράγει μεγάλα ρεύματα και θερμότητα. Χρειάζεται κατάλληλο κύκλωμα προστασίας (θερμικά, χρονοδιακόπτες, ρελέ). Πλεονέκτημα : Χρήσιμη σε έκτακτες καταστάσεις που απαιτείται άμεση ακινητοποίηση.
Μηχανική Πέδηση Χρήση φυσικής τριβής (π.χ. με δισκόφρενα ή τυμπάνια). Συχνά συνδυάζεται με ηλεκτρική πέδηση για ασφάλεια ή σε περίπτωση διακοπής ρεύματος. Χρήσιμη όπου απαιτείται κράτηση σε στάση (π.χ. γερανοί).
Η ροπή στρεπτική ροπή) ενός ασύγχρονου τριφασικού κινητήρα είναι ένα από τα πιο σημαντικά χαρακτηριστικά που καθορίζουν την απόδοσή του. Η ροπή αντιπροσωπεύει τη δυνατότητα του κινητήρα να περιστρέφει ένα φορτίο και εκφράζεται σε Νm (Newton x μέτρο). Τι είναι η ροπή; Η ροπή σε έναν κινητήρα είναι το μέτρο της μηχανικής δύναμης περιστροφής που παράγεται από την ηλεκτρομαγνητική αλληλεπίδραση μεταξύ του στάτη και του δρομέα. Καμπύλη Ροπής - Ολίσθησης Η σχέση μεταξύ ροπής και ολίσθησης (s) είναι βασική για την κατανόηση της συμπεριφοράς του κινητήρα. Καμπύλες Απόδοσης (ενδεικτικά) Η ροπή αυξάνεται σχεδόν γραμμικά με το φορτίο. Η ταχύτητα πέφτει ελαφρά με την αύξηση του φορτίου. Η απόδοση μεγιστοποιείται στο 75-100% του φορτίου. Σημεία καμπύλης ροπής Ροπή εκκίνησης (Starting Torque) --> Η ροπή όταν ο κινητήρας ξεκινά (s ≈ 1) Ροπή ελάχιστη (Pull-up Torque)--> Η χαμηλότερη ροπή κατά την επιτάχυνση Ροπή μέγιστη (Breakdown Torque) -->Η μέγιστη ροπή που μπορεί να αποδώσει πριν «κολλήσει» Ροπή λειτουργίας (Rated Torque) --> Η ροπή σε ονομαστική ταχύτητα (s ≈ 0,02-0,06) Τι επηρεάζει τη ροπή; Τάση λειτουργίας: Μείωση της τάσης --> μείωση της ροπής. Συχνότητα: Με αύξηση της συχνότητας αυξάνεται η σύγχρονη ταχύτητα --> αλλάζει η ροπή. Κατασκευή του δρομέα (π.χ. βαρέως τύπου, διπλού κλωβού). Μέθοδος εκκίνησης (άμεση, αστέρα-τρίγωνο, soft starter, inverter). Φορτίο: Η απαιτούμενη ροπή του φορτίου επηρεάζει τη συμπεριφορά εκκίνησης και σταθεροποίησης. Παραδείγματα Ροπής Αντλία νερού --> Σταθερή ροπή Ανεμιστήρας --> Ροπή αυξάνεται με το τετράγωνο της ταχύτητας Γερανός -->Υψηλή ροπή εκκίνησης Τόρνος --> Υψηλή ροπή σε χαμηλές στροφές Χρήσιμη Παρατήρηση Η καλή σχεδίαση του κινητήρα πρέπει να εξασφαλίζει ότι η ροπή σε όλες τις φάσεις λειτουργίας είναι επαρκής για το φορτίο, χωρίς υπερβολική κατανάλωση ρεύματος ή θερμικά προβλήματα. Γενική Μορφή καμπύλης Ροπής - Ολίσθησης Το παραπάνω διάγραμμα δείχνει τη σχετική ροπή ενός ασύγχρονου κινητήρα σε συνάρτηση με την ολίσθηση. Παρατηρείται ότι: Η ροπή είναι μηδενική όταν η ολίσθηση είναι σχεδόν 0 (ο κινητήρας πλησιάζει τη σύγχρονη ταχύτητα). Υπάρχει μια μέγιστη ροπή (breakdown torque) σε κάποια ολίσθηση (π.χ. 20%). Για υψηλές τιμές ολίσθησης (π.χ. εκκίνηση 100%), η ροπή είναι σημαντική αλλά όχι μέγιστη.
Τι είναι η τάση λειτουργίας; Η τάση λειτουργίας είναι η ονομαστική τάση (σε Volt) που απαιτεί ο κινητήρας για να λειτουργεί αποδοτικά και ασφαλώς. Δηλώνεται στην πινακίδα του κινητήρα ως: π.χ. Δ/Υ: 230/400 V Αυτό σημαίνει ότι: Αν συνδεθεί σε τρίγωνο (Δ): χρειάζεται 230 V ανά φάση Αν συνδεθεί σε αστέρα (Υ): χρειάζεται 400 V ανά φάση
Άμεση εκκίνηση (Direct On Line - DOL) Η πιο απλή μέθοδος: συνδέεται ο κινητήρας απευθείας στο δίκτυο. Πλεονεκτήματα: Απλότητα, χαμηλό κόστος Μειονεκτήματα: Π ολύ μεγάλο ρεύμα εκκίνησης, κατάλληλη μόνο για μικρούς κινητήρες (έως ~5.5 kW)
Εκκίνηση με αντιστάσεις στο δρομέα (σε κινητήρες δακτυλιοφόρους) Χρησιμοποιούνται εξωτερικές αντιστάσεις στον δρομέα για έλεγχο ρεύματος και ροπής εκκίνησης. Πλεονεκτήματα : Πολύ υψηλή ροπή εκκίνησης με μειωμένο ρεύμα Μειονεκτήματα : Περίπλοκο σύστημα, μόνο για ειδικές εφαρμογές (γερανογέφυρες, μεγάλοι ανελκυστήρες)
Ο πειραματικός υπολογισμός των απωλειών χαλκού δρομέα (ηλεκτρικών απωλειών) σε έναν ασύγχρονο τριφασικό κινητήρα μπορεί να γίνει κυρίως μέσω δοκιμής φορτίου μετρώντας τα ηλεκτρικά μεγέθη του κινητήρα κατά τη λειτουργία του υπό φορτίο. Οι απώλειες χαλκού στον δρομέα οφείλονται στο ρεύμα που διαρρέει τις ράβδους του κλωβού Οι απώλειες χαλκού υπολογίζονται από το τον νόμο του Τζάουλ: Ρχ,σ= 3l 2 R1 όπου R1: η αντίσταση της μιας φάσης του στάτη Ρχ,δ= 3I 2 δRδ όπου Rδ: η αντίσταση του δρομέα. Επειδή τα Ιδ, είναι δύσκολο να υπολογισθούν, μπορούμε προσεγγιστικά να υπολογίσουμε τις απώλειες χαλκού του δρομέα από την ισχύ του μαγνητικού πεδίου: Ρχ,δ=Ρ ΜΠ 1 θεωρώντας τις μηχανικές απώλειες αμελητέες Ρ ΜΠ είναι η ισχύς του μαγνητικού πεδίου που μεταφέρει την ισχύ από το στάτη στο δρομέα: P = Τ n/9,55 --> Ρχ,δ = (P1-Pχ,σ) ·s Παρατηρήσεις: Ο ακριβής υπολογισμός απαιτεί τη γνώση της αντίστασης του στάτη R1 και της ολίσθησης, με ακρίβεια. Η προσέγγιση είναι έγκυρη για κινητήρες με κλωβό. Για κινητήρες με τύλιγμα στον δρομέα, οι μετρήσεις μπορούν να περιλαμβάνουν και την αντίσταση του δρομέα.
Πείραμα: Δοκιμή Χωρίς Φορτίο (δοκιμή κενού) Σκοπός: Να μετρηθούν οι απώλειες του κινητήρα όταν λειτουργεί χωρίς μηχανικό φορτίο. Να υπολογιστούν οι απώλειες σιδήρου και οι μηχανικές απώλειες (τριβές/ανεμιστήρας). Να προσδιοριστεί η ισχύς εισόδου χωρίς φορτίο, η οποία προσεγγίζει αυτές τις απώλειες. Απαιτούμενος εξοπλισμός: Τριφασικός ασύγχρονος κινητήρας Τριφασική παροχή ρεύματος (π.χ. 400V) Βατόμετρο 3φ ή πολυμετρικό όργανο (για μέτρηση ισχύος) Βολτόμετρο (για τάση), Αμπερόμετρο (για ρεύμα) Ταχόμετρο (για μέτρηση στροφών) Διαδικασία: Συνδέεις τον κινητήρα σε τριφασική παροχή, χωρίς να συνδεθεί μηχανικό φορτίο στον άξονα. Θέτεις τον κινητήρα σε λειτουργία (εκκίνηση). Περιμένεις λίγα λεπτά ώστε να σταθεροποιηθεί η λειτουργία. Καταγράφεις: Τάση φάσης (U) Ρεύμα φάσης (I) Ισχύ (Pin) Στροφές n (προσεγγίζει ns) Ανάλυση μετρήσεων: Στη δοκιμή χωρίς φορτίο: Pin0≈PFe+Pm ​Όπου: PFe: απώλειες σιδήρου (υστερήσεις, δινορρεύματα) Pm: μηχανικές απώλειες (τριβές, ανεμιστήρας) Το ρεύμα που κυκλοφορεί στο δρομέα είναι ελάχιστο --> οι απώλειες χαλκού του δρομέα παραμελούνται σε αυτή τη δοκιμή. Συμπεράσματα από το πείραμα: Με τη δοκιμή αυτή μπορείς: Να προσδιορίσεις πειραματικά το άθροισμα PFe + Pm Να χρησιμοποιήσεις την τιμή αυτή στον υπολογισμό των απωλειών δρομέα σε δοκιμή με φορτίο, ως σταθερή τιμή P0 Να αξιολογήσεις τη συμπεριφορά του κινητήρα σε ελαφρά λειτουργία
Σκοπός του πειράματος Εκτίμηση απωλειών χαλκού του στάτη και του δρομέα και απωλειών σιδήρου Διαδικασία Πειράματος Προετοιμασία Ο κινητήρας συνδέεται τριφασικά μέσω ρυθμιζόμενης πηγής τάσης. Ο δρομέας ακινητοποιείται μηχανικά (π.χ. φρένο ή σφήνωμα). Χρήση αμπερομέτρων, βολτομέτρων και βαττομέτρων για μετρήσεις. Εκτέλεση Εφαρμόζεται χαμηλή τάση (~10-20% της ονομαστικής) ώστε να μην καταστραφεί ο κινητήρας λόγω μεγάλης έντασης. Καταγράφονται: Τάση (V) Ρεύμα (I) Ισχύς (P) Υπολογισμοί Υπολογίζονται: Απώλειες χαλκού στάτη + δρομέα και απώλειες σιδήρου (συνολικά): Pcu+PFE=Pμετρούμενη ​Εμβάθυνση Θα μπορούσαμε να υπολογίσουμε επιπρόσθετα την ωμική και την επαγωγική αντίσταση του κυκλώματος (θα πρέπει να χρησιμοποιήσετε τις γνώσεις ηλεκτροτεχνίας για κυκλώματαRLC)
Οι απώλειες ενός ασύγχρονου τριφασικού κινητήρα είναι οι ενέργειες που καταναλώνονται και δεν μετατρέπονται σε μηχανικό έργο. Χωρίζονται σε βασικές κατηγορίες με βάση την προέλευση και το είδος τους. Κύριες Κατηγορίες Απωλειών 1. Ηλεκτρικές Απώλειες (Απώλειες Χαλκού) Στάτης (Pcu1): Pcu1=3I 1 2 R1 όπου Ι1 είναι το ρεύμα στάτη και R1 η αντίσταση των τυλιγμάτων στάτη. Δρομέας (Pcu2): Pcu2=3I 2 2 R2 όπου Ι2 είναι το ρεύμα δρομέα και R2 η αντίσταση των τυλιγμάτων δρομέα . ​Αυτές εξαρτώνται από το φορτίο και την ολίσθηση. 2 Μαγνητικές Απώλειες (Απώλειες Σιδήρου ή Πυρήνα) Προκαλούνται από: Απώλειες υστέρησης (λόγω αλλαγής μαγνητικής πόλωσης). Απώλειες δινορευμάτων (eddy currents). Συμβαίνουν κυρίως στον πυρήνα του στάτη, όπου υπάρχει εναλλασσόμενο μαγνητικό πεδίο. Εξαρτώνται από: την τάση τροφοδοσίας, τη συχνότητα, τα υλικά του πυρήνα. 3. Μηχανικές Απώλειες Περιλαμβάνουν: Τριβές στα ρουλμάν και τα εδράνα. Απώλειες από την αντίσταση του αέρα (αεροδυναμική/ανεμιστήρας). 4. Πρόσθετες Απώλειες (Stray Load Losses) Δευτερεύουσες απώλειες από: μη ιδανική κατανομή ρεύματος, διαρροές ροής, στροβιλισμούς. Είναι μικρό ποσοστό (συνήθως ~1% της εισερχόμενης ισχύος) και δύσκολο να μετρηθεί άμεσα. Πώς Υπολογίζονται Πειραματικά; Απώλειες σιδήρου & μηχανικές: από τη δοκιμή χωρίς φορτίο (No Load Test). Απώλειες χαλκού: από τη δοκιμή με ακινητοποιημένο δρομέα (Blocked Rotor Test). Συνολικές απώλειες: από δοκιμή πλήρους φορτίου (Load Test).
Η εκκίνηση ασύγχρονου τριφασικού κινητήρα με υτομετασχηματιστή είναι μια από τις μεθόδους μειωμένης τάσης εκκίνησης που χρησιμοποιείται κυρίως σε κινητήρες μεγάλης ισχύος για να περιορίσει το ρεύμα εκκίνησης και τις μηχανικές καταπονήσεις στο σύστημα. Αρχή λειτουργίας Κατά την εκκίνηση, εφαρμόζεται στον κινητήρα μια τάση μειωμένη μέσω αυτομετασχηματιστή (autotransformer). Μετά την επιτάχυνση του κινητήρα σε ένα ποσοστό της ονομαστικής του ταχύτητας, γίνεται μεταγωγή στο δίκτυο πλήρους τάσης. Πλεονεκτήματα Μείωση ρεύματος εκκίνησης (συνήθως στο 30–70% του ονομαστικού) Μείωση ροπής εκκίνησης, κατάλληλη για φορτία με χαμηλό αρχικό φορτίο Κατάλληλη για κινητήρες μεγάλης ισχύος Ομαλή εκκίνηση και προστασία μηχανικών μερών Μειονεκτήματα Πολυπλοκότερη συνδεσμολογία Υψηλότερο κόστος λόγω του αυτομετασχηματιστή Όχι ιδανική για φορτία που απαιτούν υψηλή ροπή από την εκκίνηση Βαθμίδες εκκίνησης Οι αυτομετασχηματιστές έχουν συνήθως τρεις επιλογές τάσης εξόδου: 50% 65% 80% της πλήρους τάσης Τρόπος σύνδεσης Η εκκίνηση γίνεται με τριών σταδίων διακόπτες ή contactors: Ο κινητήρας συνδέεται στην έξοδο του αυτομετασχηματιστή. Ο κινητήρας εκκινεί με μειωμένη τάση. Μετά από προκαθορισμένο χρόνο ή ταχύτητα, ο κινητήρας συνδέεται απευθείας στο δίκτυο πλήρους τάσης.
Η έννοια του στρεφόμενου μαγνητικού πεδίου (ΣΜΠ) (RMF = Rotating Magnetic Field) είναι βασική στη θεωρία των Ηλεκτρικών Κινητήρων εναλασσόμενου ρεύματατος (AC). Το ΣΜΠ δημιουργείται στο εσωτερικό της μηχανής όταν τροφοδοτήσουμε τα τυλίγματα του στάτη με ένα τριφασικό συμμετρικό σύστημα εναλασομένων ρευμάτων. Σημείωση : Για να ληφθεί ένα στρεφόμενο μαγνητικό πεδίο H, είναι απαραίτητο να υπάρχουν τρία όμοια πηνία, οι άξονες των οποίων ορίζονται σε επίπεδο 120° το ένα από το άλλο και οι περιελίξεις των οποίων διαπερνιούνται από ένα συμμετρικό τριφασικό σύστημα ρεύματος. Στην εικόνα βλέπουμε την παραγωγή του ΣΜΠ σε μια διπολική τριφασική μηχανή με θετική σειρά διαδοχής των φάσεων (ΑΒC). Στο κάτω μέρος της εικόνας βλέπουμε τα τρία ρεύματα Ρεύμα Α = Χρώμα μαύρο Ρεύμα Β = Χρώμα μπλέ Ρεύμα C = Χρώμα κόκκινο με διαφορά φάσης μεταξύ τους 2·π/3 = 120° Ο οριζόντιος άξονας είναι βαθμολογημένος σε ω·t δηλ. γωνία σε ακτίνια (rad). Για ω·t=0 το κόκκινο και το μπλέ ρεύμα δημιουργούν στο εσωτερικό της μηχανής τα κόκκινα και μπλέ διανύσματα με συνισταμένη το μωβ διάνυσμα. Για ω·t=π/3 το μαύρο και το μπλέ ρεύμα δημιουργούν στο εσωτερικό της μηχανής τα μαύρο και μπλέ διανύσματα με συνισταμένη το μωβ διάνυσμα. Συνεχίζοντας τον συλλογισμό σχεδιάζουμε τα διανύσματα για άλλες 4 χρονικές στιγμές. Το μαγνητικό πεδίο εκτελεί μια πλήρη περιστροφή, με φορά αντίθετη των δεικτών του ρολογιού, σε κάθε περίοδο των ρευμάτων
Τι διαφορές παρατηρείτε σε αυτόν τον δρομέα σε σχέση με τον δρομέα του Ασύγχρονου Τριφασικού Κινητήρα; Ο συγκεκριμένος δρομέας ονομάζεται δακτυλιοφόρος.
Σε περίπτωση τριφασικού ασύγχρονου κινητήρα με δρομέα που περιλαμβάνει τυλίγματα, η εκκίνηση εκτελείται συνδέοντας τις ψήκτρες σε έναν ροοστάτη που αυξάνει προσωρινά την αντίσταση του κυκλώματος του δρομέα.
Η μείωση του ρεύματος εκκίνησης με ροοστάτες ή αυτομετασχηματιστές συνδεδεμένους στο κύκλωμα του στάτη έχει ως αποτέλεσμα, εκτός από τη μείωση του ρεύματος, και την μείωση της ροπής εκκίνησης επειδή η τελευταία εξαρτάται από το τετράγωνο της τάσης.