Τίτλος Άσκησης: Αυτόματος κλιμακοστασίου Πρόβλημα: επιθυμούμε την κατασκευή κυκλώματος φωτισμού στον κοινόχρηστο χώρο μιας πολυκατοικίας. Η πολυκατοικία αποτελείται από το ισόγειο και 3 ορόφους. Για να λύσουμε το πρόβλημα θα πρέπει να χρησιμοποιήσουμε έναν αυτόματο κλιμακοστασίου που θα συνδεθεί με ένα μπουτόν και ένα φωτιστικό για κάθε όροφο. Με το πάτημα οποιουδήποτε μπουτόν θα ενεργοποιούνται όλα τα φωτιστικά του κοινόχρηστου χώρου και θα απενεργοποιούνται μόνο έπειτα από κάποιο χρονικό διάστημα, τόσο ώστε να μην εμποδίζει την εύκολη μετακίνηση των κατοίκων. Συζήτηση στην τάξη: Πού χρησιμοποιούνται αυτόματα φώτα με χρονικό διακόπτη; ………………………………………………………………………………… Τι εξοικονομείται με τέτοια κυκλώματα; ………………………………………………………………………………… Καταγράψτε 3 μέρη όπου έχετε δει αυτόματο φως: ………………………………………………………………………………… Σενάριο: Στην πολυκατοικία σου, το φως του κλιμακοστασίου ανάβει όταν πατήσεις ένα κουμπί και σβήνει μόνο του μετά από λίγα δευτερόλεπτα. Ερώτηση διερεύνησης: Πώς γίνεται το φως να σβήνει αυτόματα; Τι εξαρτήματα μπορεί να υπάρχουν στο κύκλωμα; Καταγράψτε υποθέσεις: ………………………………………………………………………………………………………………………… Σημείωση: Το βασικό χαρακτηριστικό του αυτόματου κλιμακοστασίου είναι ότι αποτελεί έναν χρονικό ηλεκτρονόμο με μια κανονικά ανοικτή επαφή η οποία κλείνει για όσο χρονικό διάστημα έχουμε ρυθμίσει το χρονικό Σύνδεση με προηγούμενη άσκηση: θα μπορούσαμε αντί για αυτόματο κλιμακοστασίου να χρησιμοποιήσουμε κάποια από τα κυκλώματα φωτισμού που ήδη έχουμε μάθει; Ποιο από αυτά θα μπορούσε να λειτουργήσει ικανοποιητικά ως φωτισμός σε κλιμακοστάσιο; Δραστηριότητα: Πριν κατασκευάσετε το ηλεκτρολογικό κύκλωμα, θα πρέπει να το σχεδιάσετε. Καλείστε λοιπόν να σχεδιάστε το πολυγραμμικό και το μονογραμμικό σχέδιο του κυκλώματος χρησιμοποιώντας τα ακόλουθα σύμβολα Κύκλωμα 3 αγωγών Πολυγραμμικό Κύκλωμα Μονογραμμικό Κύκλωμα Κύκλωμα 4 αγωγών Πολυγραμμικό Κύκλωμα Μονογραμμικό Κύκλωμα Δραστηριότητα: Για να μπορέσετε να κατασκευάσετε το κύκλωμα, θα πρέπει να γνωρίζετε τα υλικά που θα πρέπει να προμηθευτείτε. Συμπληρώστε τα στον ακόλουθο πίνακα. Μπορείτε να υπολογίσετε το κόστος; Για να βρείτε ενδεικτικές τιμές θα πρέπει να συμβουλευτείτε ιστοσελίδες καταστημάτων εμπορίας ηλεκτρολογικού υλικού. Δραστηριότητα: Χρησιμοποιώντας τα υλικά που επιλέξατε και ακολουθώντας το σχέδιο που σχεδιάσατε, πραγματοποιήστε τη κατασκευή του κυκλώματος, τόσο αυτή των τριών όσο και αυτή των τεσσάρων γραμμών. Συγκεκριμένα: Βήμα 1ο: συγκεντρώστε τα υλικά σας Βήμα 2ο: τοποθετήστε τα στην πινακίδα Βήμα 3ο: συνδεσμολογήστε τα με βάση το σχέδιο Βήμα 4ο: ελέγξτε το κύκλωμα σας υπό τάση Βήμα 5ο: αποσυναρμολογήστε την πινακίδα σας και επιστρέψτε τα υλικά Σημείωση: Η συνδεσμολογία 3 γραμμών έχει το πλεονέκτημα μεγαλύτερης ασφάλειας για τον χρήστη ενώ η 4 γραμμών δίνει τη δυνατότητα στο τέλος του κυκλώματος να συνδεθεί και ένας απλός διακόπτης για τον έλεγχο ενός φωτιστικού σημείου π.χ. ένα φωτιστικό σημείο στην ταράτσα της πολυκατοικίας Παρατήρηση – Ανάλυση Τι συμβαίνει όταν: Πατάς τον διακόπτη; Περιμένεις μερικά δευτερόλεπτα; Ξαναπατήσεις πριν σβήσει; Καταγραφή παρατηρήσεων: ………………………………………………………………………………………………………………………… Ποια εξαρτήματα ελέγχουν τον χρόνο; …………………………………………………………… Ποιο είναι το πλεονέκτημα ενός τέτοιου κυκλώματος; …………………………………………………………… Τυπικά Χαρακτηριστικά Αυτόματου Κλιμακοστασίου Δραστηριότητα: Σε μεγάλους διαδρόμους κλιμακοστασίων ενδέχεται να απαιτούνται περισσότερα μπουτόν σε κάθε όροφο. Πως θα συνδεσμολογηθούν αυτά τα μπουτόν μεταξύ τους και γιατι; Καλείστε να μετατρέψετε κατάλληλα τη συνδεσμολογία που έχετε κατασκευάσει τοποθετώντας δύο μπουτόν σε κάθε όροφο. Μελέτη περίπτωσης: Σε έναν αυτόματο κλιμακοστασίου τα φώτα παραμένουν συνεχώς αναμμένα. Τι μπορεί να φταίει; Δραστηριότητα: στην ταράτσα μιας πολυκατοικίας υπάρχει απλός διακόπτης που ελέγχει ένα φωτιστικό σημείο. Τι συμπέρασμα μπορούμε να βγάλουμε σχετικά με τη σύνδεση του αυτόματου κλιμακοστασίου; Δραστηριότητα: σε παλιές ΕΗΕ ενδέχεται να συναντήσετε Υδραργυρικό Αυτόματο Κλιμακοστασίου. Καλείστε να τον αντικαταστήσετε με αντίστοιχους νέου τύπου Ερώτηση: θα μπορούσαμε να μετατρέψουμε το κύκλωμα του αυτόματου κλιμακοστασίου σε κύκλωμα με διακόπτες αλλέ-ρετούρ; Γιατί δε χρησιμοποιούμε διακόπτες αλλέ-ρετούρ στο κλιμακοστάσιο; Ερώτηση: Τα μπουτόν συνδέονται σε σειρά ή παράλληλα μεταξύ τους και γιατί; Διατύπωση Συμπερασμάτων Συμπλήρωσε: 1. Ποιος είναι ο ρόλος του χρονικού ρελέ; …………………………………………………………………… 2. Πώς το κύκλωμα συμβάλλει στην εξοικονόμηση ενέργειας; …………………………………………………………………… 3. Ποιες βελτιώσεις θα μπορούσες να κάνεις (π.χ. αισθητήρες, ρύθμιση χρόνου); …………………………………………………………………… Επέκταση – Δημιουργική Πρόκληση Πρόκληση: Μπορείς να φανταστείς ένα πιο "έξυπνο" κλιμακοστάσιο με αισθητήρα κίνησης αντί για πλήκτρο; Σχεδίασε ή περιέγραψε το νέο κύκλωμα: ………………………………………………………………………………………………………………………………………… Αξιολόγηση Αυτο-αντίληψης Προαιρετική Δραστηριότητα Επέκτασης Πρόκληση : Σχεδιάστε ένα κύκλωμα με αισθητήρα κίνησης που ανάβει το φως αυτόματα όταν κάποιος περνάει από το κλιμακοστάσιο. Περιγραφή ιδέας: …………………………………………………………………………………………………………………………………………
Σκοποί της Άσκησης: Οι μαθητές διερευνούν, πειραματίζονται και ανακαλύπτουν πώς λειτουργεί ένα κύκλωμα αυτόματου φωτισμού (με χρονικό ρελέ) που χρησιμοποιείται σε κλιμακοστάσια και κοινόχρηστους χώρους. ΓΝΩΣΤΙΚΟΙ ΣΤΟΧΟΙ (ΓΝΩΣΕΙΣ) 1. Ο μαθητής θα μπορεί να περιγράφει τη λειτουργία του αυτόματου κλιμακοστασίου και τον ρόλο του αυτόματου χρονοδιακόπτη στο κύκλωμα φωτισμού. Συνθήκες: σε συνθήκες θεωρητικής εξέτασης ή συζήτησης στο εργαστήριο. Κριτήριο: θα θεωρείται επιτυχής όταν ο μαθητής αναφέρει σωστά τουλάχιστον 4 από τα 5 βασικά σημεία λειτουργίας (ροή ρεύματος, χρονισμός, φάση, ουδέτερος, τερματισμός λειτουργίας). 2. Ο μαθητής θα μπορεί να αναγνωρίζει στο ηλεκτρολογικό σχέδιο τα βασικά εξαρτήματα του κυκλώματος (αυτόματος χρονοδιακόπτης, μπουτόν, φωτιστικό, ασφάλεια). Συνθήκες: μελετώντας ένα έτοιμο σχέδιο κυκλώματος. Κριτήριο: ορθή αναγνώριση και ονομασία τουλάχιστον 5 από τα 6 εξαρτήματα εντός 10 λεπτών. ΣΥΝΑΙΣΘΗΜΑΤΙΚΟΙ ΣΤΟΧΟΙ (ΣΤΑΣΕΙΣ) 3. Ο μαθητής θα επιδεικνύει υπευθυνότητα και προσήλωση κατά την εκτέλεση της άσκησης, τηρώντας τους κανόνες ασφαλείας. Συνθήκες: κατά τη διάρκεια της εργαστηριακής κατασκευής. Κριτήριο: δεν παραβιάζει κανέναν από τους βασικούς κανόνες ασφαλείας (αποσύνδεση ρεύματος, σωστή χρήση εργαλείων, προσοχή σε καλώδια) καθ’ όλη τη διάρκεια της άσκησης. 4. Ο μαθητής θα συμμετέχει ενεργά και θετικά στην ομαδική εργασία, συμβάλλοντας στη συνολική ολοκλήρωση του κυκλώματος. Συνθήκες: σε ομαδική κατασκευή με 2-3 άτομα. Κριτήριο: συμμετέχει ενεργά σε τουλάχιστον δύο φάσεις της άσκησης (σχεδίαση, σύνδεση, έλεγχος) και συνεργάζεται χωρίς συγκρούσεις. ΨΥΧΟΚΙΝΗΤΙΚΟΙ ΣΤΟΧΟΙ (ΔΕΞΙΟΤΗΤΕΣ) 5. Ο μαθητής θα μπορεί να συνδέει σωστά το κύκλωμα αυτόματου κλιμακοστασίου με τη χρήση χρονοδιακόπτη και μπουτόν. Συνθήκες: έχοντας στη διάθεσή του ηλεκτρολογικό σχέδιο και τα απαραίτητα υλικά. Κριτήριο: η σύνδεση να είναι λειτουργική, χωρίς σφάλματα, εντός 35 λεπτών από την έναρξη της κατασκευής. 6. Ο μαθητής θα μπορεί να ρυθμίζει σωστά τον χρόνο λειτουργίας του αυτόματου χρονοδιακόπτη. Συνθήκες: μετά την ολοκλήρωση της σύνδεσης, σε συνθήκες ενεργοποιημένου κυκλώματος. Κριτήριο: επιτυγχάνει ρύθμιση του χρόνου λειτουργίας εντός αποδεκτού εύρους (π.χ. 30 δευτερόλεπτα) με δύο δοκιμές.
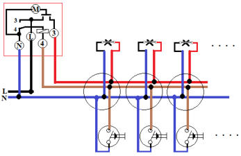
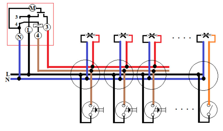
Συνδεσμολογίες Δύο είναι οι τρόποι συνδεσμολογίας του διακόπτη κλιμακοστασίου: α) κύκλωμα 3 αγωγών β) κύκλωμα 4 αγωγών. Στο κύκλωμα των τριών αγωγών ο ουδέτερος είναι κοινός για μπουτόν και φωτιστικά σώματα και παράλληλα δεν υπάρχει η επιπλέον δυνατότητα ελέγχου του ανεξάρτητου φωτιστικού σώματος. Αντίθετα στο κύκλωμα τεσσάρων αγωγών, τα μπουτόν συνδέονται με φάση και επιστροφή, ενώ τα φωτιστικά σώματα με ουδέτερο και επιστροφή
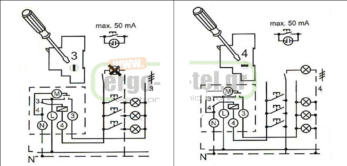
Τι θα συμβει στο κύκλωμα των 4 αγωγών αν ο μεταγωγικός διακόπτης βρίσκεται στη θέση “3”; Τι θα συμβει στο κύκλωμα των 3 αγωγών αν ο μεταγωγικός διακόπτης βρίσκεται στη θέση “4”;
Υδραργυρικός Αυτόματος Κλιμακοστασίου Πως λειτουργεί; Ο υδραργυρικός αυτόματος χρονοδιακόπτης κλιμακοστασίου λειτουργεί με τον ακόλουθο τρόπο. Με την πίεση ενός μπουτόν διεγείρεται το πηνίο και ανυψώνεται ένα έμβολο, με αποτέλεσμα ο υδράργυρος να κλείσει τις επαφές α, β και, κατά συνέπεια, να συνδεθούν με τη φάση οι λαμπτήρες. Όταν αφήσουμε το μπουτόν, το κύκλωμα με τη βοήθεια των επαφών α, β θα παραμείνει κλειστό για όσο χρόνο χρειάζεται το έμβολο, για να επανέλθει στη θέση του.
Τύποι αυτομάτων κλιμακοστασίου (ανάλογα με τον τρόπο ρύθμισης του χρόνου): - Ηλεκτρονικός (ο πιο σύγχρονος) Μικρές διαστάσεις – τοποθέτηση σε ράγα πίνακα Υψηλότερη αξιοπιστία Μεγαλύτερη περιοχή ρύθμισης του χρόνου Υψηλότερη ακρίβεια χρονικού διαστήματος Υψηλότερη ακρίβεια επαναληψιμότητας - Υδραργυρικός - Με διμεταλλικό στοιχείο - Με ωρολογιακό μηχανισμό
ΤΟΜΕΑΣ ΗΛΕΚΤΡΟΛΟΓΙΑΣ, ΗΛΕΚΤΡΟΝΙΚΗΣ ΚΑΙ ΑΥΤΟΜΑΤΙΣΜΟΥ                                                                                                                       1o ΕΠΑΛ ΑΜΑΡΟΥΣΙΟΥ ΤΕΧΝΙΚΟΣ ΗΛΕΚΤΡΟΛΟΓΙΚΩΝ ΣΥΣΤΗΜΑΤΩΝ, ΕΓΚΑΤΑΣΤΑΣΕΩΝ ΚΑΙ ΔΙΚΤΥΩΝ                                                                                                 3ο ΕΚ Β ΑΘΗΝΑΣ (ΑΜΑΡΟΥΣΙΟΥ)
ΕΡΓΑΣΤΗΡΙΟ ΗΛΕΚΤΡΙΚΩΝ ΕΓΚΑΤΑΣΤΑΣΕΩΝ
Τι είναι ο Αυτόματος Κλιμακοστασίου; Ένα κύκλωμα που ενεργοποιεί τον φωτισμό για περιορισμένο χρονικό διάστημα μέσω χρονικού ρελέ, όταν κάποιος πατήσει έναν διακόπτη (π.χ. σε είσοδο ή όροφο), και τον απενεργοποιεί αυτόματα μετά την παρέλευση του χρόνου.