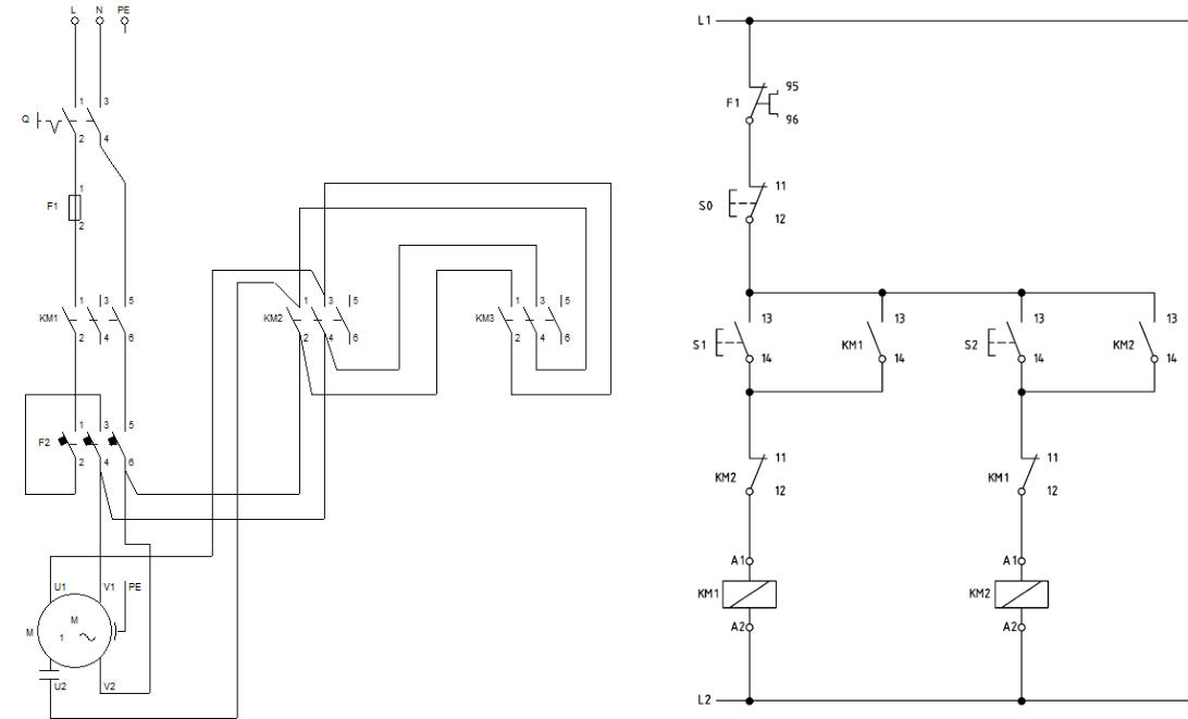
Τίτλος Άσκησης: Εκκίνηση και Αλλαγή Φοράς Περιστροφής Μονοφασικού Κινητήρα Πρόβλημα: Επιθυμούμε την εκκίνηση και αλλαγή φοράς περιστροφής ενός ασύγχρονου μονοφασικού κινητήρα βραχυκυκλωμένου δρομέα. Μια τέτοια λειτουργία μπορούμε να συναντήσουμε σε μια γκαραζόπορτα. Σύνδεση με την προηγούμενη Άσκηση: Στη συγκεκριμένη άσκηση θα πρέπει να προσέξουμε τα ιδιαίτερα προβλήματα που συναντήσαμε κατά την εκκίνηση ενός μονοφασικού κινητήρα. Δηλαδή θα πρέπει να προσέξουμε ότι το θερμικό μας είναι τριφασικό ενώ ο κινητήρας μονοφασικός. Συνεπώς θα πρέπει να συνδέσουμε το τριφασικό θερμικό στον μονοφασικό κινητήρα με κάποιον από τους τρόπους που ήδη έχουμε μάθει. Λίγα λόγια για τον ασύγχρονο μονοφασικό κινητήρα: Υπενθυμιζουμε ότι για να μπορέσει να δημιουργήσει ο ασύγχρονος μονοφασικός κινητήρας ροπή εκκίνησης ώστε να περιστραφεί απαιτείται, εκτός από το κύριο τύλιγμα του στάτη του, και ένα βοηθητικό τύλιγμα - βοηθητική διάταξη εκκίνησης. Άρα, ουσιαστικά, ο στάτης του περιέχει δύο τυλίγματα το κύριο και το βοηθητικό-τα οποία συνδέονται μεταξύ τους παράλληλα και τροφοδοτούνται από το μονοφασικό δίκτυο. Οι ασύγχρονοι μονοφασικοί κινητήρες χρησιμοποιούνται κατά κόρον σε συσκευές οικιακής χρήσης (ψυγεία, πλυντήρια κ.λ.π και λιγότερο σε βιομηχανικές εφαρμογές (προτιμούνται οι τριφασικοί κινητήρες). Περισσότερες λεπτομέρειες για τους ασύγχρονους μονοφασικούς κινητήρες θα μάθουμε στο πέμπτο κεφάλαιο του μαθήματος των Ηλεκτρικών Μηχανών, το οποίο ασχολείται με τους μονοφασικούς κινητήρες Δραστηριότητα: Πριν κατασκευάσετε το ηλεκτρολογικό κύκλωμα, θα πρέπει να το σχεδιάσετε. Καλείστε λοιπόν να σχεδιάστε το κύκλωμα ισχύος και το κύκλωμα ελέγχου της άσκησης Ανάλυση Κυκλώματος ισχύος και Κυκλώματος Ελέγχου Σημείωση: παρατηρήστε ότι το κύκλωμα ελέγχου είναι ίδιο με αυτό της εκκίνησης τριφασικού κινητήρα. Αυτό που αλλάζει είναι το κύκλωμα ισχύος Δραστηριότητα: Για να μπορέσετε να κατασκευάσετε το κύκλωμα, θα πρέπει να γνωρίζετε τα υλικά που θα πρέπει να προμηθευτείτε. Συμπληρώστε τα στον ακόλουθο πίνακα. Μπορείτε να υπολογίσετε το κόστος; Για να βρείτε ενδεικτικές τιμές θα πρέπει να συμβουλευτείτε ιστοσελίδες καταστημάτων εμπορίας ηλεκτρολογικού υλικού Δραστηριότητα: ελέγξτε τον πυκνωτή του μονοφασικού κινητήρα που πρόκειται να χρησιμοποιήσετε ως προς την ορθή λειτουργία του Δραστηριότητα: Χρησιμοποιώντας τα υλικά που επιλέξατε και ακολουθώντας το σχέδιο που σχεδιάσατε, πραγματοποιήστε τη κατασκευή του κυκλώματος. 1 . Καταρχάς, συγκεντρώστε τα υλικά σας 2 . Στη συνέχεια, τοποθετήστε τα υλικά στην πινακίδα 3 . Στη συνέχεια συνδεσμολογήστε τα υλικά με βάση το κύκλωμα ισχύος και ελέγχου που έχετε σχεδιάσει 4 . Τέλος ελέγξτε το κύκλωμα σας υπό τάση Δραστηριότητα: Στους μονοφασικούς κινητήρες μπορεί να γίνει η αλλαγή της φοράς περιστροφής αλλάζοντας τη θεση των λαμακίων στο κιβώτιο των ακροδεκτών από οριζόντια σε κάθετη. Ανοίξτε το κιβώτιο των ακροδεκτών του μονοφασικού κινητήρα του εργαστηρίου και αλλάξτε τα λαμάκια κατάλληλα ώστε να αλλάξετε τη φορά περιστροφής του κινητήρα ΕΡΩΤΗΣΕΙΣ Περαιτέρω Μελέτη
Ασκήσεις που πραγματοποιήθηκαν Εκίνηση τριφασικού κινητήρα Εκκίνηση τριφασικού κινητήρα από δύο θέσεις Εκκίνηση δύο κινητήρων Μανδάλωση δύο κινητήρων Εκκίνηση και Αλλαγή φοράς περιστροφής τριφασικού κινητήτα Εκκίνηση Μονοφασικού Κινητήρα Εκκίνηση και Αλλαγή φοράς περιστροφής Μονοφασικού Κινητήρα Βαθμός Δυσκολίας Άσκησης:
Υλικά Κυκλώματος Ελέγχου
ΤΟΜΕΑΣ ΗΛΕΚΤΡΟΛΟΓΙΑΣ, ΗΛΕΚΤΡΟΝΙΚΗΣ ΚΑΙ ΑΥΤΟΜΑΤΙΣΜΟΥ                                                                                                                       1o ΕΠΑΛ ΑΜΑΡΟΥΣΙΟΥ ΤΕΧΝΙΚΟΣ ΗΛΕΚΤΡΟΛΟΓΙΚΩΝ ΣΥΣΤΗΜΑΤΩΝ, ΕΓΚΑΤΑΣΤΑΣΕΩΝ ΚΑΙ ΔΙΚΤΥΩΝ                                                                                                 3ο ΕΚ Β ΑΘΗΝΑΣ (ΑΜΑΡΟΥΣΙΟΥ)
ΕΡΓΑΣΤΗΡΙΟ ΗΛΕΚΤΡΙΚΩΝ ΑΥΤΟΜΑΤΙΣΜΩΝ
Σκοπός της Άσκησης Στο τέλος αυτής της άσκησης οι μαθητές θα είναι σε θέση να: 1 . αναγνωρίζουν και να επιλέγουν τα κατάλληλα υλικά για την εκκίνηση μονοφασικού κινητήρα . 2 . πραγματοποιούν συνδέσεις μεταξύ των διαφόρων υλικών για την πραγματοποίηση της άσκησης . 3 . συνδέουν με διάφορους τρόπους το τριφασικό θερμικό σε μονοφασικό ηλεκτροκινητήρα 4 . ρυθμίζουν το θερμικό στη σωστή ένταση ρεύματος
Υλικά Κυκλώματος Ισχύος
Μια και χρησιμοποιούμε κινητήρα με πυκνωτή στην εργαστηριακή άσκηση, καλό είναι να γνωρίζουμε πως ελέγχουμε αν ένας πυκνωτής λειτουργεί σωστά. Καταρχάς βραχυκυκλώνουμε τον πυκνωτή ώστε να εκφορτιστεί σε περίπτωση που είναι φορτισμένος. Αν είναι φορτισμένος και εκφορτιστεί τότε θα παρατηρηθεί ένας σπινθήρας. Στη συνέχεια βάζουμε το ωμόμετρο στη μεγαλύτερη κλίμακα που διαθέτει και μετράμε ανάμεσα στους δυο ακροδέκτες του πυκνωτή. Τέλος παρατηρούμε την ένδειξη του ωμομέτρου: Α περίπτωση: η βελόνη του ωμόμετρου θα κινηθεί προς το μηδέν και μετά σιγά-σιγά θα επανέλθει στο άπειρο Συμπέρασμα: ο πυκνωτής είναι καλός Β περίπτωση: το ωμόμετρο δείχνει μηδέν και η ένδειξη διατηρείται στο μηδέν Συμπέρασμα: ο πυκνωτής είναι βραχυκυκλωμένος Γ περίπτωση: η βελόνα δεν κινείται καθόλου αλλά δείχνει συνέχεια την ένδειξη “άπειρο” Συμπέρασμα: ο πυκνωτής παρουσιάζει εσωτερική διακοπή. Στις δυο τελευταίες περιπτώσεις ο πυκνωτής πρέπει να αντικατασταθεί με πυκνωτή ίδιων χαρακτηριστικών. Παρατήρηση. Όταν γίνεται έλεγχος των πυκνωτών καλό θα είναι να ελέγχεται με ωμόμετρο η περίπτωση βραχυκλώματος μεταξύ ενός ακροδέκτη και του μεταλλικού περιβλήματος. Αν ο πυκνωτής είναι καλός, το ωμόμετρο θα δείχνει συνέχεια την ένδειξη “άπειρο”