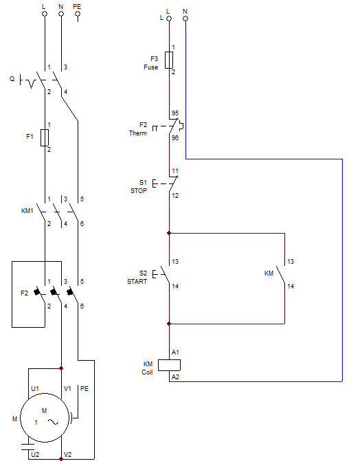
Τίτλος Άσκησης: Εκκίνηση Μονοφασικού Κινητήρα Πρόβλημα: Επιθυμούμε την εκκίνηση ενός ασύγχρονου μονοφασικού κινητήρα βραχυκυκλωμένου δρομέα. Μια τέτοια λειτουργία συναντάται σε όλες τις οικιακές συσκευές που περιέχουν κινητήρα. Θα πρέπει να προσέξουμε ότι το θερμικό μας είναι τριφασικό ενώ ο κινητήρας μονοφασικός. Συνεπώς θα πρέπει να υπάρξει κάποιος ιδιαίτερος τρόπος συνδεσμολογίας του τριφασικού θερμικού στον μονοφασικό κινητήρα Σενάριο : Ένας τεχνίτης ξυλουργός ζητά να εγκαταστήσει έναν μονοφασικό κινητήρα για το ξυλουργικό του μηχάνημα. Ο κινητήρας θα πρέπει να εκκινεί μέσω μπουτόν (Start Stop) και να προστατεύεται από υπερθέρμανση. Ο ίδιος δεν γνωρίζει από ηλεκτρολογικά, αλλά θέλει ο κινητήρας να ξεκινά εύκολα και με ασφάλεια. Εφαρμογές Εκκίνησης Μονοφασικού Κινητήρα Οικιακές εφαρμογές Πλυντήρια ρούχων – Κινούν τον κάδο πλύσης. Κλιματιστικά – Για τον ανεμιστήρα και το συμπιεστή. Ψυγεία / Καταψύκτες – Κινούν τον συμπιεστή του ψυκτικού κύκλου. Ανεμιστήρες / Εξαεριστήρες – Μικρής έως μεσαίας ισχύος. Αποχυμωτές / Μίξερ / Μπλέντερ – Μικροί επαγωγικοί ή συλλεκτικοί κινητήρες. Μικρές επαγγελματικές και εργαστηριακές εφαρμογές Πάγκοι εργαστηρίου – Μοτέρ σε τροχούς λείανσης ή φρέζες. Ηλεκτρικές αντλίες νερού – Για αρδευτικά, βρύσες ή σιντριβάνια. Ηλεκτρικές πρέσες / Μηχανές κοπής – Σε ελαφρές εργασίες. Μηχανήματα ξυλουργείου – Π.χ. δράπανα, σβούρες, μικροφρέζες. Φυσητήρες αέρα – Για απαγωγή καπνού ή σκόνης. Αγροτικές εφαρμογές Αντλίες ποτίσματος – Όπου υπάρχει μόνο μονοφασική παροχή. Μικρά τρακτέρ ή μηχανές επεξεργασίας τροφίμων – Για μεταποίηση σε μικρές μονάδες. Μηχανές αλέσεως / κοπής ζωοτροφών. Επαγγελματικοί χώροι – Υποστήριξη κτιριακών συστημάτων Συστήματα αυτόματου ανοίγματος πορτών / ρολών – Με απλό μονοφασικό μοτέρ. Ανελκυστήρες μικρής ισχύος – Σε παλιά κτίρια χωρίς τριφασική παροχή. Συστήματα εξαερισμού σε τουαλέτες ή αποθήκες. Σύνδεση με την προηγούμενη Άσκηση: Η εκκίνηση ενός μονοφασικού κινητήρα διαφέρει ως προς το κύκλωμα αυτοματισμού στο κύκλωμα ισχύος σε σχέση με το αντίστοιχο κύκλωμα εκκίνησης τριφασικού κινητήρα. Αυτό που διαφοροποιείται είναι το κύκλωμα Ισχύος. Αυτή η διαφοροποίηση οφείλεται στο γεγονός ότι πλέον έχουμε μονοφασικό κινητήρα ο οποίος θα πρέπει να τροφοδοτηθεί από μονοφασικό δίκτυο. Λίγα λόγια για τον ασύγχρονο μονοφασικό κινητήρα: Για να μπορέσει να δημιουργήσει ο ασύγχρονος μονοφασικός κινητήρας ροπή εκκίνησης ώστε να περιστραφεί απαιτείται, εκτός από το κύριο τύλιγμα του στάτη του, και ένα βοηθητικό τύλιγμα - βοηθητική διάταξη εκκίνησης. Άρα, ουσιαστικά, ο στάτης του περιέχει δύο τυλίγματα το κύριο και το βοηθητικό-τα οποία συνδέονται μεταξύ τους παράλληλα και τροφοδοτούνται από το μονοφασικό δίκτυο. Το κύριο (V1 - V2) έχει διαφορετική σύνθετη αντίσταση από το βοηθητικό (U1 - U2) και συνεπώς τα αντίστοιχα ρεύματα τους βρίσκονται σε διαφορά φάσης. Αυτό έχει ως αποτέλεσμα τη δημιουργία στρεφόμενου μαγνητικού πεδίου, απαραίτητο για τη λειτουργία του κινητήρα. Οι ασύγχρονοι μονοφασικοί κινητήρες χρησιμοποιούνται κατά κόρον σε συσκευές οικιακής χρήσης (ψυγεία, πλυντήρια κ.λ.π και λιγότερο σε βιομηχανικές εφαρμογές (προτιμούνται οι τριφασικοί κινητήρες). Περισσότερες λεπτομέρειες για τους ασύγχρονους μονοφασικούς κινητήρες θα μάθουμε στο πέμπτο κεφάλαιο του μαθήματος των Ηλεκτρικών Μηχανών, το οποίο ασχολείται με τους μονοφασικούς κινητήρες Καθοδηγητικές Ερωτήσεις (Διερεύνηση) Ποιοι είναι οι βασικοί κίνδυνοι κατά την εκκίνηση ενός μονοφασικού κινητήρα; Τι υλικά/στοιχεία θα χρειαστούν για να φτιάξουμε το κύκλωμα; Ποια είναι η συνδεσμολογία του κυκλώματος χειρισμού (Start – Stop) με επαφέα; Πού θα τοποθετηθεί το θερμικό ρελέ και ποιος είναι ο ρόλος του; Πώς θα διασφαλίσουμε την ηλεκτρική ασφάλεια της εγκατάστασης; Ερώτηση : Με ποιον τρόπο πιστεύετε ότι θα μπορούσαμε να συνδέσουμε το τριφασικό θερμικό στον μονοφασικό κινητήρα; Το πρόβλημα δημιουργείται επειδή το θερμικό είναι τριφασικό ενώ ο κινητήρας μονοφασικός. Αν όμως συνδέσουμε τα δύο από τα τρία διμεταλλικά ελάσματα του θερμικού με φάση και ουδέτερο, δεν θα λειτουργεί σωστά το θερμικό. Θα πρέπει τα τρία διμεταλλικά ελάσματα του θερμικού να διαρρέονται από το ίδιο ρεύμα Συμπέρασμα : Θα συνδέσουμε το θερμικό με τέτοιο τρόπο στο δίκτυο ώστε το ρεύμα της φάσης να περάσει από τα δύο διμεταλλικά ελάσματα και ο ουδέτερος από το τρίτο Ερώτηση: Θα μπορούσατε να συνδέσετε το θερμικό με τον κινητήρα με διαφορετικό τρόπο από αυτόν που μόλις υποδείξαμε; Δραστηριότητα: Πριν κατασκευάσετε το ηλεκτρολογικό κύκλωμα, θα πρέπει να το σχεδιάσετε. Καλείστε λοιπόν να σχεδιάστε το κύκλωμα ισχύος και το κύκλωμα ελέγχου της άσκησης Ενέργειες Μαθητών (Καθοδήγηση Εργασίας) Βήμα Περιγραφή 1 Ανάλυση του προβλήματος σε ομάδες 2 Σχεδίαση κυκλώματος ελέγχου και ισχύος σε χαρτί 3 Καταγραφή απαιτούμενων υλικών και εργαλείων 4 Σύνδεση του κυκλώματος στον πίνακα εργαστηρίου 5 Έλεγχος – μέτρηση κυκλώματος και δοκιμαστική εκκίνηση 6 Συζήτηση και παρουσίαση της λύσης κάθε ομάδας Ανάλυση Κυκλώματος ισχύος και Κυκλώματος Ελέγχου Σημείωση: παρατηρήστε ότι το κύκλωμα ελέγχου είναι ίδιο με αυτό της εκκίνησης τριφασικού κινητήρα. Αυτό που αλλάζει είναι το κύκλωμα ισχύος Δραστηριότητα: Για να μπορέσετε να κατασκευάσετε το κύκλωμα, θα πρέπει να γνωρίζετε τα υλικά που θα πρέπει να προμηθευτείτε. Συμπληρώστε τα στον ακόλουθο πίνακα. Μπορείτε να υπολογίσετε το κόστος; Για να βρείτε ενδεικτικές τιμές θα πρέπει να συμβουλευτείτε ιστοσελίδες καταστημάτων εμπορίας ηλεκτρολογικού υλικού Δραστηριότητα Χρησιμοποιώντας τα υλικά που επιλέξατε και ακολουθώντας το σχέδιο που σχεδιάσατε, πραγματοποιήστε τη κατασκευή του κυκλώματος. 1 . Καταρχάς, συγκεντρώστε τα υλικά σας 2 . Στη συνέχεια, τοποθετήστε τα υλικά στην πινακίδα 3 . Στη συνέχεια συνδεσμολογήστε τα υλικά με βάση το κύκλωμα ισχύος και ελέγχου που έχετε σχεδιάσει 4 . Τέλος ελέγξτε το κύκλωμα σας υπό τάση ΕΡΩΤΗΣΕΙΣ Ποιος είναι ο ρόλος του πυκνωτή στην εκκίνηση; Επέκταση / Προκλήσεις Προσθέστε λυχνία ένδειξης λειτουργίας. Οι ομάδες αξιολογούνται ως προς: Περαιτέρω Μελέτη Μονοφασικός Κινητήρας Λειτουργία Μονοφασικού Κινητήρα
Ασκήσεις που πραγματοποιήθηκαν Εκίνηση τριφασικού κινητήρα Εκκίνηση τριφασικού κινητήρα από δύο θέσεις Εκκίνηση δύο κινητήρων Μανδάλωση δύο κινητήρων Εκκίνηση και Αλλαγή φοράς περιστροφής τριφασικού κινητήτα Εκκίνηση Μονοφασικού Κινητήρα Βαθμός Δυσκολίας Άσκησης: 4
Υλικά Κυκλώματος Ισχύος
Υλικά Κυκλώματος Ελέγχου
ΤΟΜΕΑΣ ΗΛΕΚΤΡΟΛΟΓΙΑΣ, ΗΛΕΚΤΡΟΝΙΚΗΣ ΚΑΙ ΑΥΤΟΜΑΤΙΣΜΟΥ                                                                                                                       1o ΕΠΑΛ ΑΜΑΡΟΥΣΙΟΥ ΤΕΧΝΙΚΟΣ ΗΛΕΚΤΡΟΛΟΓΙΚΩΝ ΣΥΣΤΗΜΑΤΩΝ, ΕΓΚΑΤΑΣΤΑΣΕΩΝ ΚΑΙ ΔΙΚΤΥΩΝ                                                                                                 3ο ΕΚ Β ΑΘΗΝΑΣ (ΑΜΑΡΟΥΣΙΟΥ)
ΕΡΓΑΣΤΗΡΙΟ ΗΛΕΚΤΡΙΚΩΝ ΑΥΤΟΜΑΤΙΣΜΩΝ
Ένα από τα τρία είδη μονοφασικών κινητήρων εναλλασσόμενου ρεύματος - τον οποίο και θα χρησιμοποιήσουμε στην άσκηση μας - είναι ο μονοφασικός κινητήρας με πυκνωτή Για τον τρόπο που λειτουργεί ο συγκεκριμένος κινητήρας θα μάθετε στη Γ Λυκείου, στην ειδικότητα των Ηλεκτρολόγων. Για την ώρα αρκεί να γνωρίζεται ότι ο συγκεκριμένος κινητήρας αποτελείται από δυο τυλίγματα - το κύριο και το βοηθητικό - όπου στο βοηθητικό συνδέεται ένας πυκνωτής. Αυτός ο πυκνωτής είναι απαραίτητος για τη δημιουργία κατάλληλου μαγνητικού πεδίου.
Σκοπός της Άσκησης Να κατανοήσουν οι μαθητές τη λειτουργία και τη συνδεσμολογία εκκίνησης ενός μονοφασικού κινητήρα μέσω της διερεύνησης και της πρακτικής επίλυσης ενός ρεαλιστικού προβλήματος. Στο τέλος αυτής της άσκησης οι μαθητές θα είναι σε θέση να: 1 . αναγνωρίζουν και να επιλέγουν τα κατάλληλα υλικά για την εκκίνηση μονοφασικού κινητήρα . 2 . πραγματοποιούν συνδέσεις μεταξύ των διαφόρων υλικών για την πραγματοποίηση της άσκησης . 3 . συνδέουν με διάφορους τρόπους το τριφασικό θερμικό σε μονοφασικό ηλεκτροκινητήρα 4 . ρυθμίζουν το θερμικό στη σωστή ένταση ρεύματος
Πώς μπορεί να διαγνωστεί βλάβη στον πυκνωτή εκκίνησης; Ο κινητήρας δεν ξεκινάει ή κάνει βουητό. Μπορεί να καεί ή να φουσκώσει ο πυκνωτής (οπτική ένδειξη). Μέτρηση με ωμόμετρο ή πολύμετρο: Αντίσταση άπειρη ή μηδενική. Μέτρηση με capacimeter: Μικρότερη από την ονομαστική χωρητικότητα.
Προαπαιτούμενες Γνώσεις Βασικές αρχές λειτουργίας μονοφασικού επαγωγικού κινητήρα Στοιχεία κυκλωμάτων ελέγχου (διακόπτης, ρελέ, επαφέας) Κανόνες ασφαλείας σε ηλεκτρικές εγκαταστάσεις
Ποια είναι τα συμπτώματα ενός μονοφασικού κινητήρα που προσπαθεί να ξεκινήσει αλλά δεν τα καταφέρνει; Ακούγεται συνεχόμενο βουητό. Ο άξονας δεν περιστρέφεται. Προκαλείται υπερθέρμανση. Μπορεί να κάψει την ασφάλεια ή να ενεργοποιηθεί θερμική προστασία.
Τι κινδύνους ενέχει η εσφαλμένη σύνδεση των τυλιγμάτων κατά την εκκίνηση; Ο κινητήρας δεν ξεκινά ή περιστρέφεται αντίστροφα. Υπερφόρτωση του βοηθητικού τυλίγματος. Πιθανή καταστροφή του πυκνωτή ή των τυλιγμάτων. Κίνδυνος ηλεκτροπληξίας από λάθος καλωδίωση.
Μπορεί να λειτουργήσει ένας μονοφασικός κινητήρας χωρίς φορτίο, χωρίς κύκλωμα εκκίνησης; Όχι, δεν ξεκινάει από μόνος του. Αν όμως δοθεί χειροκίνητη περιστροφή στον άξονα, μπορεί να λειτουργήσει προσωρινά χωρίς βοηθητικό τύλιγμα, αλλά αυτό δεν είναι ασφαλές ή πρακτικό.
Πώς μπορούμε να αντιστρέψουμε τη φορά περιστροφής ενός μονοφασικού κινητήρα; Αντιστρέφουμε τη φορά του βοηθητικού τυλίγματος αλλά όχι του κύριου. Δηλαδή αλλάζουμε τις φάσεις μόνο στο βοηθητικό τύλιγμα (swap τα δύο καλώδια). Πολλοί κινητήρες διαθέτουν σχετικό ακροδέκτη ή διακόπτη.