Ασκήσεις που πραγματοποιήθηκαν Εκίνηση τριφασικού κινητήρα Εκκίνηση τριφασικού κινητήρα από δύο θέσεις Εκκίνηση δύο κινητήρων Βαθμός Δυσκολίας Άσκησης:
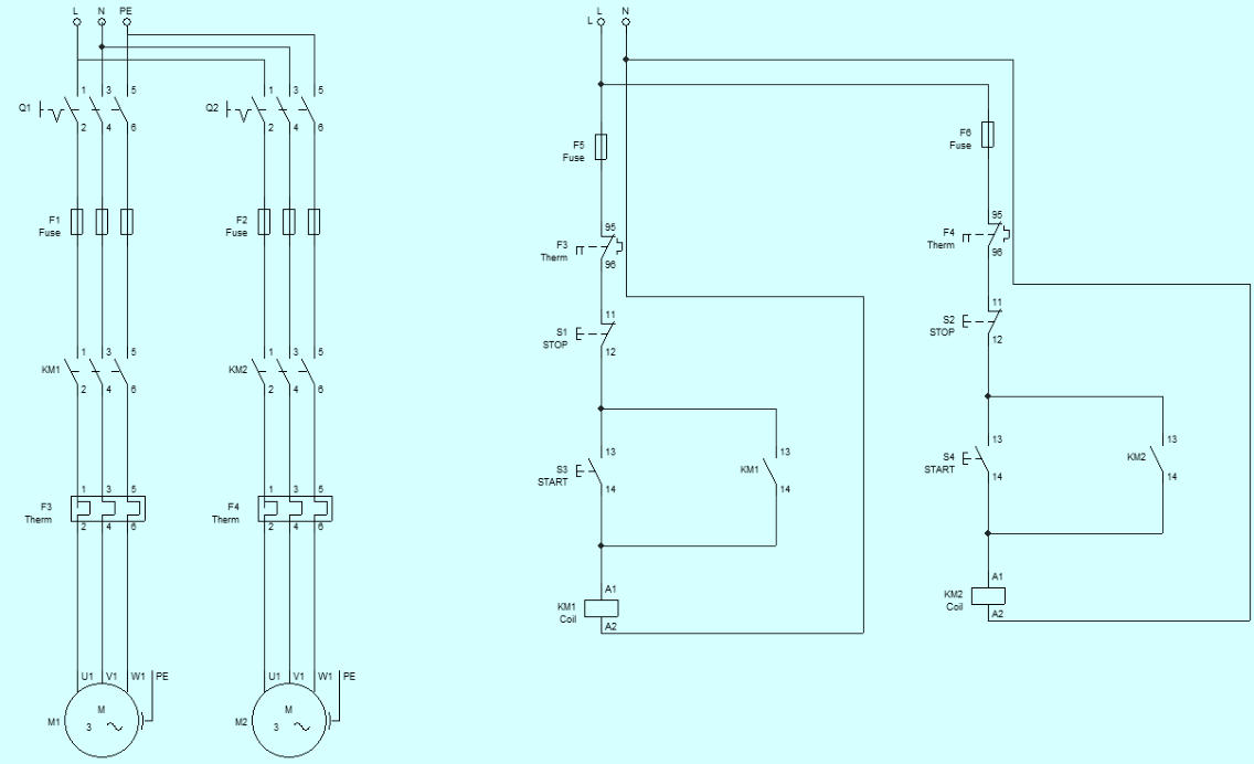
Τίτλος Άσκησης: Εκκίνηση δύο Κινητήρων Πρόβλημα: θέλουμε να κατασκευάσουμε ένα κύκλωμα αυτοματισμού που να ελέγχει τη λειτουργία δυο τριφασικών κινητήρων. Οι δυο κινητήρες θα μπορούν να λειτουργούν είτε ταυτόχρονα, είτε ο ένας από τους δύο. Σύνδεση με την προηγούμενη άσκηση: Στην πρώτη άσκηση “Εκκίνηση τριφασικού κινητηρα” ελέγξαμε τη λειτουργία ενός τριφασικού κινητήρα. Στην παρούσα άσκηση θα κάνουμε το ίδιο σε δυο κινητήρες. Ερώτηση: Ποια υλικά και ποια ποσότητα από αυτά θα πρέπει να χρησιμοποιήσουμε; Θυμηθείτε το ηλεκτρολογικό σχέδιο της πρώτης άσκησης και προσπαθήστε να υπολογίσετε τα υλικά για την άσκηση. Υπενθυμίζουμε ότι θα χρειαστούν τα διπλάσια υλικά σε σχέση με την πρώτη άσκηση. Κύκλωμα Ισχύος και κύκλωμα Ελέγχου Υλικά
ΤΟΜΕΑΣ ΗΛΕΚΤΡΟΛΟΓΙΑΣ, ΗΛΕΚΤΡΟΝΙΚΗΣ ΚΑΙ ΑΥΤΟΜΑΤΙΣΜΟΥ                                                                                                                       1o ΕΠΑΛ ΑΜΑΡΟΥΣΙΟΥ ΤΕΧΝΙΚΟΣ ΗΛΕΚΤΡΟΛΟΓΙΚΩΝ ΣΥΣΤΗΜΑΤΩΝ, ΕΓΚΑΤΑΣΤΑΣΕΩΝ ΚΑΙ ΔΙΚΤΥΩΝ                                                                                                 3ο ΕΚ Β ΑΘΗΝΑΣ (ΑΜΑΡΟΥΣΙΟΥ)
ΕΡΓΑΣΤΗΡΙΟ ΗΛΕΚΤΡΙΚΩΝ ΑΥΤΟΜΑΤΙΣΜΩΝ