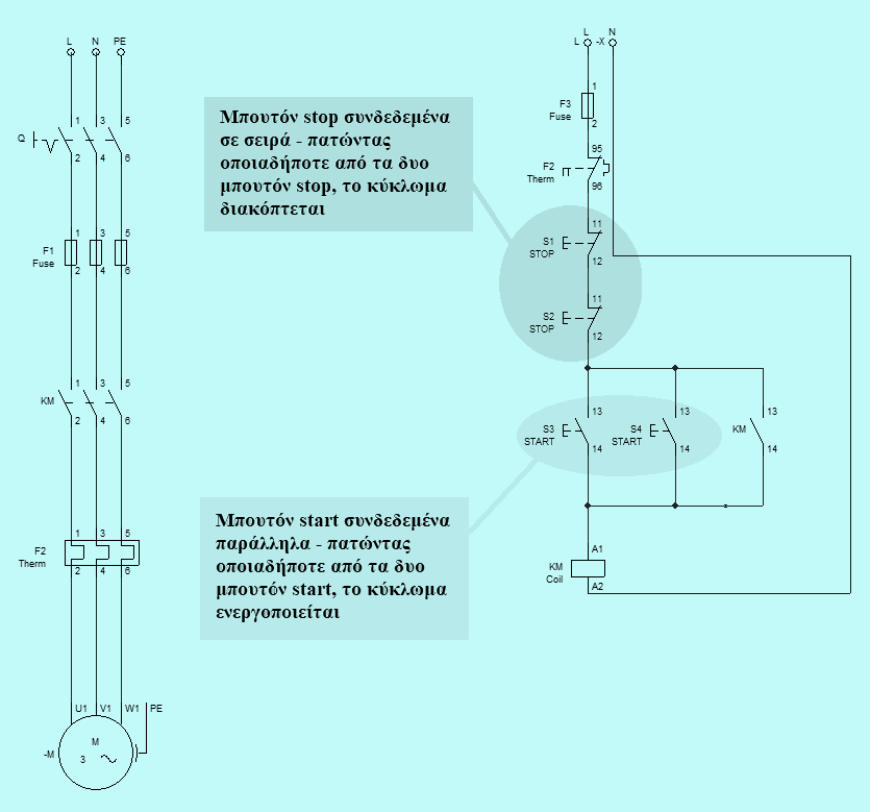
Τίτλος Άσκησης: Εκκίνηση τριφασικού Κινητήρα από δύο θέσεις Πρόβλημα: θέλουμε να κατασκευάσουμε ένα κύκλωμα αυτοματισμού που να ελέγχει έναν κινητήρα από δυο διαφορετικές θέσεις - δηλαδή να ξεκινάει και να σταματάει από δύο διαφορετικά σημεία που βρίσκονται σε απόσταση μεταξύ τους Ρεαλιστική περίπτωση: Είστε τεχνικοί εγκαταστάτες σε μία θερμοκηπιακή μονάδα. Ο υπεύθυνος του έργου σας ζητά να εγκαταστήσετε ένα σύστημα με το οποίο ένας τριφασικός κινητήρας (αντλία νερού) να μπορεί να εκκινείται: Από τον πίνακα ελέγχου (κοντά στο γραφείο). Από την απομακρυσμένη δεξαμενή, που βρίσκεται 30 μέτρα μακριά. Επιπλέον, ο κινητήρας θα πρέπει να μπορεί να σταματήσει από οποιοδήποτε σημείο για λόγους ασφάλειας. Σύνδεση με την προηγούμενη άσκηση: στην προηγούμενη άσκηση μάθαμε πως θα κατασκευάσουμε ένα κύκλωμα αυτοματισμού ώστε να ελέγχουμε τη λειτουργία ενός κινητήρα. Αυτός ο έλεγχο πραγματοποιούνταν από μια συγκεκριμένη θέση στην οποία τοποθετήσαμε ένα μπουτόν start και ένα μπουτόν stop για την εκκίνηση και την πέδηση αντίστοιχα. Στην παρούσα άσκηση θέλουμε να ελέγξουμε ξανά έναν κινητήρα αλλά, αυτή τη φορά, από δύο διαφορετικές θέσεις. Προκαταρκτικές Ερωτήσεις (Διερεύνηση Προϋπαρχουσών Γνώσεων) Τι γνωρίζεις για τη λειτουργία ενός μαγνητικού εκκινητή; Ποιος είναι ο ρόλος του βοηθητικού επαφέα (βοηθητική επαφή); Πώς λειτουργεί ένα κύκλωμα διπλού ελέγχου; Τι συμβαίνει όταν πιέσουμε το μπουτόν start από τη δεύτερη θέση; Ποια εφαρμογή στην καθημερινότητα μπορεί να έχει η συγκεκριμένη εργαστηριακή άσκηση; Προσπαθήστε να σκεφτείτε εφαρμογές όπου είναι απαραίτητος ο έλεγχος ενός κινητήρα από δυο διαφορετικές θέσεις Παραδείγματα Χρήσης Διπλού Ελέγχου Κινητήρα Κινητήρας αντλίας σε αποθήκη – γεωργική εγκατάσταση Θέση 1: Στον χώρο του πίνακα (π.χ. στο αντλιοστάσιο). Θέση 2: Στο σημείο λήψης νερού (π.χ. σε δεξαμενή ή θερμοκήπιο). Ο χρήστης μπορεί να ενεργοποιεί/απενεργοποιεί την αντλία είτε τοπικά είτε απομακρυσμένα. Κινητήρας ταινιοδρόμου (conveyor belt) σε βιομηχανία Θέση 1: Στην αρχή του ιμάντα. Θέση 2: Στο τέλος του ιμάντα. Διευκολύνεται ο χειριστής να ελέγχει την κίνηση του συστήματος από όποιο σημείο βρεθεί. Ανελκυστήρας φορτίων σε βιοτεχνία Θέση 1: Στο ισόγειο. Θέση 2: Στον όροφο. Ο χειριστής μπορεί να κινεί τον ανελκυστήρα από οποιονδήποτε όροφο. Κινητήρας απορροφητήρα/ανεμιστήρα σε εργαστήριο Θέση 1: Στο μηχανοστάσιο ή στον πίνακα. Θέση 2: Μέσα στον χώρο εργασίας. Ενεργοποιείται ο απορροφητήρας για λόγους υγιεινής και ασφάλειας ανάλογα με την ανάγκη. Πλυντήριο εξαρτημάτων σε βιομηχανικό συνεργείο Θέση 1: Δίπλα στον πίνακα. Θέση 2: Δίπλα στην έξοδο του πλυντηρίου. Μπορεί να ξεκινήσει ο κύκλος καθαρισμού είτε από τον τεχνικό χειριστή είτε από τον τεχνικό συντήρησης. Σύστημα κυκλοφορίας νερού (κυκλοφορητής) σε πολυκατοικία Θέση 1: Στον λέβητα ή στο λεβητοστάσιο. Θέση 2: Στον πίνακα του διαχειριστή. Διευκολύνει την εκκίνηση/στάση ανάλογα με την ώρα ή τις ανάγκες. Ερώτημα 1: Ποια τροποποίηση θα πρέπει να κάνουμε στο κύκλωμα ελέγχου για την εκκίνηση ενός τριφασικού κινητήρα ώστε να μπορούμε να τον ελέγχουμε από δυο διαφορετικές θέσεις; Προφανώς θα πρέπει να ξεκινάει και να σταματάει από δυο διαφορετικές θέσεις γεγονός που προυποθέτει την ύπαρξη δυο μπουτόν start και δυο μπουτόν stop - συγκεκριμένα ένα μπουτόν start και ένα μπουτόν stop στη μια θέση ελέγχου και ένα μπουτόν start και ένα μπουτόν stop στην άλλη θέση ελέγχου. Ερώτημα 2: Με ποιον τρόπο θα πρέπει να συνδεθούν τα δυο μπουτόν start μεταξύ τους ώστε ο κινητήρας να ξεκινάει πιέζοντας είτε το ένα είτε το άλλο; Ας θυμηθούμε ότι το μπουτόν start έχει μια κανονικά ανοικτή επαφή - μια επαφή δηλαδή όπου είναι ανοικτή όταν το μπουτόν δεν πιέζεται. Άρα τα δυο μπουτόν θα πρέπει να συνδεθούν σε σειρά ή παράλληλα μεταξύ τους; Σε ποια από τις δυο περιπτώσεις αρκεί το πάτημα του ενός από τα δύο μπουτόν start ώστε να μπορεί να τροφοδοτηθεί ένα φορτίο; Δείτε το διπλανό σχήμα και αποφασίστε … Ερώτημα 3: Με ποιον τρόπο θα πρέπει να συνδεθούν τα δυο μπουτόν stop μεταξύ τους ώστε ο κινητήρας να σταματάειπιέζοντας είτε το ένα είτε το άλλο; Ας θυμηθούμε ότι το μπουτόν stop έχει μια κανονικά κλειστήεπαφή - μια επαφή δηλαδή όπου είναι κλειστή όταν το μπουτόν δεν πιέζεται. Άρα τα δυο μπουτόν θα πρέπει να συνδεθούν σε σειρά ή παράλληλα μεταξύ τους; Σε ποια από τις δυο περιπτώσεις αρκεί το πάτημα του ενός από τα δύο μπουτόν stop ώστε να διακόπτεται η τροφοδοσία ενός φορτίου; Δείτε το διπλανό σχήμα και αποφασίστε … Ας δούμε παρακάτω το κύκλωμα ισχύος και το κύκλωμα ελέγχου του συγκεκριμένου αυτοματισμού Κύκλωμα Ισχύος και κύκλωμα Ελέγχου Σημείωση: Η αυτοσυγκράτηση διατηρεί τον κινητήρα ενεργό μετά την απελευθέρωση του START. Σημείωση: Το θερμικό ρελέ προστατεύει τον κινητήρα από υπερφόρτιση. Ερωτήσεις Κατανόησης (Καθοδηγούμενη Διερεύνηση) Ερώτηση : τι θα συνέβαινε αν τοποθετούσαμε τα μπουτόν stop παράλληλα μεταξύ τους; Ερώτηση : τι θα συνέβαινε αν τοποθετούσαμε τα μπουτόν start σε σειρά μεταξύ τους; Ερώτηση: θα μπορούσαμε να ελέγξουμε έναν κινητήρα από τρεις ή περισσότερες θέσεις; Πως θα πρέπει να τροποποιήσουμε το κύκλωμα, σύμφωνα με αυτά που έχουμε αναφέρει έως τώρα; Πόσα μπουτόν start πρέπει να χρησιμοποιήσουμε και με ποιον τρόπο πρέπει να συνδεθούν στο κύκλωμα; Πόσα μπουτόν stop πρέπει να χρησιμοποιήσουμε και με ποιον τρόπο πρέπει να συνδεθούν στο κύκλωμα; Ερώτηση: Γιατί είναι απαραίτητη η αυτοσυγκράτηση; Ερώτηση: Τι θα συμβεί αν δεν χρησιμοποιήσουμε θερμικό ρελέ; Ερώτηση: Μπορείς να εξηγήσεις πώς λειτουργεί το κύκλωμα από την αρχή έως τη στιγμή που ο κινητήρας ξεκινά; Αξιολόγηση – Αναστοχασμός Περιγράψτε με λόγια πώς λειτουργεί το κύκλωμα που κατασκευάσατε. Ποιες δυσκολίες συναντήσατε; Πώς τις ξεπεράσατε; Αν αλλάζαμε τις θέσεις των μπουτόν, θα λειτουργούσε σωστά το κύκλωμα; Ποια προβλήματα αντιμετωπίσατε κατά την κατασκευή; Τι μάθατε από τη σημερινή άσκηση; Πού μπορεί να εφαρμοστεί αυτή η τεχνική στην πράξη; Δραστηριότητα Εμπλουτισμού (προαιρετικά) Σχεδίασε το ίδιο κύκλωμα, αλλά πρόσθεσε και ενδεικτική λυχνία λειτουργίας όταν ο κινητήρας δουλεύει. Αντικατάστησε το ένα START με διακόπτη. Τι αλλάζει; Μπορείς να σχεδιάσεις το ίδιο κύκλωμα αλλά να ελέγχεται από τρεις θέσεις; Οι ομάδες αξιολογούνται ως προς: Αναστοχασμός - Τελικές Ερωτήσεις Αν ήσουν ο τεχνικός προϊστάμενος, τι θα ζητούσες να προστεθεί για μεγαλύτερη ασφάλεια; Ποιες άλλες εφαρμογές στον βιομηχανικό τομέα απαιτούν παρόμοια λειτουργία;
Ασκήσεις που πραγματοποιήθηκαν Εκίνηση τριφασικού κινητήρα Εκκίνηση τριφασικού κινητήρα από δύο θέσεις Βαθμός Δυσκολίας Άσκησης: 2
ΤΟΜΕΑΣ ΗΛΕΚΤΡΟΛΟΓΙΑΣ, ΗΛΕΚΤΡΟΝΙΚΗΣ ΚΑΙ ΑΥΤΟΜΑΤΙΣΜΟΥ                                                                                                                       1o ΕΠΑΛ ΑΜΑΡΟΥΣΙΟΥ ΤΕΧΝΙΚΟΣ ΗΛΕΚΤΡΟΛΟΓΙΚΩΝ ΣΥΣΤΗΜΑΤΩΝ, ΕΓΚΑΤΑΣΤΑΣΕΩΝ ΚΑΙ ΔΙΚΤΥΩΝ                                                                                                 3ο ΕΚ Β ΑΘΗΝΑΣ (ΑΜΑΡΟΥΣΙΟΥ)
ΕΡΓΑΣΤΗΡΙΟ ΗΛΕΚΤΡΙΚΩΝ ΑΥΤΟΜΑΤΙΣΜΩΝ
Γενικός Σκοπός: Οι μαθητές να κατανοήσουν, σχεδιάσουν και υλοποιήσουν ένα κύκλωμα που επιτρέπει την εκκίνηση και τη διακοπή ενός τριφασικού κινητήρα από δύο διαφορετικές θέσεις ελέγχου, με έμφαση στην ασφάλεια, την αυτοσυγκράτηση και τη βιομηχανική εφαρμογή. Μαθησιακοί Στόχοι Με το τέλος του μαθήματος, οι μαθητές θα είναι σε θέση να: Περιγράφουν τη λειτουργία των START και STOP μπουτόν. Εξηγούν την αρχή λειτουργίας της αυτοσυγκράτησης. Συνδέουν σε πραγματικό πίνακα ένα κύκλωμα διπλού ελέγχου. Εντοπίζουν πιθανά λάθη και βλάβες. Συνεργάζονται σε ομάδες για την επίλυση τεχνικών προβλημάτων.
Ο έλεγχος ενός τριφασικού κινητήρα από δύο διαφορετικές θέσεις είναι πολύ συνηθισμένος σε εγκαταστάσεις όπου απαιτείται ευελιξία και ασφάλεια στη λειτουργία, κυρίως σε βιομηχανικό ή επαγγελματικό περιβάλλον.
Κατανόηση του προβλήματος Ποια είναι η απαίτηση του πελάτη; Τι είδους κινητήρας χρησιμοποιείται; Τι κινδύνους θα πρέπει να λάβετε υπόψη; Καταιγισμός ιδεών (brainstorming) Πώς θα μπορούσατε να σχεδιάσετε το κύκλωμα; Τι είδη διακοπτών ή εξαρτημάτων θα χρειαστείτε; Πώς θα προστατεύσετε τον κινητήρα;