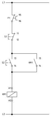
Τίτλος Άσκησης: Αυτόματη εκκίνηση ΑΤΚΒΔ με προτεραιότητα στο stop Πρόβλημα: Ένας τριφασικός κινητήρας θέλουμε να ξεκινάει με ένα μπουτον start και να σταματάει με ένα μπουτόν stop. Όταν ο κινητήρας λειτουργεί θα πρέπει να ανάβει μια ενδεικτική λυχνία. Επίσης, σε περίπτωση υπερφόρτισης θέλουμε το θερμικό να διακόπτει τη λειτουργία του κινητήρα και να ανάβει μια ενδεικτική λυχνία. Όταν πατηθούν ταυτόχρονα τα δύο μπουτόν, θα πρέπει ο κινητήρας να μην λειτουργεί – προτεραιότητα στο stop Σενάριο Το Πρόβλημα: Σε ένα μικρό εργαστήριο επεξεργασίας ξύλου υπάρχει ένας τριφασικός κινητήρας που κινεί το σύστημα μεταφοράς πρώτης ύλης. Ο κινητήρας πρέπει να ξεκινά χειροκίνητα από έναν πίνακα με START και να σταματά με STOP. Ωστόσο, η διοίκηση ζητά να γίνεται πλέον έλεγχος μέσω PLC ώστε μελλοντικά να ενσωματωθούν αισθητήρες και αυτόματες λειτουργίες. Πρόκληση για τον Μαθητή: Πώς θα διαμορφώσεις ένα κύκλωμα και πρόγραμμα PLC που να επιτρέπει την ασφαλή και λειτουργική εκκίνηση/παύση του κινητήρα μέσω START/STOP, με χρήση τυπικών στοιχείων αυτοματισμού; Χαρακτηρισμός εισόδων και εξόδων του PLC Για την άσκηση θα χρησιμοποιήσουμε ένα μπουτόν start, ένα μπουτόν stop και την κλειστή επαφή του θερμικού ως εισόδους. Ως έξοδο θα χρησιμοποιήσουμε το πηνίο του ηλεκτρονόμου οι επαφές ισχύος του οποίου τροφοδοτούν τον κινητήρα. Πως χαρακτηρίζονται στον κλασσικό αυτοματισμό και πως θα συμβολιστούν στο PLC; Προσπαθήστε να τα αποτυπώσετε στον παρακάτω πίνακα. Στη συνέχεια συμπληρώστε τον ακόλουθο πίνακα αληθείας. Προσπαθήστε για κάθε συνδυασμό εισόδων να αποφασίσετε την κατάσταση της εξόδου. Υπενθυμίζουμε ότι όταν από το μπουτόν περνάει ρεύμα θεωρούμε ότι η κατάσταση του είναι 1 ενώ όταν δεν περνάει ρεύμα από το μπουτόν, η κατάσταση του είναι 0. Επίσης όταν η έξοδος είναι ενεργοποιημένη, η κατάσταση του είναι 1 ενώ όταν η έξοδος δεν είναι ενεργοποιημένη, η κατάσταση του είναι 0. Τέλος, με Q΄ χαρακτηρίζουμε την προηγούμενη κατάσταση της εξόδου ενώ με Q την παρούσα κατάσταση της εξόδου. Συνδεσμολογία Πίνακας αληθείας Στην παρούσα φάση δεν υπολογίζουμε την ανοικτή επαφή 97 - 98 του θερμικού ώστε να μην γίνει ο πίνακας αληθείας πολύ μεγάλος. Θα την προσθέσουμε στο πρόγραμμα αυτοματισμού αργότερα - αν την υπολογίζαμε, τότε θα είχαμε μια είσοδο παραπάνω και συνεπώς 32 αντι για 16 διαφορετικούς συνδυασμούς εισόδων Ερώτηση: Ποιοι συνδυασμοί από τον πίνακα αληθείας ορίζουν στο κύκλωμα την προτεραιότητα στο stop; Ερώτηση: Γιατί το συγκεκριμένο κύκλωμα χαρακτηρίζετε ως ακολουθιακό; Ποιοι συνδυασμοί του πίνακα αληθείας δείχνουν ότι το κύκλωμα είναι ακολουθιακό; Στη συνέχεια εξάγετε την μαθηματική εξίσωση από τον πίνακα αληθείας. Υπενθυμίζουμε ότι μας ενδιαφέρουν οι συνδυασμοί εισόδων που δίνουν έξοδο 1. Μαθηματική Εξίσωση Q = I1 ΄ * I2 * I3 * Qt + I1 * I2 * I3 * Qt ’ + I1 * I2 * I3 * Qt Τέλος συμπληρώστε τον πίνακα Karnaugh, απλοποιήστε την εξίσωση και γράψτε το αντίστοιχο πρόγραμμα λειτουργίας αυτοματισμού σε οποιαδήποτε γλώσσα επιθυμείτε. Απλοποίηση με πίνακα Karnaugh Απλοποιημένη Εξίσωση A Περίπτωση: Q = I2 * I3 * Qt + I1 * I2 * I3 Β Περίπτωση: Q = I2 * I3 * (Qt + I1) Πρόγραμμα λειτουργίας του αυτοματισμού Α Περίπτωση Β Περίπτωση Υλοποίηση – Δοκιμή Κατασκευή κυκλώματος στον πίνακα Φόρτωση και έλεγχος του προγράμματος στο PLC Δοκιμή κανονικής λειτουργίας και σφαλμάτων Ερώτηση : Ποια μορφή θα έπαιρνε το πρόγραμμα μας αν θέλαμε να προσθέσουμε μια ενδεικτική λυχνία (Q2) η οποία θα άναβε όταν λειτουργούσε ο κινητήρας μας και μια ενδεικτική λυχνία (Q3) η οποία θα άναβε σε περίπτωση βραχυκυκλώματος ή υπερφόρτισης δηλαδή όταν λειτουργήσει το θερμικό Υπενθύμιση: συνηθίζεται να χρησιμοποιούμε πράσινη ενδεικτική λυχνία για να δείξουμε ότι κάτι λειτουργεί σωστά και κόκκινη ενδεικτική λυχνία για να δείξουμε κίνδυνο. ΣΥΜΠΕΡΑΣΜΑΤΑ Τι πλεονεκτήματα προσφέρει ο έλεγχος μέσω PLC αντί με relay;
Η Β Περίπτωση αντιστοιχεί στο κύκλωμα ελέγχου του κλασσικού αυτοματισμού για την εκκίνηση κινητήρα
Σκεφτείτε πότε θα πρέπει να ανάβει η πράσινη ενδεικτική λυχνία και πότε η κόκκινη ενδεικτική λυχνία Προφανώς η πράσινη όταν λειτουργεί η έξοδος, ενώ η κόκκινη όταν διεγείρεται το θερμικό
ΤΟΜΕΑΣ ΗΛΕΚΤΡΟΛΟΓΙΑΣ, ΗΛΕΚΤΡΟΝΙΚΗΣ ΚΑΙ ΑΥΤΟΜΑΤΙΣΜΟΥ                                                                                                                       1o ΕΠΑΛ ΑΜΑΡΟΥΣΙΟΥ ΤΕΧΝΙΚΟΣ ΗΛΕΚΤΡΟΛΟΓΙΚΩΝ ΣΥΣΤΗΜΑΤΩΝ, ΕΓΚΑΤΑΣΤΑΣΕΩΝ ΚΑΙ ΔΙΚΤΥΩΝ                                                                                                 3ο ΕΚ Β ΑΘΗΝΑΣ (ΑΜΑΡΟΥΣΙΟΥ)
ΕΡΓΑΣΤΗΡΙΟ ΗΛΕΚΤΡΙΚΩΝ ΑΥΤΟΜΑΤΙΣΜΩΝ
Μαθησιακοί Στόχοι Οι μαθητές θα: Αναλύσουν ένα πραγματικό πρόβλημα αυτοματισμού. Πραγματοποιήσουν την εκκίνηση τριφασικού κινητήρα μέσω ρελέ και PLC. Κατανοήσουν τη χρήση εξόδων PLC για έλεγχο ισχύος. Αναγνωρίσουν τα στοιχεία του κυκλώματος ισχύος και ελέγχου. Περιγράφουν τον ρόλο του PLC στον έλεγχο της εκκίνησης. Σχεδιάσουν και θα υλοποιείσουν ένα πρόγραμμα PLC για απευθείας εκκίνηση. Συνδέσουν σωστά τις εισόδους και εξόδους του PLC με τον εξωτερικό αυτοματισμό.
Λογική Πατώντας το START, ενεργοποιείται το Q1 Το Q1 παραμένει ενεργό μέσω αυτοσυγκράτησης Το STOP ή το θερμικό απενεργοποιούν το Q1