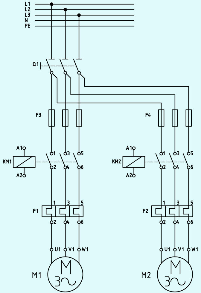
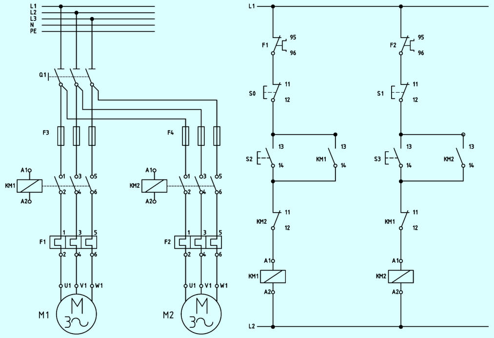
Τίτλος ‘Ασκησης: Μανδάλωση δύο Κινητήρων Πρόβλημα: Θέλουμε να κατασκευάσουμε ένα κύκλωμα με το οποίο να αποτρέπουμε την ταυτόχρονη λειτουργία δύο τριφασικών κινητήρων Σύνδεση με την προηγούμενη Άσκηση: Σε αυτή την άσκηση θα εκκινήσουμε δύο κινητήρες, όπως και στην προηγούμενη άσκηση, με τη διαφορά ότι θα πρέπει να τροποποιήσουμε το κύκλωμα με τέτοιον τρόπο ώστε να μην μπορούν οι δύο κινητήρες να λειτουργούν ταυτόχρονα. Αυτή η λειτουργία σχετίζεται με το κύκλωμα ελέγχου και ονομάζεται μανδάλωση. Ποια εφαρμογή στην καθημερινότητα μπορεί να έχει η συγκεκριμένη εργαστηριακή άσκηση; Προσπαθήστε να σκεφτείτε εφαρμογές όπου είναι απαραίτητη η ύπαρξη δύο κινητήρων οι οποίοι όμως δεν θα πρέπει να λειτουργούν ταυτόχρονα. Ερώτημα 1: Με ποιον τρόπο μπορούμε να αποκλείσουμε την ταυτόχρονη λειτουργία δύο κινητήρων; Για να κάνουμε το πρόβλημα πιο απλό, θα πρέπει απλά να αποκλείσουμε την ταυτόχρονη λειτουργία των δύο ηλεκτρονόμων - αφού οι κινητήρες ελέγχονται από τις κύριες επαφές των ηλεκτρονόμων. Από τη στιγμή που πρόκειται για παρέμβαση που σχετίζεται με τον έλεγχο των κινητήρων, θα πρέπει να γίνει στο κύκλωμα ισχύος ή στο κύκλωμα ελέγχου; Θυμηθείτε ότι υπάρχουν κλειστές βοηθητικές επαφές ήλεκτρονόμων οι οποίες ανοίγουν όταν διεγείρεται ο ηλεκτρονόμος. Συνεπώς, αν μια τέτοια επαφή του ενός ηλεκτρονόμου συνδεθεί στο πηνίο του άλλου ηλεκτρονόμου και αντίστοιχα συμβεί το ίδιο για τον άλλο ηλεκτρονόμο, τότε όταν διεγείρεται ο ένας ηλεκτρονόμος δεν θα μπορεί να διεγείρεται ο δεύτερος. Και συνεπώς, όταν λειτουργεί ο πρώτος κινητήρας δεν θα μπορεί να λειτουργεί ο δεύτερος. Ας δούμε παρακάτω, στο κύκλωμα ελέγχου, τον τρόπο με τον οποίο λειτουργούν αυτά που αναφέραμε έως τώρα Ανάλυση Κυκλώματος Ελέγχου Αν πιέσουμε το μπουτόν start S2, τότε θα διεγερθεί ο ΚΜ1 ηλεκτρονόμος με αποτέλεσμα να αλλάξουν κατάσταση οι επαφές του δηλαδή η 13 - 14 του ΚΜ1 θα κλείσει ώστε να έχουμε τη λειτουργία της αυτοσυγκράτησης και, επίσης, η 11 - 12 του ΚΜ1 θα ανοίξει με αποτέλεσμα να αποκλειστεί η ταυτόχρονη διέγερση του ΚΜ2 ηλεκτρονόμου. Για να διεγερθεί ο ΚΜ2 ηλεκτρονόμος θα πρέπει καταρχάς να πιέσουμε το μπουτόν stop S0 ώστε να αποδιεγερθεί ο ΚΜ1 ηλεκτρονόμος. Στη συνέχεια, θα πρέπει να πιέσουμε το μπουτόν start S3 ώστε να διεγερθεί ο ΚΜ2 ηλεκτρονόμος και ταυτόχρονα να αλλάξουν κατάσταση οι επαφές του δηλαδή η 13 - 14 του ΚΜ2 θα κλείσει ώστε να έχουμε τη λειτουργία της αυτοσυγκράτησης και, επίσης, η 11 - 12 του ΚΜ2 θα ανοίξει με αποτέλεσμα να αποκλειστεί η ταυτόχρονη διέγερση του ΚΜ1 ηλεκτρονόμου. Ανάλυση κυκλώματος Ισχύος Το κύκλωμα ισχύος αφορά την εκκίνηση δύο κινητήρων. Ουσιαστικά αποτελεί το κύκλωμα ισχύος της άσκησης “Εκκίνηση τριφασικού Κινητήρα” εφαρμοσμένο σε δύο διαφορετικούς κινητήρες. Παρακάτω μπορείτε να δείτε το κύκλωμα ισχύος και το κύκλωμα ελέγχου ώστε να έχετε μια συνολική εικόνα του αυτοματισμού Κύκλωμα Ισχύος & Ελέγχου Ερώτηση: είναι απαραίτητη η ύπαρξη των δύο μπουτόν stop; Μήπως θα μπορούσαμε να τροποποιήσουμε το κύκλωμα ώστε και οι δυο κινητήρες να σταματάνε από το ίδιο μπουτόν stop; Υλικά Σημείωση: Ένα διαφορετικό είδος μανδάλωσης αποτελεί η μηχανική μανδάλωση. Πρόκειται για ένα εξάρτημα το οποίο προσαρμόζεται κατάλληλα ανάμεσα στους δυο ηλεκτρονόμους που θέλουμε να μανδαλώσουμε και δεν επιτρέπει να κινηθούν ταυτόχρονα και οι δυο οπλισμοί. Άρα όταν έχει διεγερθεί ο ένας ηλεκτρονόμος (και προφανώς έχει κινηθεί ο οπλισμός του) δεν μπορεί να συμβεί το ίδιο και στον δεύτερο. Δεν αποτελεί ασφαλή μανδάλωση αφού εξαρτάται από μηχανικά μέρη τα οποία μπορεί τελικά να μην λειτουργήσουν. Τοποθετείται προεραιτικά μαζί με την ηλεκτρική μανδάλωση η οποία είναι ασφαλής και, συνεπώς, υποχρεωτική. Επίσης υπάρχει και η λογική μανδάλωση, η οποία σχετίζεται με τις γλώσσες προγραμματισμού του Προγραμματιζόμενου Λογικού Ελεγκτή, με το οποίο θα ασχοληθούμε στην Γ Λυκείου στο εργαστήριο των Αυτοματισμών Προγραμματιζόμενης Λογικής. Μπορείτε να δείτε στο διπλανό σχήμα το ηλεκτρολογικό σχέδιο της μηχανικής μανδάλωσης δύο ηλεκτρονόμων. Ερώτηση: Θα μπορούσαμε να μανδαλώσουμε τρεις ηλεκτρονόμους; Μηχανική μανδάλωση σε τρεις ηλεκτρονόμους μπορεί να πραγματοποιηθεί σε συγκεκριμένες μάρκες κάποιων εταιριών κατασκευής ηλεκτρονόμων, όπως φαίνεται στη διπλανή φωτογραφία όπου οι τρεις ηλεκτρονόμοι ισχύος είναι τοποθετημένοι ο ένας κάτω από το άλλο. Το ερώτημα που τίθεται είναι αν θα μπορούσαμε να πραγματοποιήσουμε ηλεκτρική μανδάλωση σε τρεις διαφορετικούς ηλεκτρονόμους. Αφού, σε περίπτωση τέτοιας δυνατότητας, δεν θα υπάρχει περιορισμός ως προς τη μάρκα και την εταιρία κατασκευής. Για να μπορέσουμε να εφαρμόσουμε ηλεκτρική μανδάλωση σε τρεις ηλεκτρονόμους, θα πρέπει να εφαρμόσουμε αυτά που μάθαμε στην ηλεκτρική μανδάλωση δύο ηλεκτρονόμων. Δηλαδή να σκεφτούμε ποιες επαφές πραγματοποιούν τη συγκεκριμένη λειτουργία και να τροποποιήσουμε το κύκλωμα αναλόγως. Περαιτέρω Μελέτη ΣΧΕΔΙΑΣΗ & ΠΡΟΣΟΜΟΙΩΣΗ ΑΠΛΩΝ ΑΥΤΟΜΑΤΙΣΜΩΝ ΜΕ ΤΟ CadeSIMU - ΜΑΝΔΑΛΩΣΗ ΜΕΤΑΞΥ ΔΥΟ ΦΟΡΤΙΩΝ Installing & Removing Mechanical and Electrical Interlock on TeSys D | Schneider Electric Support Assembling the 11BGX5000 mechanical interlock - BG series contactors | LOVATO Electric Mechanical Interlock | CHINT
Ασκήσεις που πραγματοποιήθηκαν Εκίνηση τριφασικού κινητήρα Εκκίνηση τριφασικού κινητήρα από δύο θέσεις Εκκίνηση δύο κινητήρων Μανδάλωση δύο κινητήρων Βαθμός Δυσκολίας Άσκησης:
ΤΟΜΕΑΣ ΗΛΕΚΤΡΟΛΟΓΙΑΣ, ΗΛΕΚΤΡΟΝΙΚΗΣ ΚΑΙ ΑΥΤΟΜΑΤΙΣΜΟΥ                                                                                                                       1o ΕΠΑΛ ΑΜΑΡΟΥΣΙΟΥ ΤΕΧΝΙΚΟΣ ΗΛΕΚΤΡΟΛΟΓΙΚΩΝ ΣΥΣΤΗΜΑΤΩΝ, ΕΓΚΑΤΑΣΤΑΣΕΩΝ ΚΑΙ ΔΙΚΤΥΩΝ                                                                                                 3ο ΕΚ Β ΑΘΗΝΑΣ (ΑΜΑΡΟΥΣΙΟΥ)
ΕΡΓΑΣΤΗΡΙΟ ΗΛΕΚΤΡΙΚΩΝ ΑΥΤΟΜΑΤΙΣΜΩΝ