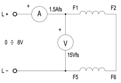
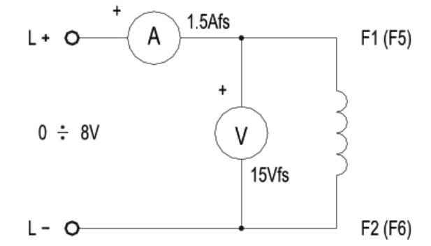
Μελέτη του Μαγνητικού Πεδίου Ηλεκτρικής Μηχανής ΠΕΙΡΑΜΑ 1.1 ΡΟΗ ΠΟΥ ΠΑΡΑΓΕΤΑΙ ΑΠΟ ΤΟΥΣ ΠΟΛΟΥΣ Εξαρτήματα:  1 στάτης μηχανής συνεχούς ρεύματος  1 μαγνητικός ανιχνευτής  1 DL 10281 Δομοστοιχείο τροφοδοσίας  1 DL 10282N Δομοστοιχείο μέτρησης ΠΕΙΡΑΜΑ Αρ.°1.1: ΚΥΡΙΟΙ ΠΟΛΟ Κύριοι Πόλοι Διαδικασία Κατασκευάστε το κύκλωμα που φαίνεται στο προηγούμενο τοπογραφικό διάγραμμα χρησιμοποιώντας μόνο τον στάτη της μηχανής συνεχούς ρεύματος, χωρίς ρότορα. Στην αρχή τροφοδοτείται το πηνίο F1-F2. Ρυθμίστε το δομοστοιχείο τροφοδοσίας DL 10281 για μεταβαλλόμενη συνεχή τάση 0÷8V/12A: επιλογέας «c0d» στη θέση «d» και κομβίο ελέγχου στο 0%. Χρησιμοποιήστε το δομοστοιχείο μέτρησης DL 10282N και διαβάστε τις τιμές του βολτόμετρου και του αμπερόμετρου για μετρήσεις συνεχούς ρεύματος στην πρώτη διάταξη και παρατηρήστε τις πολικότητες (+ στον κόκκινο ακροδέκτη). Ενεργοποιήστε το δομοστοιχείο τροφοδοσίας και ρυθμίστε την τιμή του ρεύματος διέγερσης περίπου στο 0,3 A (τιμή συνεχούς ρεύματος στην πρώτη διάταξη μέτρησης). Συνδέστε τον μαγνητικό ανιχνευτή ανάμεσα στους πόλους σε αντιστοιχία με τον άξονα της μηχανής. Η διεύθυνση της ροής που δημιουργείται φαίνεται από τον μικρό μαγνήτη που έχει τον βόρειο πόλο με κόκκινο χρώμα. Αφού απενεργοποιήσετε την τροφοδοσία, επαναλάβετε την προηγούμενη διαδικασία αντικαθιστώντας τον ακροδέκτη F1 με τον F5 και τον F2 με τον F6. Αν τελικά, η φορά του ρεύματος διέγερσης αντιστρέφεται, η ένδειξη του ανιχνευτή θα καταλήξει σε μία αντίθετη φορά σχετικά με την προηγούμενη. Σημείωση Στο τέλος του πειράματος και αφού έχετε απενεργοποιήσει το τροφοδοτικό, επιβεβαιώστε ότι υπάρχει ακόμη ένα αδύναμο μαγνητικό πεδίο λόγω της παραμένουσας μαγνήτισης. ΠΕΙΡΑΜΑ Αρ.°1.2: ΒΟΗΘΗΤΙΚΟΙ ΠΟΛΟΙ Βοηθητικοί Πόλοι Διαδικασία Κατασκευάστε το κύκλωμα που φαίνεται στο προηγούμενο τοπογραφικό διάγραμμα χρησιμοποιώντας μόνο τον στάτη της μηχανής συνεχούς ρεύματος, χωρίς ρότορα. Ρυθμίστε το δομοστοιχείο τροφοδοσίας DL 10281 για μεταβαλλόμενη συνεχή τάση 0÷8V/12A: επιλογέας «c0d» στη θέση «d» και κομβίο ελέγχου στο 0%. Χρησιμοποιήστε το δομοστοιχείο μέτρησης DL 10282N και διαβάστε τις τιμές του βολτόμετρου και του αμπερόμετρου για μετρήσεις συνεχούς ρεύματος στην πρώτη διάταξη και παρατηρήστε τις πολικότητες (+ στον κόκκινο ακροδέκτη). Ενεργοποιήστε το δομοστοιχείο τροφοδοσίας και ρυθμίστε την τιμή του ρεύματος διέγερσης περίπου στο 5A (τιμή συνεχούς ρεύματος στην πρώτη διάταξη μέτρησης). Συνδέστε τον μαγνητικό ανιχνευτή ανάμεσα στους πόλους σε αντιστοιχία με τον άξονα της μηχανής. Η διεύθυνση της ροής βοηθητικού πόλου φαίνεται από τον μικρό μαγνήτη που έχει τον βόρειο πόλο με κόκκινο χρώμα. Αφού απενεργοποιήσετε την τροφοδοσία, επαναλάβετε την προηγούμενη διαδικασία αντιστρέφοντας τη φορά του ρεύματος διέγερσης: η ένδειξη του ανιχνευτή θα καταλήξει σε μία αντίθετη φορά σχετικά με την προηγούμενη. ΠΕΙΡΑΜΑ 1.2 ΚΥΡΙΟ ΜΑΓΝΗΤΙΚΟ ΠΕΔΙΟ Εξαρτήματα:  1 στάτης μηχανής συνεχούς ρεύματος  1 μαγνητικός ανιχνευτής  1 DL 10281 Δομοστοιχείο τροφοδοσίας  1 DL 10282N Δομοστοιχείο μέτρησης Αθροιστική Σύνδεση τυλιγμάτων Διαφορική Σύνδεση τυλιγμάτων Διαδικασία Κατασκευάστε το κύκλωμα που φαίνεται στο προηγούμενο τοπογραφικό διάγραμμα χρησιμοποιώντας μόνο τον στάτη της μηχανής συνεχούς ρεύματος, χωρίς ρότορα. Στην αρχή συνδέστε τα πηνία διέγερσης F1-F2 και F5-F6 σε παράλληλες σειρές (ηλεκτρικό διάγραμμα 2.1) Ρυθμίστε το δομοστοιχείο τροφοδοσίας DL 10281 για μεταβαλλόμενη συνεχή τάση 0÷8V/12A: επιλογέας «c0d» στη θέση «d» και κομβίο ελέγχου στο 0%. Χρησιμοποιήστε το δομοστοιχείο μέτρησης DL 10282N και διαβάστε τις τιμές του βολτόμετρου και του αμπερόμετρου για μετρήσεις συνεχούς ρεύματος στην πρώτη διάταξη και παρατηρήστε τις πολικότητες (+ στον κόκκινο ακροδέκτη). Ενεργοποιήστε το δομοστοιχείο τροφοδοσίας και ρυθμίστε την τιμή του ρεύματος διέγερσης περίπου στο 0,2 A (μέγιστη δεξιόστροφη περιστροφή του κομβίου ελέγχου). Συνδέστε τον μαγνητικό ανιχνευτή ανάμεσα στους πόλους σε αντιστοιχία με τον άξονα της μηχανής. Η διεύθυνση της βοηθητικής ροής φαίνεται από τον μικρό μαγνήτη που έχει τον βόρειο πόλο με κόκκινο χρώμα. Κινήστε τον ανιχνευτή γύρω από τα πέδιλα πόλου και καταγράψτε τη διεύθυνση της ροής σε αντιστοιχία με τα άκρα των πόλων: η διεύθυνση αυτή είναι ακτινική. Αφού απενεργοποιήσετε την τροφοδοσία, πραγματοποιήστε τη σύνδεση σε αντίθετη σειρά (ηλεκτρικό διάγραμμα 2.2) συνδέοντας τον ακροδέκτη F2 στον F6 και τον ακροδέκτη F5 στον L-. Ενεργοποιήστε ξανά το δομοστοιχείο τροφοδοσίας και ρυθμίστε το ρεύμα διέγερσης περίπου στο 0,2 A. Σε αυτές τις συνθήκες, η προκύπτουσα ροή σε αντιστοιχία με τον άξονα της μηχανής είναι σχεδόν μηδέν γιατί δημιουργούνται ορισμένοι πόλοι με την ίδια πολικότητα.
ΤΟΜΕΑΣ ΗΛΕΚΤΡΟΛΟΓΙΑΣ, ΗΛΕΚΤΡΟΝΙΚΗΣ ΚΑΙ ΑΥΤΟΜΑΤΙΣΜΟΥ                                                                                                                       1o ΕΠΑΛ ΑΜΑΡΟΥΣΙΟΥ ΤΕΧΝΙΚΟΣ ΗΛΕΚΤΡΟΛΟΓΙΚΩΝ ΣΥΣΤΗΜΑΤΩΝ, ΕΓΚΑΤΑΣΤΑΣΕΩΝ ΚΑΙ ΔΙΚΤΥΩΝ                                                                                                 3ο ΕΚ Β ΑΘΗΝΑΣ (ΑΜΑΡΟΥΣΙΟΥ)
ΕΡΓΑΣΤΗΡΙΟ ΗΛΕΚΤΡΙΚΩΝ ΜΕΤΡΗΣΕΩΝ
Σκοπός της Άσκησης Μαθησιακοί Στόχοι Επαλήθευση της δημιουργίας μαγνητικής ροής μέσω ηλεκτρομαγνητών.  Προσδιορισμός της διεύθυνσης της μαγνητικής ροής. Προσδιορισμός της διεύθυνσης της κύριας μαγνητικής ροής που προκαλείται με ηλεκτρομαγνήτες. Παρατήρηση της κατανομής της ροής γύρω από τα πέδιλα πόλου.