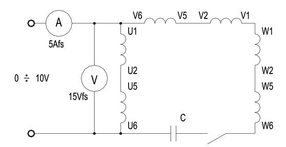
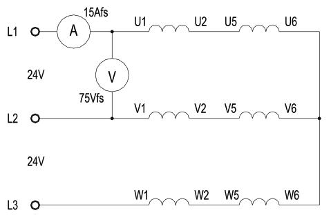
Μελέτη Στρεφόμενου Μαγνητικού Πεδίου Εξαρτήματα 1 στάτης μηχανής εναλλασσόμενου ρεύματος 1 μαγνητικός ανιχνευτής 1 DL 10281 Δομοστοιχείο τροφοδοσίας 1 DL 10282N Δομοστοιχείο μέτρησης 1 DL 10283 Φορτία και ρεοστάτες ΠΕΙΡΑΜΑ 1: ΤΡΙΦΑΣΙΚΟ ΣΤΡΕΦΟΜΕΝΟ ΠΕΔΙΟ Ηλεκτρικό διάγραμμα Τοπογραφικό διάγραμμα Διαδικασία Κατασκευάστε το κύκλωμα που φαίνεται στο προηγούμενο τοπογραφικό διάγραμμα χρησιμοποιώντας μόνο τον στάτη της μηχανής εναλλασσόμενου ρεύματος, χωρίς δρομέα (ηλεκτρικό διάγραμμα). Ρυθμίστε το δομοστοιχείο τροφοδοσίας DL 10281 για σταθερή εναλλασσόμενη τάση 24V/15A: επιλογέας «a0b» στη θέση «a» και διακόπτης L1/L2/L3 στη θέση «0». Χρησιμοποιήστε το δομοστοιχείο μέτρησης DL 10282N και διαβάστε τις τιμές του βολτόμετρου και του αμπερόμετρου για μετρήσεις εναλλασσόμενου ρεύματος στην πρώτη διάταξη. Ενεργοποιήστε το δομοστοιχείο τροφοδοσίας και τροφοδοτήστε τις περιελίξεις του στάτη που συνδέονται με σύνδεση αστέρα ρυθμίζοντας τον διακόπτη L1/L2/L3 στη θέση «1». Συνδέστε τον μαγνητικό ανιχνευτή σε αντιστοιχία με τον άξονα της μηχανής και εξερευνήστε το μαγνητικό πεδίο. Ο αναρτήρας πρέπει να μένει παράλληλος στο στήριγμα, με τη βοήθεια κολλητικής ταινίας ή κάτι παρόμοιου, για να αποφύγετε τη μετακίνησή του. Ο μικρός μαγνήτης διεγείρεται σε μια συγκεκριμένη φορά περιστροφής και συνεχίζει να περιστρέφεται. Απενεργοποιήστε την τροφοδοσία της περιέλιξης και ανταλλάξτε δύο φάσεις μεταξύ τους, για παράδειγμα το L2 με το L3. Τροφοδοτήστε ξανά τις περιελίξεις του στάτη: ο μικρός μαγνήτης στρέφεται τώρα προς την αντίθετη διεύθυνση από την προηγούμενη. ΠΕΙΡΑΜΑ Αρ.2: ΜΟΝΟΦΑΣΙΚΟ ΣΤΡΕΦΟΜΕΝΟ ΠΕΔΙΟ Ηλεκτρικό διάγραμμα Τοπογραφικό διάγραμμα Κατασκευάστε το κύκλωμα που φαίνεται στο προηγούμενο τοπογραφικό διάγραμμα χρησιμοποιώντας μόνο τον στάτη της μηχανής εναλλασσόμενου ρεύματος, χωρίς δρομέα (ηλεκτρικό διάγραμμα). Ρυθμίστε το δομοστοιχείο τροφοδοσίας DL 10281 για μονοφασική μεταβαλλόμενη εναλλασσόμενη τάση 0÷10V/12A: επιλογέας «c0d» στη θέση «d» και κομβίο ελέγχου στο 0%. Χρησιμοποιήστε το δομοστοιχείο μέτρησης DL 10282N και διαβάστε τις τιμές του βολτόμετρου και του αμπερόμετρου για μετρήσεις εναλλασσόμενου ρεύματος στην πρώτη διάταξη. Ρυθμίστε τον βηματικό σύνδεσμο του χωρητικού φορτίου C του δομοστοιχείου DL 10283 στη θέση «0» (μέγιστη αριστερόστροφη περιστροφή). Ενεργοποιήστε το δομοστοιχείο τροφοδοσίας και ρυθμίστε την τιμή του ρεύματος στην κύρια περιέλιξη U1-U6 περίπου στο 5A. Συνδέστε τον μαγνητικό ανιχνευτή σε αντιστοιχία με τον άξονα της μηχανής και εξερευνήστε το μαγνητικό πεδίο. Ο αναρτήρας πρέπει να μένει παράλληλος στο στήριγμα, με τη βοήθεια κολλητικής ταινίας ή κάτι παρόμοιου, για να αποφύγετε τη μετακίνησή του. Ο μικρός μαγνήτης ταλαντεύεται αλλά δεν περιστρέφεται. Συνδέστε τώρα τη βοηθητική φάση συνδέοντας σε αλληλουχία τις χωρητικότητες C1 = 80 µF (σύνδεσμος στο «1»), C12 = 160 µF (σύνδεσμος στο «1-2») και συνεπώς C123 = 240 µF (σύνδεσμος στο «1-2-3»): ο μικρός μαγνήτης διεγείρεται και στρέφεται σε συγκεκριμένη φορά περιστροφής και συνεχίζει να περιστρέφεται ακόμη και αν η βοηθητική φάση απενεργοποιηθεί. Αφού επαναφέρετε το ρεύμα, ανταλλάξτε τη σύνδεση της βοηθητικής φάσης (συνδέστε το V6 στο U6 και το C στο U1). Επαναλάβετε τις προηγούμενες ενέργειες και επαληθεύστε ότι ο μικρός μαγνήτης στρέφεται τώρα προς την αντίθετη διεύθυνση από την προηγούμενη.
ΤΟΜΕΑΣ ΗΛΕΚΤΡΟΛΟΓΙΑΣ, ΗΛΕΚΤΡΟΝΙΚΗΣ ΚΑΙ ΑΥΤΟΜΑΤΙΣΜΟΥ                                                                                                                       1o ΕΠΑΛ ΑΜΑΡΟΥΣΙΟΥ ΤΕΧΝΙΚΟΣ ΗΛΕΚΤΡΟΛΟΓΙΚΩΝ ΣΥΣΤΗΜΑΤΩΝ, ΕΓΚΑΤΑΣΤΑΣΕΩΝ ΚΑΙ ΔΙΚΤΥΩΝ                                                                                                 3ο ΕΚ Β ΑΘΗΝΑΣ (ΑΜΑΡΟΥΣΙΟΥ)
ΕΡΓΑΣΤΗΡΙΟ ΗΛΕΚΤΡΙΚΩΝ ΜΕΤΡΗΣΕΩΝ
Σκοπός της Άσκησης Μαθησιακοί Στόχοι Επαλήθευση της παραγωγής τριφασικού στρεφόμενου μαγνητικού πεδίου μέσω τριφασικών ρευμάτων. Αντιστροφή της φοράς της περιστροφής του τριφασικού στρεφόμενου πεδίου μεταβάλλοντας την αλληλουχία φάσεων. Επαλήθευση της παραγωγής μονοφασικού στρεφόμενου μαγνητικού πεδίου μέσω δύο παλμικών πεδίων που δημιουργούνται από δύο πηνία που μεταφέρουν ρεύματα εκτός φάσης. Αντιστροφή της φοράς της περιστροφής του μονοφασικού στρεφόμενου πεδίου μεταβάλλοντας τη σύνδεση της βοηθητικής φάσης.