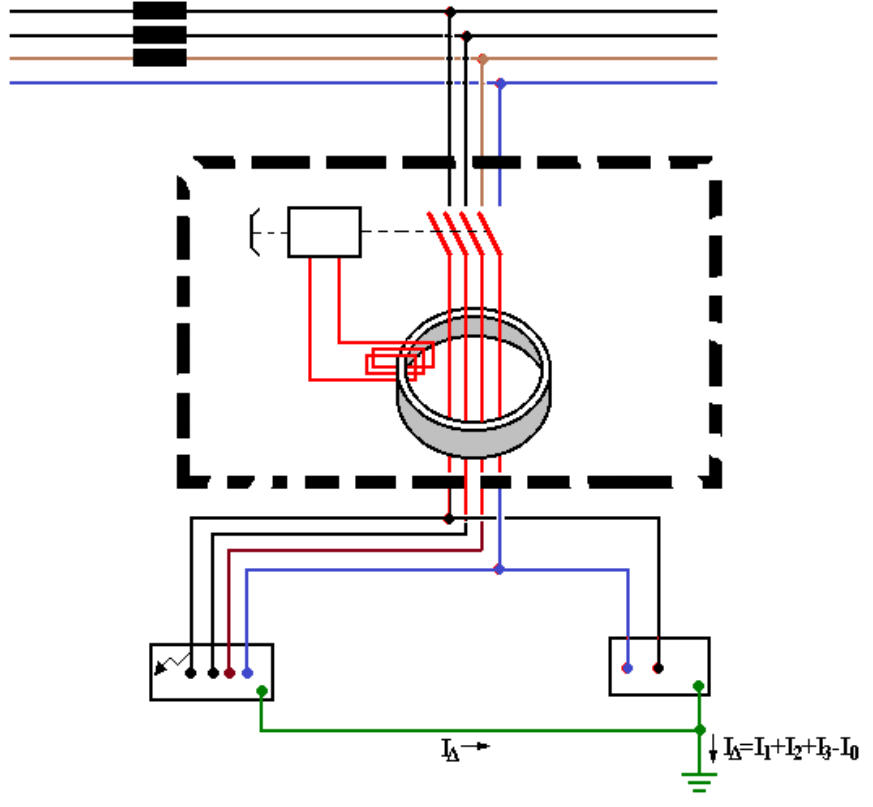
ΚΕΦΑΛΑΙΟ 4: Μηχανισμοί Ελέγχου , Διακοπής και Προστασίας ΕΗΕ 1. Γενικά Συνθήκες που καθιστούν επικίνδυνη την λειτουργία της ΕΗΕ Τάση σε σημεία που δεν πρέπει να υπάρχει Μεγάλα ρεύματα από βραχυκυκλώματα ή υπερφορτίσεις Υπερτάσεις ατμοσφαιρικής προέλευσης (κεραυνοί) Υπερτάσεις του δικτύου (ΔΕΗ) Λόγω αυτών των συνθηκών θα πρέπει οι εγκαταστάσεις να διαθέτουν Μηχανισμούς Ελέγχου, Διακοπής και Προστασίας της ΕΗΕ. Συγκεκριμένα θα πρέπει να διαθέτουν: Διακόπτες οι οποίοι συνδέουν και αποσυνδέουν ηλεκτρικά κυκλώματα και καταναλώσεις Ασφάλειες οι οποίες διακόπτουν γρήγορα την παροχή σε περιπτώσεις βραχυκυκλωμάτων ή υπερφορτίσεων Ρελέ Προστασίας (ΔΔΕ) τα οποία διακόπτουν πάρα πολύ γρήγορα την παροχή σε περιπτώσεις ρευμάτων διαρροής 2. Διακόπτες Ηλεκτρικές Ιδιότητες των Διακοπτών Ονομαστική Τάση Λειτουργίας (V) : Εκφράζει την τάση που αντέχει ο διακόπτης όταν είναι ανοιχτός . Ονομαστική Ένταση Λειτουργίας (A) : Εκφράζει το ρεύμα που αντέχει ο διακόπτης όταν είναι κλειστός . Ικανότητα Διακοπής Ρεύματος (A ή ΚA) : Εκφράζει το μεγαλύτερο ρεύμα που μπορεί να διακόψει ο διακόπτης χωρίς να καταστραφεί , σε ονομαστική τάση και ένταση λειτουργίας . Διάκριση Διακοπτών ανάλογα με την θέση και τον σκοπό τους στην ΕΗΕ Διακόπτες Ηλεκτρικών Κυκλωμάτων (Διακόπτες Ηλεκτρικού Πίνακα) Διακόπτες Φωτιστικών Σημείων Αυτόματοι Διακόπτες Φωτισμού Κλιμακοστασίων Χρονοδιακόπτες 2.1 Διακόπτες Ηλεκτρικών Κυκλωμάτων Είναι διακόπτες Πίνακα - Τοποθετούνται πάνω σε ράγα στο πίνακα διανομής και ελέγχουν ηλεκτρικά κυκλώματα Διάκριση Διακοπτών Ηλεκτρικών Κυκλωμάτων ανάλογα με τον αριθμό των αγωγών που διακόπτουν ή συνδέουν Μονοπολικοί οι οποίοι διακόπτουν φάση - Μονοφασικού κυκλώματος (ισχύ < 1,5 KW) Διπολικοί οι οποίοι διακόπτουν φάση και ουδέτερο - Μονοφασικού κυκλώματος (ισχύ > 1,5 KW) Τριπολικοί οι οποίοι διακόπτουν τρεις φάσεις - Τριφασικού κυκλώματος (οικιακές ή βιομηχανικές εγκαταστάσεις) Τετραπολικοί οι οποίοι διακόπτουν τρεις φάσεις και ουδέτερο - Τριφασικού κυκλώματος (οικιακές ή βιομηχανικές) Προσοχή Στους πίνακες, οι διακόπτες τοποθετούνται πάντα πριν τις ασφάλειες Ο διακόπτης δεν διακόπτει ποτέ τον αγωγό της γείωσης - γενικά η γείωση δεν διακόπτεται ποτέ γιατί, αν διακόπτεται, δεν μας προστατεύει από διαρροή Είδη Διακοπτών Ηλεκτρικών Κυκλωμάτων Ραγοδιακόπτες (έχουν επικρατήσει) Περιστροφικοί Διακόπτες τύπου PACCO 2.2 Διακόπτες Φωτιστικών Σημείων Είναι διακόπτες Τοίχου - Τοποθετούνται μέσα σε κουτιά διακοπτών (εσωτερικά ή εξωτερικά) και ελέγχουν φωτιστικά σημεία Διάκριση Διακοπτών Φωτιστικών Σημείων ανάλογα με το κύκλωμα που εξυπηρετούν Απλοί διακόπτες οι οποίοι ελέγχουν ένα φωτιστικό από μία θέση Διακόπτες διαδοχής (κομιτατέρ) οι οποίοι ελέγχουν δύο ανεξάρτητα φωτιστικά από μία θέση Διακόπτες εναλλαγής ακραίοι (αλλέ-ρετούρ ακραίοι) οι οποίοι ελέγχουν ένα φωτιστικό από δύο θέσεις Διακόπτες εναλλαγής με μεσαίο (αλλέ-ρετούρ με μεσαίο) οι οποίοι ελέγχουν ένα φωτιστικό από περισσότερες από δύο θέσεις Διακόπτες διπλοί εναλλαγής (διπλοί αλλέ-ρετούρ) οι οποίοι ελέγχουν δύο ανεξάρτητα φωτιστικά από δύο θέσεις Ρυθμιστές έντασης φωτισμού (Dimmer) πίνακα ή τοίχου οι οποίοι ρυθμίζουν την ένταση φωτισμού λαμπτήρων πυράκτωσης , φθορισμού και ιωδίνης , με ομαλή και συνεχή ρύθμιση από 0% έως 100% , της φωτιστική έντασης του λαμπτήρα. Για ισχύς λαμπτήρων 60 – 1000W Οπτικά, ο απλός διακόπτης, ο μεσαίος αλλέ ρετούρ και ο ακραίος αλλέ ρετούρ δεν έχουν διαφορές αφού και οι τρεις διακόπτες αποτελούνται από ένα πλήκτρο. Για να καταλάβουμε τη διαφορά τους θα πρέπει να δούμε τον αριθμό των επαφών τους. Ο απλός διακόπτης έχει 2 επαφές (L και 1), ο ακραίος αλλέ ρετούρ έχει 3 επαφές (L, 1 και 2) και ο μεσσαίος αλλέ ρετούρ έχει 4 επαφές (1, 2, 3 και 4) Επίσης οι διακόπτες κομμιτατέρ και οι διακόπτες διπλοί εναλλαγής (διπλοί αλέ-ρετούρ), οπτικά, δεν έχουν διαφορές αφού και οι δυο διάκόπτες αποτελούνται από δυο πλήκτρα. Για να καταλάβουμε τη διαφορά τους θα πρέπει να δούμε τον αριθμό των επαφών τους. Ο διακόπτης κομμιματέρ έχει 3 επαφές (L, 1 και 2) ενώ ο διπλός αλλέ ρετούρ έχει 6 επαφές (L1, L2, 1, 1, 2 και 2) 2.3 Αυτόματοι Διακόπτες Φωτισμού Κλιμακοστασίων Κατασκευάζονται για μια ορισμένη ισχύ των λαμπτήρων που τροφοδοτούν και ρυθμίζουν το χρονικό διάστημα για το οποίο αυτοί θα είναι αναμμένοι Τοποθετούνται πάνω σε ράγες στο πίνακα διανομής. Ενεργοποιούνται από: Απλούς διακόπτες μπουτόν - με φωτεινή ένδειξη ή χωρίς φωτεινή ένδειξη - σε διάφορα σημεία του κλιμακοστασίου Επιτηρητές (ανιχνευτές κίνησης) υπέρυθρης ακτινοβολίας οι οποίοι ανιχνεύουν κινήσεις και ενεργοποιούν τον αυτόματο διακόπτη 2.4 Χρονοδιακόπτες Ενεργοποιούνται αυτόματα με προγραμματισμένη χρονική λειτουργία σε διάφορα χρονικά προγράμματα (ωριαία , ημερήσια , εβδομαδιαία ) Παρέχουν δυνατότητα εφεδρικής λειτουργίας (Συνεχή λειτουργία σε περίπτωση διακοπής του ρεύματος μέχρι και 100 h) Τύποι Χρονοδιακοπτών Αναλογικοί χρονοδιακόπτες: Βασίζονται στην λειτουργία σύγχρονου κινητήρα που περιστρέφεται με σταθερό αριθμό στροφών και συχνότητα δικτύου . Στον άξονά του είναι συνδεδεμένος δίσκος με χρονικές υποδιαιρέσεις . Ψηφιακοί χρονοδιακόπτες: Η λειτουργία τους επιτυγχάνεται με ηλεκτρονικά κυκλώματα 3. Ασφάλειες Οι ασφάλειες ανάλογα με την αρχή λειτουργίας τους διακρίνονται σε: Αυτόματες οι οποίες μοιάζουν με τους μηχανισμούς τύπου ράγας (Ραγοδιακόπτες) Τήξεως οι οποίες φέρουν αγώγιμο εύτηκτο σύρμα – ταινία Τα ηλεκτρικά Χαρακτηριστικά των Ασφαλειών είναι: Ονομαστική Τάση Λειτουργίας (V) Ονομαστική Ένταση Ρεύματος Λειτουργίας (A) Ικανότητα Διακοπής ή Αντοχής στο Βραχυκύκλωμα (A ή ΚΑ) Χρόνος Ενεργοποίησης ή Διακοπής (sec) 3.1 Αυτόματες Ασφάλειες Περιλαμβάνουν δύο διαφορετικούς μηχανισμούς: Μηχανισμό στιγμιαίας λειτουργίας ο οποίος ενεργοποιείται σε περίπτωση βραχυκυκλώματος . Αποτελείται από πηνίο με σιδηροπυρήνα που κινείται στιγμιαία και με σκανδαλισμό ανοίγει τις επαφές του διακόπτη της ασφάλειας . Μηχανισμό διμεταλλικού ελάσματος ο οποίος ενεργοποιείται σε περίπτωση υπερφόρτισης. Όταν το διμεταλλικό έλασμα υπερθερμανθεί ενεργοποιεί τις επαφές του διακόπτη της ασφάλειας . Διάκριση Αυτόματων Ασφαλειών ανάλογα με τον αριθμό των αγωγών που διακόπτουν ή συνδέουν Μονοπολικές οι οποίες διακόπτουν φάση - Μονοφασικό κύκλωμα (ισχύ < 1,5 KW) Διπολικές οι οποίες διακόπτουν φάση και ουδέτερο - Μονοφασικό κύκλωμα (ισχύ > 1,5 KW) Μονοπολικές + Ν οι οποίες διακόπτουν φάση και ουδέτερο όμως προστατεύουν μόνο τη φάση - Μονοφασικό κύκλωμα Τριπολικές οι οποίες διακόπτουν τρεις φάσεις - Τριφασικό κύκλωμα (οικιακές ή βιομηχανικές εγκαταστάσεις) Τετραπολικές οι οποίες διακόπτουν τρεις φάσεις και ουδέτερο - Τριφασικό κύκλωμα (οικιακές ή βιομηχανικές) Χαρακτηριστικοί Τύποι Ασφαλειών που προσδιορίζουν την ικανότητα διακοπής σε Βραχυκύκλωμα Β διακόπτουν ρεύμα 3 έως 5 φορές του ονομαστικού ρεύματος σε περίπτωση βραχυκυκλώματος C διακόπτουν 5 έως 10 φορές του ονομαστικού ρεύματος σε περίπτωση βραχυκυκλώματος D διακόπτπυν 10 έως 20 φορές του ονομαστικού ρεύματος σε περίπτωση βραχυκυκλώματος ΣΗΜΕΙΩΣΗ : Μεγαλύτερο χρόνο ενεργοποίησης έχει ο τύπος ασφάλειας D από τον C και ο C από τον Β για το ίδιο ρεύμα βραχυκύκλωσης . Ασφαλειοδιακόπτες ( Συνδυασμός ασφάλειας και διακόπτη ) Προστατεύουν από μεγάλα ρεύματα βραχυκυκλωμάτων ή υπερφορτίσεων Διακόπτουν το κύκλωμα υπό φορτίο στην κανονική λειτουργία 3.2 Ασφάλειες Τήξεως Διάκριση Ασφαλειών Τήξεως ανάλογα με τον χρόνο ενεργοποίησης τους . Ταχείας τήξης Βραδείας τήξης Οι Ασφάλειες Τήξεως τοποθετούνται : Στην αρχή κάθε ηλεκτρικής γραμμής Στις διακλαδώσεις αγωγών με μικρότερη διάμετρο Σε κεντρικές διακλαδώσεις Σε διακλαδώσεις μετά τους διακόπτες Οι Ασφάλειες Τήξεως δεν τοποθετούνται : Σε αγωγούς γείωσης Στον ουδέτερο αγωγό Σε διακλαδώσεις εναέριων αγωγών και υπογείων καλωδίων Κατασκευαστικά Μέρη Ασφάλειας Τήξεως Πώμα Φυσίγγι Μήτρα Ασφαλειοθήκη ή βάση Έχει τέτοια διάμετρο ώστε να εμποδίζει την τοποθέτηση φυσιγγίου μεγαλύτερης ονομαστικής έντασης ρεύματος σε βάση που προορίζεται για μικρότερο ρεύμα Τρόπος Σύνδεσης Ασφαλειών Τήξεως Εισερχόμενος Αγωγός συνδέεται στη μήτρα Εξερχόμενος Αγωγός συνδέεται στο πώμα Συνδέονται πάντα σε σειρά και στην αρχή του κυκλώματος που πρόκειται να προστατεύσουν Παρατηρήσεις Όταν μια ασφάλεια τήξεως καεί και το πώμα: είναι ζεστό, τότε το κάψιμο προήλθε από ΥΠΕΡΦΟΡΤΙΣΗ είναι κρύο, τότε το κάψιμο προήλθε από ΒΡΑΧΥΚΥΚΛΩΜΑ Οι ασφάλειες τήξης διακρίνονται σε δύο κατηγορίες με βάση τον χρόνο ενεργοποίησης τους: Ασφάλειες Ταχείας Τήξης (τα φυσίγγια φέρουν μαύρα γράμματα) οι οποίες χρησιμοποιούνται σε εγκαταστάσεις φωτισμού (οικιακές) Ασφάλειες Βραδείας Τήξης (τα φυσίγγια φέρουν κόκκινα γράμματα) οι οποίες χρησιμοποιούνται σε εγκαταστάσεις κίνησης (βιομηχανικές) και στις κεντρικές διακλαδώσεις Πλεονέκτημα αυτόματων ασφαλειών σε σχέση με τις ασφάλειες τήξης: Δεν καταστρέφονται ! Επαναλειτουργούν με την αποκατάσταση της βλάβης 4. Διατάξεις Προστασίας Συνθήκες για να μην κινδυνεύουμε από το ηλεκτρικό ρεύμα Η ένταση του ρεύματος Ι < 50 mΑ και συχνότητα του ρεύματος f < 60Hz Η τάση επαφής V < 50 Volt Ο χρόνος διάρκειας της τάσης επαφής t < 5 sec Μέθοδοι Προστασίας Άμεση Γείωση Ουδετέρωση Διακόπτης Διαφυγής Τάσης (ΔΔΤ) Διακόπτης Διαφυγής Έντασης (ΔΔΕ) 4.1 Διακόπτης Διαφυγής Έντασης (ΔΔΕ) Άλλες Ονομασίες: Ρελέ διαρροής, Αυτόματος διακόπτης διαρροής, Διακόπτης διαφυγής έντασης, Αντιηλεκτροπληξιακός διακόπτης. Για ευκολία θα χρησιμοποιούμε τα αρχικά Δ.Δ.Ε (Διακόπτης Διαφυγής Έντασης) Σκοπός του διακόπτη διαφυγής έντασης είναι να διακόπτει την παροχή τάσης προς την εγκατάσταση σε χρόνο t < 30 ms και για ρεύμα διαρροής Ιδ = 30 mA, σε οποιοδήποτε σημείο της εγκατάστασης. Με απλά λόγια, προστατεύει τον άνθρωπο σε περίπτωση επαφής με οποιοδήποτε εξάρτημα που βρίσκεται τυχαία υπό τάση, λόγω διαρροής ή βλάβης - ελαττωματική ηλεκτρική συσκευή. Προστατεύει ακόμα και από απευθείας επαφή με αγωγό ρεύματος - π.χ. όταν ακουμπήσουμε φθαρμένη μόνωση καλωδίου ή όταν βάλουμε κάποιο μεταλλικό αντικείμενο στην πρίζα. Αρχή Λειτουργίας Αποτελείται από έναν μετασχηματιστή έντασης. Το πρωτεύον τύλιγμα αποτελούν οι φάσεις και ο ουδέτερος ενώ το δευτερεύον τύλιγμα αποτελεί ένα πηνίο που βρίσκεται επάνω σε ένα δακτύλιο από σιδηρομαγνητικό υλικό. Όταν δεν υπάρχει διαρροή, το συνολικό ρεύμα που εισέρχεται στη συσκευή είναι ίσο με το ρεύμα που εξέρχεται από αυτήν. Άρα δημιουργούνται δυο ίσα αλλά αντίθετα μαγνητικά πεδία που αλληλοεξουδετερώνονται, με αποτέλεσμα στον μετασχηματιστή έντασης να μην δημιουργείται μαγνητική ροή. Όταν όμως υπάρξει διαρροή, τότε το συνολικό ρεύμα που εισέρχεται στη συσκευή είναι μεγαλύτερο από το ρεύμα που εξέρχεται από αυτήν. Συνεπώς στον μετασχηματιστή έντασης δημιουργείται μαγνητική ροή η οποία, με τη σειρά της, δημιουργεί επαγωγική τάση στο δευτερεύον η οποία ενεργοποιεί τον διακόπτη του ρελέ προστασίας με αποτέλεσμα την διακοπή της παροχής τάσεως στην εγκατάσταση. Κατασκευάζονται ως: Διπολικά: χρησιμοποιούνται σε μονοφασική παροχή και διακόπτουν φάση και ουδέτερο. Τοποθετούνται στους πίνακες διανομής της εγκατάστασης μετά τον γενικό διακόπτη . Τετραπολικά: Χρησιμοποιούνται σε τριφασική παροχή και διακόπτουν τις τρεις φάσεις και τον ουδέτερο. Από τι προστατεύει τελικά ο Διακόπτης Διαφυγής Έντασης; Η γενική εντύπωση είναι ότι ο Δ.Δ.Ε. προστατεύει από ηλεκτροπληξία τον άνθρωπο και από πυρκαιά - λόγω ρευμάτων διαρροής - την εγκατάσταση, ιδίως χώρους με εύφλεκτα υλικά. Ας δώσουμε ένα σχετικό παράδειγμα για το θέμα της προστασίας από πυρκαιά: Στον κινητήρα ενός κλιματιστικού συμβαίνει μια διαρροή ρεύματος. Το κλιματιστικό τροφοδοτείται από καλώδιο 3Χ1,5mm 2 και ασφαλίζεται με ασφάλεια B 10A. Ας υποθέσουμε ότι δεν υπάρχει Δ.Δ.Ε. στον πίνακα της οικίας. Για να διακόψει την διαρροή αυτή η ασφάλεια Β 10Α που ασφαλίζει το κύκλωμα θα πρέπει το ρεύμα διαρροής να φθάσει τα 14,5 Α (1,45*10A για να διακόψει σε χρόνο <1 ώρα). Όμως με αυτή την ένταση ρεύματος, η ηλεκτρική ισχύς στο σημείο της διαρροής φθάνει τα 3335W 230V*14,5A). Αν αναλογιστούμε ότι, σύμφωνα με έρευνες, για να ξεκινήσει μια πυρκαγιά είναι αρκετά 70 έως 100W τότε γίνεται κατανοητό ότι η συγκεκριμένη ισχύ στο σημείο της διαρροής ιδιαίτερα επικίνδυνη. Αν στο σημείο της διαρροής υπάρχει και σκόνη τότε η κατάσταση γίνεται δυσμενέστερη. Άρα η ασφάλεια θα διέκοπτε την τροφοδοσία της συσκευής πολύ αργά αφού πολύ νωρίτερα θα μπορούσε να είχε προκληθεί πυρκαιά. Αν όμως στον ηλεκτρικό πίνακα του διαμερίσματος υπήρχε Δ.Δ.Ε. με Ιδ = 30 mA θα εντόπιζε την διαρροή θα διέκοπτε την παροχή του ηλεκτρικού με μέγιστο ρεύμα διαρροής 30mA. Το ρεύμα αυτό αντιστοιχεί σε ηλεκτρική ισχύ 6,9W (230V*0,03A) <70W και ο κίνδυνος πυρκαγιάς στο κλιματιστικό δεν θα υπήρχε. Προστατεύουν όμως όλοι οι Δ.Δ.Ε τον άνθρωπο από ηλεκτροπληξία; Στην αγορά κυκλοφορούν και ρελέ διαρροής έντασης με ευαισθησία στα 100, 300 και 500 mA, δηλαδή διακόπτουν την τροφοδοσία σε περίπτωση διαρροής πάνω από 100, 300 ή 500mA αντίστοιχα. Eξωτερικά, στις διαστάσεις και στα χρώματα είναι ίδια με αυτά των 30mA. Αυτά τα ρελέ διαρροής όμως δεν είναι κατά της ηλεκτροπληξίας και δεν πρέπει να χρησιμοποιούνται ως αντιηλεκτροπληξιακά. Προστατεύουν μόνο από πυρκαγιά (τα 100mA και 300mA) Γιατί συμβαίνει αυτό; Όταν το ανθρώπινο σώμα διαρρέεται από ρεύμα έντασης μεγαλύτερη από κάποια τιμή, παρουσιάζεται μυικός σπασμός, με αποτέλεσμα να μην είναι δυνατή η απομάκρυνση του ανθρώπου από το ρεύμα με τις δικές του δυνάμεις. Η τιμή αυτή του ρεύματος χαρακτηρίζεται ως “όριο απομάκρυνσης από το ρεύμα”. Ο ΔΔΕ με ένταση ρεύματος διαρροής 30mA διακόπτει πολύ κάτω από το όριο απομάκρυνσης από το ρεύμα. Διατίθεται για ονομαστική ένταση μέχρι 16A και είναι κατάλληλος για να προστατεύει κυκλώματα πριζών, κυρίως εργοταξίων, και να τοποθετείται σε χώρους υψηλού κινδύνου (λουτρά, WC, κ.λ.π). Όμως οι Δ.Δ.Ε. των 100, 300 ή 500 mA δεν διακόπτουν το κύκλωμα κάτω από το “όριο απομάκρυνσης από το ρεύμα”, άρα δεν προστατεύουν από ηλεκτροπληξία. Συμπέρασμα: Οι Δ.Δ.Ε. με ΙΔΝ>30mA προστατεύουν μόνο από πυρκαγιά και όχι από ηλεκτροπληξία Σημείωση : Σε ορισμένες περιπτώσεις η λύση της κάλυψης μιας εκτεταμένης ηλεκτρικής εγκατάστασης με μια μόνο διάταξη διαφορικού ρεύματος) δεν είναι η καλύτερη λύση για την σταθερή λειτουργία της εγκατάστασης. Είναι προτιμότερο και λειτουργικά καλύτερο, να κατανέμονται τα κυκλώματα της εγκατάστασης σε περισσότερες από μια διατάξεις διαφορικού ρεύματος.Έτσι προκύπτει ένα βασικό πλεονέκτημα: Αν υπάρξει κάποια επικίνδυνη διαρροή και διακόψει η μια διάταξη, δεν σταματά η ηλεκτροδότησης όλης της εγκατάστασης. Οι άλλες συνεχίζουν να λειτουργούν κανονικά. Για παράδειγμα, το θέμα αυτό έχει ρυθμιστεί στην Γερμανία με το πρότυπο DIN 18015 Teil 2: Δεν επιτρέπεται να διακόπτεται η τροφοδοσία όλων των κυκλωμάτων μιας εγκατάστασης αν αποζεύξει μια διάταξη διαφορικού ρεύματος. Άλλοι τύποι Δ.Δ.Ε. ΔΔΕ με αυτόματη ασφάλεια (RCBO): Χρησιμοποιούνται για λόγους εξοικονόμησης χώρου στον πίνακα. Έχουν ενσωματωμένη μικροαυτόματη ασφάλεια και χρησιμοποιούνται για την επιμέρους προστασία γραμμών όπως πλυντηρίων, ηλεκτρικής κουζίνας, κ.λ.π. Αποτελούν ιδανική λύση για διαχωρισμό ηλεκτρικών γραμμών και ιδιαίτερα φορτίων όπως το ψυγείο, που σε περίπτωση σφάλματος σε κάποιο άλλο σημείο της εγκατάστασης να μπορούν να συνεχίσουν να τροφοδοτούνται κανονικά. Ανιχνεύουν διαρροές ηλεκτρικού ρεύματος, υπερφορτίσεις και βραχυκυκλώματα. Ρελέ Διαρροής με Αυτόματη Επαναφορά Ορισμένες φορές μεταβατικά ηλεκτρικά φαινόμενα (κεραυνός) ενδέχεται στιγμιαία να ενεργοποιήσουν την πτώση του ρελέ διαρροής χωρίς πραγματική αιτία. Το αποτέλεσμα είναι μια άσκοπη και χωρίς λόγο διακοπή ρεύματος. Η διακοπή αυτή μπορεί να σταματήσει τη λειτουργία κρίσιμων συσκευών όπως ψυγεία, καταψύκτες και αυτόματο πότισμα. Τη λύση έρχεται να δώσει το ρελέ διαρροής με αυτόματη επαναφορά. Η επανόπλιση του ρελέ γίνεται μόνο μετά από έλεγχο της εγκατάστασης για τυχόν διαρροές και κατάσταση της μόνωσης και μόνο εφόσον διαπιστωθεί ότι αυτές οι διαρροές δεν υφίστανται πλέον. Συνολικά τα ρελέ ελέγχουν έως και τρεις φορές την εγκατάσταση για ύπαρξη διαρροών, με χρονικές καθυστερήσεις μεταξύ των ελέγχων και σε περίπτωση που και στους τρεις ελέγχους διαπιστωθεί διαρροή, σταματάει ο έλεγχος αφού αυτό συνεπάγεται ότι η διαρροή είναι μόνιμη και απαιτείται έλεγχος από τον εγκαταστάτη. Πως θα βρούμε τη βλάβη σε μια εγκατάσταση που πέφτει ο Δ.Δ.Ε; Η πιο ενδεδειγμένη λύση για να βρούμε σε ποια γραμμή είναι η διαρροή, στην περίπτωση που η εγκατάσταση έχει γίνει σύμφωνα με τους κανονισμούς που επιβάλλει ο ΕΛΟΤ HD 384, είναι η μέτρηση αντίστασης μόνωσης σε κάθε γραμμή ξεχωριστά με τη βοήθεια πιστοποιημένου οργάνου. Ένας δεύτερος τρόπος διαχωρίζει την περίπτωση που η διαρροή είναι μεταξύ φάσης και γης και την περίπτωση που διαρροή είναι μεταξύ ουδετέρου και γης. Αν η διαρροή είναι μεταξύ φάσης και γης. Σε αυτή την περίπτωση κατεβάζουμε όλες τις επιμέρους αυτόματες ασφάλειες. Σε αυτή τη θέση ο ΔΔΕ δεν θα πέφτει. Σηκώνουμε μία-μία τις αυτόματες ασφάλειες και σε αυτή που θα πέσει ο ΔΔΕ θα καταλάβουμε ότι σε αυτό το κύκλωμα υπάρχει διαρροή μεταξύ φάσης και γης. Αν η διαρροή είναι μεταξύ ουδετέρου και γης. Αν η διαρροή όμως είναι μεταξύ ουδετέρου και γης και να κατεβάσουμε όλες τις επιμέρους αυτόματες ασφάλειες, όπως περιγράψαμε προηγούμενα, ο ΔΔΕ θα πέφτει. Για να βρούμε σε αυτήν την περίπτωση τη διαρροή με τον παραπάνω τρόπο θα πρέπει κάθε γραμμή να την ασφαλίσουμε αντί με μονοπολική ασφάλεια με ασφάλεια 1P+N που κόβει και ουδέτερο. Τι γίνεται όμως στην περίπτωση που έχουμε μονοπολικές ασφάλειες; Σε αυτή την περίπτωση κατεβάζουμε όλες τις επιμέρους αυτόματες ασφάλειες, βγάζουμε έναν αγωγό γείωσης από την μπάρα των γειώσεων και προσπαθούμε να σηκώσουμε τις επιμέρους ασφάλειες. Αν εξακολουθεί να πέφτει ο ΔΔΕ τότε τον ξαναβάζουμε στη θέση του και προχωράμε στο να βγάλουμε άλλον αγωγό γείωσης άλλης γραμμής. Αυτό επαναλαμβάνεται μέχρι να μπορούν να σηκωθούν όλες οι αυτόματες ασφάλειες χωρίς να πέσει ο ΔΔΕ, εκτός από την αυτόματη ασφάλεια της οποίας το κύκλωμα έχει τη διαρροή. Την ίδια διαδικασία μπορούμε να ακολουθήσουμε αντί βγάζοντας ένα-ένα τον αγωγό γείωσης, να βγάζουμε ένα-ένα τον αγωγό ουδετέρου αλλά με μεγάλη προσοχή αυτή τη φορά. Μια ακόμα πρακτική συμβουλή πρόταση την οποία οι Γερμανοί ηλεκτρολόγοι εφαρμόζουν συχνά στην πράξη σε περιπτώσεις δυσλειτουργιών σε εγκαταστάσεις με διατάξεις διαφορικού ρεύματος είναι η μέτρηση του ρεύματος σε αγωγούς προστασίας και γείωσης (ΡΕ). Η μέτρηση αυτή μπορεί να εντοπίσει σταθερά ρεύματα διαρροής, όμως για να έχει αξιοποιήσιμα αποτελέσματα θα πρέπει να πραγματοποιείται με αμπεροτσιμπίδα η οποία θα πρέπει να έχει την δυνατότητα μέτρησης μικρών ρευμάτων της τάξης των mA 4.2 Διακόπτης Διαφυγής Τάσης (ΔΔΤ) ή Προστατευτικά Υπέρτασης Είναι μηχανισμοί πρόσθετης προστασίας , ιδιαίτερα σε ευαίσθητες συσκευές όπως Η/Υ , TV , VIDEO κτλ . έναντι των υπερτάσεων που οφείλονται σε : Ατμοσφαιρικά φαινόμενα (κεραυνοί) Υπερτάσεις του δικτύου της ΔΕΗ Σκοπός του είναι να αποκλειστεί η πιθανότητα διατήρησης τάσης μεγαλύτερης των 50 V μεταξύ των μεταλλικών μερών της εγκατάστασης και της γης. Στην περίπτωση που η τάση μεταξύ του βοηθητικού ηλεκτροδιου και των ηλεκτροδίων γείωσης της εγκατάστασης ξεπεράσει τα 50 V, τότε μέσω του πηνίου, που αντιλαμβάνεται την υπέρταση αυτή, δίνεται εντολή στον ηλεκτρονόμο και αυτός με τη σειρά του διακόπτει την τροφοδοσία της εγκατάστασης. Θα πρέπει να σημειώσουμε ότι σήμερα, στην πράξη, δεν χρησιμοποιούνται οι διακόπτες διαφυγής τάσης επειδή δεν είναι αξιόπιστοι. Γιαυτό δεν θα επεκταθούμε περισσότερο. Προτάσεις για Περαιτέρω Μελέτη Πως λειτουργεί ένας χρονοδιακόπτης πρίζας μηχανικός ή ψηφιακός;
ΕΣΩΤΕΡΙΚΕΣ ΗΛΕΚΤΡΙΚΕΣ ΕΓΚΑΤΑΣΤΑΣΕΙΣ & ΗΛΕΚΤΡΟΛΟΓΙΚΟ ΣΧΕΔΙΟ
Σκοπός του Κεφαλαίου Όταν θα έχετε ολοκληρώσει τη μέλέτη του κεφαλαίου θα είστε σε θέση να: 1 . περιγράφετε τα διάφορα είδη διακοπτών 2 . εξηγείτε τον λόγο χρήσης των διακοπτών 3 . περιγράφετε τα διάφορα είδη ασφαλειών 4 . εξηγείτε τον λόγο χρήσης των ασφαλειών 5 . περιγράφετε την αρχή λειτουργίας του διακόπτη διαφυγής έντασης 6 . εξηγείτε τον λόγο χρήσης του διακόπτη διαφυγής έντασης
Για προστασία ανθρώπων από ηλεκτροπληξία, σε περίπτωση άμεσης ή έμμεσης επαφής, απαιτούνται διακόπτες διαρροής με ευαισθησία 10 ή 30 mA, ενώ για την προστασία του εξοπλισμού από πυρκαγιά ή άλλες επιδράσεις των ρευμάτων διαρροής προς γη απαιτούνται διακόπτες διαρροής με ευαισθησία 100 ή 300 mA.
Οι διατάξεις ΔΔΕ τύπου AC χρησιμοποιούνται για τον εντοπισμό μόνο ημιτονοειδών εναλλασσόμενων ρευμάτων διαρροής. Αυτός ο τύπος δεν επιτρέπεται να χρησιμοποιείται εδώ και πολλά χρόνια στη Γερμανία γιατί διαπιστώθηκε ότι δεν μπορεί να ανιχνεύσει αρκετές περιπτώσεις διαρροών σε σύγχρονες ηλεκτρικές συσκευές (παλμικά ρεύματα διαρροής με συνεχή συνιστώσα). Οι DC συνιστώσες, όπως και οι αρμονικές, οδηγούν το πηνίο του ρελέ διαφυγής σε μαγνητικό κορεσμό, δηλαδή μαγνητίζουν το ρελέ και το αδρανοποιούν, με αποτέλεσμα να μην λειτουργεί. Σε άλλες χώρες όπως η Ιταλία και η Ελλάδα είναι ακόμα επιτρεπτές
ΤΟΜΕΑΣ ΗΛΕΚΤΡΟΛΟΓΙΑΣ, ΗΛΕΚΤΡΟΝΙΚΗΣ ΚΑΙ ΑΥΤΟΜΑΤΙΣΜΟΥ                                                                                                                       1o ΕΠΑΛ ΑΜΑΡΟΥΣΙΟΥ ΤΕΧΝΙΚΟΣ ΗΛΕΚΤΡΟΛΟΓΙΚΩΝ ΣΥΣΤΗΜΑΤΩΝ, ΕΓΚΑΤΑΣΤΑΣΕΩΝ ΚΑΙ ΔΙΚΤΥΩΝ                                                                                                 3ο ΕΚ Β ΑΘΗΝΑΣ (ΑΜΑΡΟΥΣΙΟΥ)
Τι εννοούμε όταν λεμε ρεύμα διαρροής; Η ηλεκτρική διαρροή συμβαίνει όταν μέρος του ηλεκτρικού ρεύματος κάποιας ηλεκτρικής συσκευής διαρέει στα μεταλλικά της μέρη. Οφείλεται συνήθως σε πρόβλημα της ηλεκτρικής συσκευής, στην οποία ένας ρευματοφόρος αγωγός ακουμπάει με το μεταλλικό περίβλημα της συσκευής. Εάν δεν υπήρχε η γείωση, θα μιλάγαμε για ηλεκτροπληξία. Το ρεύμα διαρροής μπορεί να προκληθεί από ελαττωματικές μονώσεις ηλεκτρικών συσκευών που οφείλονται σε φθορές, υπερβολικές φορτίσεις ή λανθασμένο χειρισμό των συσκευών.
Μπορείτε να φανταστείτε κάποια περίπτωση ηλεκτροπληξίας όπου ο αντιηλεκτροπληξιακός διακόπτης δεν μπορεί να την αποτρέψει; Θα πρέπει να λάβετε υπόψη σας ότι ο αντιηλεκτροπληξιακός διακόπτης λειτουργεί όταν υπάρξει διαρροή προς τη γη - είτε μέσω της γείωσης είτε μέσω του ανθρώπινου σώματος.
Το ρελέ διαρροής λειτουργεί ακόμα και με κακή γείωση - υψηλή αντίσταση γείωσης. Συνεπώς γιατί είμαστε υποχρεωμένοι να κατασκευάζουμε καλές γειώσεις - χαμηλή αντίσταση γείωσης; Η απάντηση είναι ότι το ρελέ διαφυγής είναι μηχανικός διακόπτης ο οποίος μπορεί ανά πάσα στιγμή να κολλήσει οπότε δεν μπορούμε να βασίσουμε την ασφάλειά μας αποκλειστικά σε αυτό
Κάθε Δ.Δ.Ε. περιλαμβάνει ένα πλήκτρο ελέγχου για να διαπιστώνουμε την καλή λειτουργία του. Όμως θα πρέπει να προσέξουμε το εξής: κάθε φορά που πατάμε το πλήκτρο ελέγχου, προκαλούμε ένα εσωτερικό βραχυκύκλωμα μεταξύ μιας φάσης και του ουδέτερου, μέσω μιας εσωτερικής αντίστασης R. Η τιμή της αντίστασης αυτής για ένα Δ.Δ.Ε. είναι συνήθως R 3.600 Ω. Προκύπτει λοιπόν ότι η δοκιμή αυτή γίνεται με ένα ρεύμα i= 230 V / 3.600 Ω = 64 mA. Γνωρίζουμε όμως αν λειτουργεί σωστά ο Δ.Δ.Ε. για ρεύματα ριαρροής από 30 mA έως τα 64 mA για το οποίο έγινε η δοκιμή;
Σε ποιο σημείο της εγκατάστασης τοποθετείται ο Δ.Δ.Ε; Το πρότυπο ΕΛΟΤ HD 384 αναφέρει στην παράγραφο 531.2.1.4: "Οι διατάξεις προστασίας που δεν έχουν ενσωματωμένη προστασία έναντι υπερεντάσεων πρέπει , κατά την εγκατάσταση τους , να συνδυάζονται με κατάλληλες διατάξεις προστασίας έναντι υπερεντάσεων“. Συνεπώς ο Δ.Δ.Ε. θα πρέπει να συνδέεται, στον ηλεκτρικό πίνακα, μετά τις ασφάλειες.
Ποιο πρόβλημα διαπιστώνετε στην ακόλουθη περίπτωση
Τι πρόβλημα διαπιστώνετε στην ακόλουθη περίπτωση