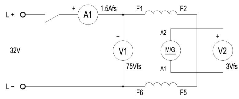
Ουδέτερη Ζώνη χωρίς Φορτίο Εξαρτήματα: 1 στάτης μηχανής συνεχούς ρεύματος 1 DL 10281 Δομοστοιχείο τροφοδοσίας 1 DL 10282N Δομοστοιχείο μέτρησης Ηλεκτρικό διάγραμμα Τοπογραφικό διάγραμμα Διαδικασία Κατασκευάστε το κύκλωμα που φαίνεται στο προηγούμενο τοπογραφικό διάγραμμα χρησιμοποιώντας τη μηχανή συνεχούς ρεύματος με τον συλλέκτη του ρότορα και τις ψήκτρες. Ρυθμίστε το δομοστοιχείο τροφοδοσίας DL 10281 για σταθερή συνεχή τάση 32V/14A: επιλογέας «a0b» στη θέση «a» και διακόπτης L+/L- στη θέση «0». Χρησιμοποιήστε το δομοστοιχείο μέτρησης DL 10282N και διαβάστε τις τιμές του βολτόμετρου και του αμπερόμετρου για μετρήσεις συνεχούς ρεύματος στην πρώτη και τη δεύτερη διάταξη και παρατηρήστε τις πολικότητες (+ στον κόκκινο ακροδέκτη). Ενεργοποιήστε το δομοστοιχείο τροφοδοσίας και ενεργοποιήστε και απενεργοποιήστε επαναλαμβανόμενα το κύκλωμα ανεξάρτητης διέγερσης μέσω του διακόπτη L+/L-: παρατηρήστε την ένδειξη του βολτόμετρου V2. Αν η ένδειξη του βολτόμετρου V2 είναι μηδενική, οι ψήκτρες είναι σε αντιστοιχία με τον μαγνητικό ουδέτερο άξονα χωρίς φορτίο γιατί η τάση που συλλέγεται ανάμεσα στα δύο γειτονικά τμήματα είναι σχεδόν μηδενική. Αντιθέτως, αν η ένδειξη του βολτόμετρου V2 είναι διαφορετική από 0, η βίδα μπλοκαρίσματος Α χαλαρώνει και η ψηκτροθήκη και η σύνδεση με υποδοχή στρέφονται. Μέσα από προσπάθειες, προσδιορίζουμε, συνεπώς, τη θέση της σύνδεσης με υποδοχή, στην οποία αντιστοιχεί η ελάχιστη ένδειξη του βολτόμετρου: αυτή η θέση αντιστοιχεί προφανώς στον ουδέτερο άξονα χωρίς φορτίο και, συνεπώς, σε αυτή τη θέση η σύνδεση με υποδοχή πρέπει να μπλοκαριστεί με τη βίδα Α.
ΤΟΜΕΑΣ ΗΛΕΚΤΡΟΛΟΓΙΑΣ, ΗΛΕΚΤΡΟΝΙΚΗΣ ΚΑΙ ΑΥΤΟΜΑΤΙΣΜΟΥ                                                                                                                       1o ΕΠΑΛ ΑΜΑΡΟΥΣΙΟΥ ΤΕΧΝΙΚΟΣ ΗΛΕΚΤΡΟΛΟΓΙΚΩΝ ΣΥΣΤΗΜΑΤΩΝ, ΕΓΚΑΤΑΣΤΑΣΕΩΝ ΚΑΙ ΔΙΚΤΥΩΝ                                                                                                 3ο ΕΚ Β ΑΘΗΝΑΣ (ΑΜΑΡΟΥΣΙΟΥ)
ΕΡΓΑΣΤΗΡΙΟ ΗΛΕΚΤΡΙΚΩΝ ΜΕΤΡΗΣΕΩΝ
Σκοπός της Άσκησης Ρύθμιση των ψηκτρών σε αντιστοιχία με τον μαγνητικό ουδέτερο άξονα χωρίς φορτίο Μαθησιακοί Στόχοι