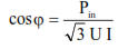
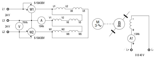
Τριφασικός Κινητήρας Βραχυκυκλωμένου Δρομέα, 2 πόλοι, 24 VΔ Εξαρτήματα: 1 στάτης μηχανής εναλλασσόμενου ρεύματος και βραχυκυκλωμένος ρότορας 1 DL 10281 Δομοστοιχείο τροφοδοσίας 1 DL 10282N Δομοστοιχείο μέτρησης 1 DL 10284 Στήριγμα προσαρμογέα 1 DL 10300A Ηλεκτρομαγνητική πέδη με βραχίονες (Βάρος G = 3,5 N, αντίβαρο ζυγοστάθμισης g = 1,5 N) 1 Ψηφιακό πολύμετρο MY60 Σημείωση Για την ακριβή μέτρηση της ταχύτητας συνιστούμε: 1 DL 2026 Ψηφιακό ταχύμετρο Ηλεκτρικό διάγραμμα Τοπογραφικό Διάγραμμα Διαδικασία Συναρμολογήστε την ομάδα του ασύγχρονο κινητήρα πέδης, χρησιμοποιώντας τον στάτη της μηχανής εναλλασσόμενου ρεύματος με τον βραχυκυκλωμένο ρότορα. Κατασκευάστε το κύκλωμα που φαίνεται στο προηγούμενο τοπογραφικό διάγραμμα. Ρυθμίστε το δομοστοιχείο τροφοδοσίας DL 10281 για σταθερή εναλλασσόμενη τάση 24V/14A: (επιλογέας «a0b» στη θέση «a» και διακόπτης L1/L2/L3 στη θέση «0») και για μεταβαλλόμενη συνεχή τάση 0÷40V/5A (επιλογέας «c0d» στη θέση «c» και κομβίο ελέγχου στο 0%). Χρησιμοποιήστε την πρώτη και τη δεύτερη διάταξη του δομοστοιχείου μέτρησης DL 10282N για να διαβάσετε τις τιμές των τάσεων, των ρευμάτων και της ισχύος στους ακροδέκτες του στάτη του κινητήρα για εναλλασσόμενο ρεύμα. Για την ενεργό ισχύ, πατήστε το κουμπί «Function» (Λειτουργία) στα δεξιά της κατάλληλης διάταξης μέτρησης. Χρησιμοποιήστε το δομοστοιχείο μέτρησης DL 10282N για μετρήσεις της ταχύτητας στην τρίτη διάταξη. Χρησιμοποιήστε το ψηφιακό πολύμετρο MY60 για μετρήσεις ρεύματος στο κύκλωμα διέγερσης της πέδης Ενεργοποιήστε το δομοστοιχείο τροφοδοσίας και εκκινήστε τον κινητήρα ρυθμίζοντας τον διακόπτη L1/L2/L3 στη θέση «1»: ο κινητήρας περιστρέφεται δεξιόστροφα. Μετά την εκκίνηση του κινητήρα, εξισορροπήστε την πέδη: το σύστημα εξισορροπείται ρυθμίζοντας το βάρος G = (2+1,5)N σε αντιστοιχία με το μηδέν της βαθμονομημένης κλίμακας και μετακινώντας το αντίβαρο ζυγοστάθμισης g = 1,5 N μέχρι το επίπεδο του νερού να δείχνει την οριζόντια θέση. Ξεκινήστε να μετράτε την τάση τροφοδοσίας U, το απορροφούμενο ρεύμα I και την ισχύ P13 και P23. Καταγράψτε την ταχύτητα n του κινητήρα. Ο κινητήρας επομένως φορτώνεται σε βήματα μέσω της πέδης: το φορτίο εκτελείται μετακινώντας το βάρος G σε απόσταση b από τη μηδενική θέση και επομένως, μέσω της μεταβλητής συνεχούς τάσης 0 ÷ 40 V, το ρεύμα διέγερσής του ρυθμίζεται μέχρι να εξισορροπηθεί ξανά το σύστημα. Εκτελέστε τις μετρήσεις που παρουσιάστηκαν προηγουμένως για κάθε τιμή του βραχίονα β που φαίνονται στον παρακάτω πίνακα, όπου συνεπώς είναι γραμμένες οι ενδείξεις μέτρησης. f= 50 Hz Σταματήστε την ομάδα ρυθμίζοντας τον διακόπτη L1/L2/L3 στη θέση «0» και απενεργοποιήστε την πέδη. Συμπληρώστε τον πίνακα με τις υπολογισμένες τιμές των παρακάτω: - απορροφούμενη ισχύς Pin = P13 + P23 - συντελεστής ισχύος - ισχύς εξόδου P = 0,1047 n M - απόδοση Σχεδιάστε στο ίδιο διάγραμμα το απορροφούμενο ρεύμα I, τον συντελεστή ισχύος cosφ, την ταχύτητα n και την απόδοση η% ως συνάρτηση της ισχύος εξόδου P. Σχεδιάστε πάνω σε ένα διάγραμμα τη μηχανική χαρακτηριστική M = f(n).
ΤΟΜΕΑΣ ΗΛΕΚΤΡΟΛΟΓΙΑΣ, ΗΛΕΚΤΡΟΝΙΚΗΣ ΚΑΙ ΑΥΤΟΜΑΤΙΣΜΟΥ                                                                                                                       1o ΕΠΑΛ ΑΜΑΡΟΥΣΙΟΥ ΤΕΧΝΙΚΟΣ ΗΛΕΚΤΡΟΛΟΓΙΚΩΝ ΣΥΣΤΗΜΑΤΩΝ, ΕΓΚΑΤΑΣΤΑΣΕΩΝ ΚΑΙ ΔΙΚΤΥΩΝ                                                                                                 3ο ΕΚ Β ΑΘΗΝΑΣ (ΑΜΑΡΟΥΣΙΟΥ)
ΕΡΓΑΣΤΗΡΙΟ ΗΛΕΚΤΡΙΚΩΝ ΜΕΤΡΗΣΕΩΝ
Σκοπός της Άσκησης Μελέτη του Τσιφασικού Κινητήρα Βραχυκυκλωμένου Δρομέα Μαθησιακοί Στόχοι Σύνδεση τριγώνου της περιέλιξης του στάτη Εκκίνηση του κινητήρα με συνεχή σύνδεση στο κεντρικό δίκτυο Καταγραφή των χαρακτηριστικών λειτουργίας του κινητήρα